中心議題:
- CC2531芯片簡介
- USB通信的實現
- 溫度采集的實現
解決方案:
- 終端節點硬件由CC2530實現
- 溫度傳感器采用DS18B20
- 上位機由Visual C++編寫
USB接口由于其方便靈活、獨立供電的特點,已廣泛應用于數據采集與監控系統中。采用TI公司的第二代SOC芯片CC2531,實現了基于USB接口的虛擬串口通信,并以溫度監測系統將其引入到實際工程中來?! ?br />
1 CDC類簡介
在USB的文件中,定義了將某種相同屬性的設備整合在一起的群體,稱之為類。這樣做可以同時開發該類的驅動程序,提高了驅動程序的復用性。CDC類是通信設備類的簡稱,是專為各種通信設備定義的子類。根據應用場合的不同,CDC類可以分成以下不同的模型:POST(傳統純電話業務)模型、ISDN模型和Networking(網絡)模型。其中,POST模型又可以分為DL(直接線控制)模型、AC(抽象控制)模型、Datapump(數據泵)模型、T(電話)模型。CDC類的結構如圖1所示。本文的USB接口開發就屬于POST模型下的AC模型。

圖1 CDC類結構圖
此外,CDC又由CommunicatiON Interface Class(通信接口類)和Data Interface Class(數據接口類)組成。通信接口類主要負責設備的管理和控制,數據接口類則負責數據的傳輸。不同的模型端點需求不同,對系統所用的抽象控制模型來說,通信接口類需要一個控制端點(Control Endpoint)來管理設備的枚舉、虛擬串口的波特率和數據類型的設置。數據接口類的需求相對比較靈活,本例中采用一個塊傳輸 IN端點和一個等時傳輸OUT端點?! ?br />
2 CC2531芯片簡介
CC2531是TI公司針對2.4 GHz ISM頻帶推出的第二代支持ZigBee/IEEE 802.15.4協議的片上集成芯片。其內部集成了高性能射頻收發器、工業標準增強型8051 MCU內核、256 KB Flash和8 KB RAM;具有1個USB全速接口、2個USART、8位和16位定時器、看門狗定時器、8路輸入可配置的12位ADC、21個GPIO、AES128協同處理器;硬件支持CSMACA、數字化的RSSI/LQI和強大的DMA功能,具有電池監測和溫度感測功能?! ?br />
CC2531全速USB接口的結構如圖2所示。其特性如下:
◆ 全速操作(12 Mbps);
◆ 6個端口,端口0為控制端點,其余5個為數據傳輸端點;
◆ 具有1 KB SRAM(FIFO)存儲USB數據包;
◆ 端口支持的數據包大小為8~512字節;
◆ 支持雙緩沖傳輸模式。

圖2 USB接口結構圖
端點0(EP0)為控制端點,枚舉階段的通信都是通過該端口完成的。端點1~5(EP1~5)可以通過SFR配置為等時、塊、中斷3種傳輸方式。其中塊傳輸端點和中斷傳輸端點對應的USB寄存器設置是一樣的,但在固件方面具有不同的屬性。同時為了加快數據傳輸,還可以使用雙緩沖模式。在配置各個端點的屬性之前,必須通過特殊寄存器USBINDEX來選擇不同的端點,以此來選擇當前進行配置的端點寄存器組?! ?br />
[page]
3 USB通信的實現
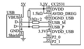
CC2531的USB硬件連接很簡單,如圖3所示。采用USB總線供電方式,通過電壓轉換芯片AM11173.3為硬件電路提供3.3 V電壓(圖中未畫出)。由于該設備為全速設備,因此D+信號線通過電阻上拉。

圖3 CC2531的USB硬件連接
按照CDC類抽象控制模型對端點的需求,采用端點0作為控制端點,完成設備的枚舉和串口參數的設置。將端點2和端點4分配給數據接口子類,作為IN和OUT端點,虛擬串口的數據傳輸主要在這兩個端點進行。具體的配置如下:
currentLineCoding.dteRate=HAL_UART_BAUDRATE_115200;//波特率設置
currentLineCoding.charFormat=CDC_CHAR_FORMAT_1_STOP_BIT;//1個停止位
currentLineCoding.parityType=CDC_PARITY_TYPE_NONE;//無奇偶校驗
currentLineCoding.dataBits=8;//8位數據
USBINDEX=0x02;//選擇端點2
USBCSIH=0x01; //方向:IN塊傳輸,雙緩沖模式
USBMAXI=0x20;//最大包數目 256字節(8字節為單位)
USBINDEX=0x04;//選擇端點4
USBCSOH=0x40;//方向:OUT等時傳輸,單緩沖模式
USBMAXO=0x20;//最大包數目 256字節(8字節為單位)
下面以IN端點2為例,說明數據如何通過USB接口傳遞到電腦上。當電腦發出IN請求時,如果USB端點2的FIFO非空,就向電腦發送FIFO里的內容;如果FIFO為空,則向電腦發送一個空包作為回應。CC2531通過寄存器位USBCSIL.INPKT_RDY來控制電腦和8051 MCU內核對USB的FIFO的使用權。當INPKT_RDY=1時,電腦正在對USB端口進行訪問,8051 MCU內核無法向FIFO內寫入數據;當INPKT_RDY=0時,8051 MCU內核可以將發送數據寫入FIFO內,置位INPKT_RDY=1,完成數據的上傳。其流程如圖4所示。

圖4 端點2數據流程
4 溫度采集的實現
采用CC2531作為溫度數據的匯聚節點,采用IEEE 802.15.4協議組成一個由10個采集終端組成的星狀網絡,對終端節點的溫度進行采集。終端節點硬件由CC2530實現,溫度傳感器采用DS18B20.上位機由Visual C++編寫,實現數據的實時顯示,并實現數據的存儲和歷史溫度查詢。CC2531的USB設備描述符里聲明PID=0x1000,VID=0x0451,UBS驅動采用Windows XP系統提供的usbser.sys.溫度采集結果如圖5所示。

圖5 溫度采集結果
結語
采用CC2531無線單片機,實現了基于USB接口的虛擬串口通信,并詳細介紹了基于CDC類的USB虛擬串口通信的實現。實驗結果表明,數據傳輸率滿足采用IEEE 802.15.4協議的低速無線傳感器網絡的要求,同時又避免了PC端驅動程序的開發,具有一定的實際意義。



