中心議題:
- 汽車無線傳感器結構
- 汽車無線傳感器網絡
- 汽車無線傳感器網絡的生命周期
解決方案:
- 汽車無線傳感器結構硬件設計
- 汽車無線傳感器網絡傳輸協議
- 汽車無線傳感器網絡生命周期計算
在汽車駕駛和車輛診斷方面一般都會用到射頻技術(RF)。按照國際標準的要求,所有車輛的技術應用必須經過詳盡的測試,而這些測試都要基于合理的涉及感測數據采集的實證實驗。因此在汽車行業,無線傳感器網絡的發展是伴隨著典型傳感器和射頻設備的發展而發展起來的。對于汽車測試環境,無線傳感器有三個方面的優勢:第一是體積小,無線傳感器不需要電纜端口;第二是節約時間,無線傳感器節約了將所有傳感器連接到電源和數據線的時間,因此無線傳感器可以更快速地展開和輕松地移動,這樣一來既提高了感測數據的空間分辨率又改善了傳感器網絡的故障容差;第三是在駕駛測試期問,連同傳感器一起可以安全地塞進駕駛艙的數據線的數量得到了限制。
本文具體結構如下:第一部分,給出了無線傳感器的硬件設計方案;第二部分給出了無線傳感器網絡以及通信協議;第三部分主要討論了無線傳感器網絡的使用周期;最后總結了一下整體設計情況。
1 無線傳感器結構硬件設計
1.1 無線傳感器結構圖
無線傳感器體系結構含有電源單元、感應模塊、無線通信模塊、微控制器。硬件設計結構如圖1所示。

圖1 無線傳感器結構圖
1.2 電源單元
無線傳感器通常的工作電壓范圍為3.0V~3.6V。此次電源設計加入了TLFA274穩壓器(如圖2所示),可轉換3V~40V的電壓,比如通常使用的小型電池或者是汽車電池,給使用者帶來了很大的方便。

圖2 電源模塊硬件電路設計
1.3 感應模塊
為了盡量減少電量的消耗,感應模塊(如圖3所示)在測量之前接通電源,之后立刻關閉(快速的開關切換對器件并沒有影響)。

圖3 感應模塊硬件電路設計
[page]
1.4 無線通信模塊
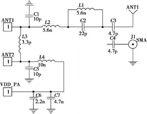
由于不同品牌汽車的差異性,造成了射頻技術(RF)運行環境的不確定性。無線通訊模塊必須滿足兩個基本的設計標準:第一,多頻段通信,選擇低功耗的射頻(RF)芯片,即433/868/915 MHz頻段收發器nRF905和2.4GHz頻段nRF2401收發器;第二,兩種可供選擇的天線(如圖4所示),PCB(簡潔、低功耗,但難調節)和外部天線(與PCB相反)。不同射頻頻段和天線之間具有切換的功能,以保證通信暢通,特別是在引擎艙和駕駛艙之間有厚金屬板擋板的車輛中。

圖4 無線傳感器射頻天線示意圖
1.5 微控制器
對微控制器芯片選擇Atmel ATmega88,因為它具有低功耗,還有待機模式和主動模式的快速轉換功能,所以無線傳感器能夠在非常短的時間完成數據的測量和傳輸;它有一個內置的掉電檢測電路,可用來提醒用戶傳感器網絡電池是否需要更換;它還有一個內置的A/D轉換器,可以將傳感器的模擬信號轉換成具有10位數字值的數字信號(零代表0V,210-1代表電源電壓和最大可能電壓)。
以上只是說明了單個無線傳感器的設計。然而,在實際的汽車測試環境中,還必須考慮有多少個傳感器在同時工作,有多大量的數據需要傳輸。
2 無線傳感器網絡
無線傳感器的數據通信將用到時分多址通信協議。使用時分多址(TDMA)意味著只有有用的數據才能在通信模式(較高功率)下傳輸和接受,因此無線傳感器其他任何時候都處于即時通信模式。我們假設一個無線傳感器(主)作為恒定的數據接收器(星形拓撲網絡),且無線傳感器是有汽車電池供電(所以無需考慮主無線傳感器的電源問題),除了發揮中央處理器的作用外,當所有子無線傳感器開始傳輸數據的時候,主無線傳感器會同步返給子無線傳感器一個專門的請求信息。
兩個收發器240位射頻數據包,采用十五個16位的數據包(3位配給具有5通道的A/D轉換器,10位配給感測數據,3位剩余)。10ms的窗口時間足夠接收器處理單個數據包,最小的TDMA也要5ms的間隔。
下面計算一下此網絡可負載無線傳感器的最大數量,即一個TDMA網絡可以支持的數值。
定義:NP=數據包中的數據位號=240;MB=測量尺寸(位數)=16;SIl=采樣時間間隔(用戶自定義單位:秒);SN=傳感器數量(用戶自定義 單位:秒);TT=使用TDMA協議時,每個收發器所需最小時間=5ms;MT=MCU處理每個數據包所需要的最小時間=10ms。
基于以上定義,以下數據可以計算的變量為:
Sp=樣品包數=
=15;TA=平均傳輸時間間隔;TM=每個主傳感器在TDMA協議下傳輸和處理的平均窗口時間(單位:毫秒);
傳感器按采樣時間間隔率每采樣15次將發送一個數據包,平均傳輸時間間隔是這樣的:TA=SP*SI。
如果每一個TA傳感器傳送一個數據包,那么每一個傳感器可以獲得一個時分多路復用的時間窗。為了精確計算時間槽的大小,間隔時間必須除以網絡的節點數。1000轉換為毫秒如下:

無線傳感網絡能夠支持的最大無線傳感器的數量取決于所抽樣的時間間隔(SI)。一旦合適的時間間隔被選定(基于輸入的改變速率),使用公式(1)確定節點的數目和TDMA時隙數。
[page]
利用溫度傳感器作為感應器,如果需要一個1s的采樣間隔,那么主節點可以處理的最大節點數為1400(10.714ms的TM)主節點已經達到10ms,如圖5(b)所示。

圖5 溫度傳感器兩種采樣間隔與信源數目對比
在本節中研究了無線感應器的傳輸協議,并表明該設計可以達到相對較高的空間分辨率(大于1000個節點規模的汽車)。但是,如果傳感器耗電量過快,就需要定期更換上千個電池,這樣一來,實際上是限制了空間分辨率。因此,這就需要考慮無線傳感器網絡的生命周期。
3 傳感器網絡的生命周期
無線傳感器的三個主要消耗電能的模塊是:感應模塊、無線通信模塊和微控制器模塊,如表1所示。這三個模塊主要有兩個操作模式:關機模式和工作模式。在這兩種模式下分析了每種模塊的功耗,以及總的消耗量。

此外,使用一個標準為500mAh電池,這是由供應所需要的電流不能降低,要扣除20%的理論量。因此,要計算出平均壽命(小時),計算公式為:

BS=電池供電一小時=500mAh;AO=工作模式下傳感器電流量=453.581μA;
AOF=關機模式下傳感器電流量=17.479μA;TO=傳感器處于工作模式的時間率(%)。
4 結束語
本文詳細介紹了單個無線傳感器的硬件設計方案和無線傳感網絡傳輸協議,可方便快捷收集大量汽車測試環境中的真實數據。此設計比較靈活,能夠使用多種帶寬、天線、電源、傳感器類型。采用無線傳輸方式對車輛各部狀況進行測試,大大改善了測試設備對真實環境的影響,使測試數據更加真實。但是在實際的測試環境中,往往采用無線星型網絡拓撲結構,有多個射頻發射裝置,有可能造成互調失真。無線信號在車輛周圍有可能多次傳播(反射、衍射等),導致噪聲的發生。這些問題都將有待進一步實驗和調試。由于外部振蕩器的功率消耗比較大,所以將在內部使用一個相對精確的內部振蕩器;由于較高的時鐘誤差率,必須定期進行重新同步,以達到預期的通信性能。



