- 詳解動力電池組均衡設計原理及意義
- 利用兩個相同的電池組來評估兩種基本的電池管理策略
- 對硬件進行設計
- 設計一個電池監視系統 (BMS)
引言
隨著電池作為電源使用而日益受到歡迎,又出現了一種同樣強勁的需求,即最大限度地延長電池的使用壽命。電池不平衡 (即組成一個電池組的各節電池的充電狀態失配) 在大型鋰離子電池組中是個問題,這個問題是由制造工藝、工作條件和電池老化的差異造成的。不平衡可能降低電池組的總容量,并有可能損壞電池組。不平衡使電池從充電狀態到放電狀態都無法跟蹤,而且如果沒有密切監視,可能導致電池過度充電或過度放電,這將永久性地損壞電池。電池制造商按照容量和內部電阻對混合電動型汽車以及電動型汽車電池組中使用的電池進行分類,以在交付給客戶的特定批次中,減少電池之間的差異。然后,再仔細挑選電池來構成汽車電池組,以改善電池組中每兩節電池之間的匹配。理論上,這應該能防止電池組中產生大量的不平衡,但是盡管如此,普遍的共識是,當構成大型電池組時,既需要電池監視、又需要電池平衡,以在電池組壽命期內保持大的電池容量。
要理解平衡的重要性,第一步是利用兩個相同的電池組來評估兩種基本的電池管理策略。該測試將探究,在電池壽命期內,電池組的總容量是怎樣受到影響的。為了評估這兩種策略,要設計一個電池監視系統 (BMS)。該電池監視系統由 3 個部分組成:監視硬件、平衡硬件和控制器。用在測試中的電池監視系統能監視電池電壓和電池負載電流、平衡電池,并能控制電池與負載及電池充電器的連接。
監視硬件
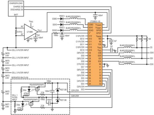
一個簡單的電池監視器和平衡系統如圖 1 所示。該電池監視系統的硬件是圍繞高度集成的 LTC6803-1 多節電池監視 IC 設計的。每個 LTC6803-1 能測量多達 12 節電池,并允許以可連接多個 IC 的串行菊花鏈形式連接,從而使一個系統能通過一個串行端口監視超過 100 個電池。當設計一個電池監視系統時,某些規范應當給以特殊考慮,首先是電池電壓準確度。當試圖決定單個電池的充電狀態時,電池電壓的準確度至關重要,而且一節電池能否在接近工作極限的條件下工作,電池電壓的準確度是限制因素之一。LTC6803 具 1.5mV 的分辨率,準確度為 4.3mV。這將允許該控制器就電池狀態做出準確決策,而不論使用的是什么樣的電池化學組成。其次,電池組不平衡的一個主要來源是,電池監視電路本身的電源和備用電流的差異。在汽車應用中,備用電流尤其重要,因為大多數汽車在大部分時間里都是熄火的,這時電池監視系統處于備用模式。LTC6803 僅具 12uA 備用電流,電流范圍規定為 6uA 至 18uA,從而可保證在一個大型電池組中,最嚴重的不平衡為 12uA,這使每月不平衡低于 10mAhr。有兩個 ADC 輸入可用來監視電池溫度或其他的傳感器數據。圖 1 中顯示的設計用 Vtemp1 輸入測量電池電流。電流用 LT1999 測量。LT1999 是一款高壓雙向電流檢測放大器,具 -5V 至 80V 的輸入范圍,而且在本文所述測試情況下,設置為監視電池組高壓端的 ±10A。LTC6803 上的兩個 GPIO 引腳用來控制一個有源負載和一個充電器。當充電結束或達到放電點時,這允許 LTC6803 斷開電池與充電器或負載的連接。

圖 1:6 節電池監視系統的簡化原理圖。LTC6803 測量電池電壓并
控制外部電池放電晶體管。LT1999 測量至電池組的充電和放電電流。
[page]控制外部電池放電晶體管。LT1999 測量至電池組的充電和放電電流。
平衡硬件
利用跨電池組中每一節電池的旁路電阻器和開關實現無源平衡硬件。平衡電阻器的使用一般采用兩種方式之一 (圖 2)。電阻器可用來導引充電電流繞過電池,以便具較低充電狀態 (SOC) 的電池能以較高的速率保持充電,而不會使具有高 SOC 的電池有過充電和損壞的風險。該電阻器也可用來使具較高充電狀態的電池泄放過多的電荷,以使這些電池與具較低 SOC 的電池實現均衡。

圖 2:無源電池平衡的兩種選擇。電阻值決定主要功能
硬件設計的主要關注之處是確定合適的平衡電流,該電流由所用旁路電阻器的值設定。所需的平衡電流大部分取決于電池的容量、可允許的平衡時間、預期的不平衡程度以及電阻器將怎樣使用。如果電阻器用來旁路充電器的電流,那么它將設定為分流幾個安培的電流。如果平衡電阻器用來泄放過多的電荷,那么該電阻器的大小要滿足所希望的平衡時間。無源平衡僅能糾正源自電池組加載的 SOC 不平衡,而電池組加載則是由電池監視電路、電池本身放電以及內部電阻效應引起的。如果持續監視,那么這些 SOC 不平衡的來源每天應該僅產生少量的不平衡。用于這次實驗室評估的電池監視系統采用了一個 33Ω 的平衡電阻器,該電阻器設定大約 100mA 的平衡電流,就小型電池而言,這一平衡電流很大,但是這樣的平衡電流允許平衡操作用更短的時間來完成。
控制策略
電池監視系統硬件的控制程序設計為既監視電池狀態,又管理電池不平衡。該系統的無源平衡功能可以接通或斷開,以決定平衡對電池組的影響。實驗室測試在Turnigy公司制造的兩個相同的電池組上以及通過多個充電 / 放電周期進行。為了比較方便,僅監視第一個電池組,以確保每節電池的電壓都保持在正常工作范圍。第二個電池組既受到監視,又接受周期性無源平衡。這個實驗中使用的兩個電池組由 6 個串聯鋰離子聚合物電池組成,總容量為 2.2AHr。單個電池的最大終端電壓為 4.2V,最小終端電壓為 3V。為了模擬實時使用情況并加速老化,兩個電池組都在電池監視系統的監察下連續充電和放電。放電周期采用固定的 2C 至 3C、4.4A 至 6.6A 速率,同時電池以 1C 至 2C、2.2A 至 4.4A 的恒定電流充電。基本監視系統設定為監視單個電池電壓的欠壓和過壓情況以及任何過流故障。在放電時,電池組中任何電池達到 3.005V 的欠壓限制都會終止放電周期。在充電周期,如果電池組中的任何電池達到了 4.19V 的過壓狀態,電池充電就終止。每個電池組都重復充電和放電 100 個周期,以加速老化。
無源平衡的目標是調節電池組中所有電池的 SOC ,以便能夠從電池組中安全地抽取最多的能量。無源平衡器不產生或向電池組提供電荷,這意味著,電池組中容量最低的電池將決定電池組的有用容量。為了最大限度地提高電池組的容量,平衡器需要確保使容量和 SOC 較低的電池完全充電和放電。僅當電池能完全充電和完全放電時,該電池存儲的總能量才能使用,這意味著最薄弱的電池應該是最先完成充電和放電的電池。對無源平衡方法的主要擔心之處是,能否識別具較高容量的電池。電池的 SOC 體現在電池的開路電壓中,也是剩余能量的百分比指示器。兩節電池有相同的 SOC ,不意味著這兩節電池存儲了相同數量的能量,與容量較低的電池相比,在給定 SOC 下,容量較大的電池存儲的能量總是更多。
平衡軟件控制算法用來利用充電器協調平衡,而且在充電周期開始時啟動。既然無源平衡僅能從電池組去除能量,那么當電池組放電時,平衡就沒有意義了。這也消除了使容量較低的電池和容量較高的電池 SOC 相等的可能性,這在放電時會降低可用容量。充電周期一啟動,就將電池電壓存儲起來,然后才連接充電器。在充電周期開始時,平衡器應該決定哪一節電池的電壓最低,這節電池將被稱為 Clow。充電周期結束的標志是,某一節電池達到預定的最大電壓限制,當充電周期結束時,電池電壓再次存儲起來。在兩種情況下,電池電壓都是用無負載電流測量的,而且經過了短期穩定。如果充電周期結束后,所測得的 Clow 電壓不是最高電壓,那么就需要平衡。充電周期之后 Clow 的電壓設為 Vbalance。對于電池組中所測得的電壓高于 Vbalance 的電池,要啟動泄放電阻器。平衡開關應該保持接通,直到所有電池電壓都等于 Vbalance 電壓為止。達到平衡以后,電池恢復充電,以使電池完全充電。為了觀察無源平衡的影響,做了兩個測試,結果如下。
測試結果:電池組 1
電池組 1 經過了 100 個充電 / 放電周期,圖 3 顯示若干周期后記錄 6 節電池的電壓。該圖顯示,經過短暫停頓后,在一個完整的充電周期結束時所測得的電池電壓。充電后,電池電壓之間的不平衡與容量和內部電阻的小量變化有關。在第一個完整的周期中,測得的電池組容量為 2.072AHr,經過 100 個周期后,所測得的容量為 2.043AHr,隨著周期數增加,容量有少量下降。還有一種趨勢,即隨著充電 / 放電周期數的增加,充電后電池的最終電壓下降了,100 個周期以后,這種趨勢尤其顯著。這種趨勢最有可能是因為電池老化引起電池內部電阻的小量增加導致的。內部電阻增加使電池更快地達到充電結束門限。盡管在工作時沒有平衡,這個電池組在 100 個周期中自始至終保持著同樣程度的不平衡。能像這個電池組一樣,每節電池自然而然相互匹配的電池組相當罕見。




