- 基于光電跟蹤檢測調試儀的研制
- 檢測調試儀設計
- 采用方位鎖定機構
- 對檢測調試儀硬件軟件的設計
首先介紹了光電跟蹤儀鎖定機構檢測調試儀研制的必要性和緊迫性,接下來介紹了方位鎖定機構的特點及主要功能是完成對設備方位鎖定機構狀態的檢測,能夠在單板上實現對方位鎖定機構加鎖、解鎖的控制,并能夠判斷鎖定機構狀態,實現脫離整機單獨調試、排故,并以此制定出檢測調試儀的設計方案。對硬件和軟件設計部分作出詳盡介紹,最后對光電跟蹤儀鎖定機構檢測調試儀的優點作以總結:結構簡單、操作簡單,為工作提供極大便利。
檢測調試儀的主要功能是完成對設備方位鎖定機構狀態的檢測,能夠在單板上實現對方位鎮定機構加鎖、解鎖的控制,并能夠判斷鎖定機構狀態,實現脫離整機單獨調試、排故。設計中采用89C52單片機作為處理器,實現對方位鎮定機構的各項檢測。
1 某光電設備鎖定機構簡介及檢測調試儀方案
1.1 方位鎖定機構
鎖定機構在現代機電產品中有著極其廣泛的應用。常用的鎖定機構有手動和自動兩大類。某光電跟蹤儀采用小功率直流電機驅動的鎖定機構,配合一定的電氣回路和控制程序,該鎖定機構可以在系統總電源通時自動松開,系統斷電時自動鎖定。該鎮定機構的工作原理是:控制信號控制電機兩個方向轉動,推動凸輪對方位機構進行加鎖或解鎖。
加鎖狀態下,計算機檢測光電開關輸出(上)信號,若為低電平,則輸出加鎖控制信號到電機,控制凸輪向上運動,擋片(圖1中虛線所示)隨凸輪運動逐漸擋住光電開關(上)發光部分,K1停止工作,光電開關輸出(上)變為高電平,即加鎖到位信號,控制計算機接收高電平并撤銷對電機的控制信號;解鎖狀態下,計算機檢測光電開關輸出(下)信號,若為低電平,則輸出解鎖控制信號到電機,控制凸輪向下運動,擋片隨凸輪運動逐漸擋住光電開關(下)發光部分,K2停止工作,光電開關輸出(下)變為高電平,即解鎖到位信號,控制計算機接收高電平并撤銷對電機的控制信號。

鎖定機構工作,控制計算機和鎖定機構之間要經過多塊控制板,接口板等電路板以及20m長線傳輸進行通訊,尤其是經過20 m長線后主機和方位機構已經不處于同一艙室,當故障發生時,故障定位難度可想而知。
本設計的主要工作是通過檢測裝置對方位鎖定機構單獨供電,通過單片機89C52實現對光電開關輸出(上)、(下)信號的自主檢測,并控制電機雙向轉動,實現對方位鎖定機構的各項功能檢測。檢測調試儀具體設計設計方案如下:1)處理器采用89C52單片機,實現自主采集方位鎖定機構的狀態信號,如加解鎖到位信號等,并通過程序判斷機構狀態,控制電機工作狀態;2)由于程序執行會有一些時延,為防止機構加鎖到位或解鎖到位時由于單片機未能及時切斷控制信號而導致硬件損傷,故設計中要有硬件保護電路;3)設計中要保證電路有足夠驅動能力,采用SN54LS245作為驅動;4)檢測儀工裝中要有測試端口和各類指示燈,如電源,復位,加解鎖到位燈等,以及復位等按鈕;5)電源轉換模塊,實現28 V轉5 V,為單片機等供電;6)具有完備的檢測程序,能夠對鎖定機構進行完整檢測。
[page]
2 檢測調試儀設計
2.1 硬件設計
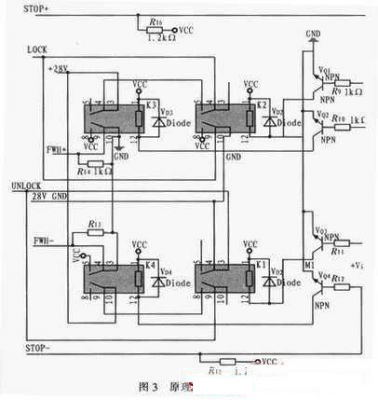
如圖2所示,單片機通過讀取外來信號D0—D5,程序內部判斷后對鎖定機構進行加鎖或解鎖控制,控制信號通過SN54LS245驅動后,控制圖3中繼電器的吸合來控制電機工作。沒有加解鎖控制信號或到位信號輸入時,繼電器K1、K2、K3、K4都處于3、4和9、10導通狀態;當信號控制時,繼電器K1、K2、K3、K4處于4、5和8、9導通狀態。

當信號D0-D5為10000時,單片機通過P10口對方位鎖定機構發出加鎖命令,控制命令經SN54LS245驅動后作用于R9和VQ1,VQ1導通后,繼電器K2的4、5導通,輸出+28 VLOCK信號控制電機進行加鎖。完全鎖定后,光電開關輸出(上)信號輸出高電平即圖3中STOP+,STOP+通過上拉電阻R16作用于R10和VQ2,VQ2導通后,繼電器K3的4、5和8、9導通,+28 V LOCK信號切斷,硬件上先停止加鎖控制,防止造成機構硬件損傷。而K3的8、9導通后,FWH+輸出+5 V電平給單片機,單片機接收信號后,終止加鎖命令,VQ1截止,K3恢復常態。解鎖過程和加鎖過程類似,在此不作贅述。

[page]
2. 2 軟件設計根據上述工作過程,軟件設計流程圖如下。

該檢測調試儀可以在系統斷電的狀態下,通過外部電源供電,很好地控制鎖定機構的各個方向的運動,完成對鎖定機構全方位的檢測,這大大方便了故障定位,減少了排故時對系統造成的損害。該裝置還可以作為調試工具,對鎖定機構進行上整機之前的單獨調試,這對降低系統故障率有很大幫助。
該檢測調試儀未設計在線調試功能,故障監測性差,下一步的改進中,將實現用串口通信實時檢測測試信號,這樣在整機調試中,可以在線監測系統對鎖定機構的控制信號。
4 總結
該檢測調試儀工裝具有以下特點:
結構簡單,便于攜帶,只需用艦船配備28 V電源即可工作;電路結構簡潔,可靠性好;操作簡單,單人即可完成,節省人力。
實驗證明,該鎖定機構檢測調試儀能夠在跟蹤儀不加電狀況下,獨立完成對方位鎖定機構的全方位檢測。這為今后的調試工作,以及設備的售后維護和維修工作提供了極大的便利,為高效率的工作奠定了良好的基礎。



