【導讀】本文介紹了使用MSP430作為主處理器實現可充電的觸屏遙控模塊,該設計方案支持紅外(IR)信號傳輸,且可擴展RF和NFC無線傳輸方式;用戶輸入采用觸摸按鍵實現,設計簡潔美觀;系統可由電池供電,且自帶可充電模塊,支持多種觸摸按鍵實現方式,設計簡便靈活。
1 原理介紹
1.1 電容式觸摸按鍵原理
觸摸按鍵在電子設備中得到越來越多的應用。用觸摸按鍵實現人機交互的電磁爐,微波爐,電冰箱等家電產品越來越受青睞,預計未來會有越來越多的觸摸按鍵產品取代傳統的機械式按鍵產品。觸摸按鍵具有堅固耐用,反應速度快,節省空間,美觀大方,易于清潔等諸多優點。觸摸式按鍵可分為四大類,電阻式,電容式,紅外線式及表面聲波式感應按鍵。其中電阻式,紅外線式和表面聲波按鍵主要應用于觸摸屏中,在單個按鍵中很少使用。本方案將重點討論電容式觸摸按鍵在單個按鍵中的應用。
電容式觸摸按鍵采用電容量為判斷標準,在觸摸按鍵的設計中,它具有一些優點,例如可直接集成在PCB中,觸摸感應區域外形尺寸設計靈活,相對成本較低等等。簡單來講,電容式觸摸按鍵在按下的時候改變了電容值,從而改變電路振蕩周期,通過對振蕩周期改變值的檢測實現對按鍵的檢測。圖1是電容式觸摸按鍵原理示意圖。

圖1:觸摸按鍵原理示意圖
空載狀態下,感應區域電容由材料和結構決定(圖1左上圖),電容值為C1+C2。變化電容基于寄生效應,主要由外界導體與PAD之間的寄生電容組成(圖1右下圖),手指按下,寄生電容值變化,容值為C1+C2+C3||C4。將此電容接入電路組成振蕩器,電容值的改變導致振蕩電路輸出頻率變化,通過測量輸出頻率判斷按鍵的觸發狀態。
按鍵感應區域設計需要避免誤觸發以及兼顧靈敏度。通常來說,單個按鍵感應區域需要做的足夠大,以達到識別按鍵目的;相鄰按鍵感應區域應保持一定距離,避免誤觸發;觸摸感應區形狀原則上可任意,單個按鍵以圓形、方形為佳。
1.2 紅外信號傳輸原理
紅外遙控原理可參考文檔[2]。本文采用NEC協議編碼,簡單說是通過脈沖串之間的時間間隔來表示邏輯“0”和邏輯“1”。載波信號頻率為38k,邏輯“1”用 0.56ms 的 38k 載波和 1.5ms的無載波表示,邏輯“0”用0.56ms 的載波和0.56ms 的無載波表示,幀頭用9ms 載波加4.5ms無載波表示。編碼幀格式參考圖2,具體格式定義可根據實際情況稍作修改。

圖2:紅外編碼數據幀格式
TI的MSP430系列MCU自帶Timer,可方便產生38k載波,編碼時的載波有無控制可由Timer的 PWM輸出模塊實現。其PWM輸出模塊可配置成7種輸出方式,可方便實現上述編碼。采用MSP430的Timer的PWM輸出功能,僅需要一個Timer和一路PWM即可輕松實現紅外編碼,無需額外硬件,軟件實現簡單。為系統設計節省成本和開發時間。
1.3 可充電觸屏遙控模塊方案設計
傳統的遙控模塊采用機械按鍵實現,本方案采用觸摸按鍵設計,按鍵和顯示在同一塊LCD 屏上,外形時尚、美觀。本方案作為參考設計,除了遙控器基本功能(按鍵,顯示,發射,按鍵聲)外,還設計了充電和USB模塊,并擴展了RF和NFC接口。可充電方式提高了靈活性,用戶僅需要充電而不必更換電池。USB模塊可實現和PC端應用軟件通信。本方案不僅僅是遙控器方案,在其他應用領域,本方案也有很大的參考價值,用戶僅需要根據需求對本方案功能模塊進行裁剪即可。本方案電源模塊支持電池供電和USB或直流適配器充/供電;觸摸按鍵采用比較器B實現;RF和NFC模塊采用SPI和MCU接口;MSP430自帶的USB模塊可方便與PC端應用軟件接口,實現PC和MCU的雙向通信。系統框圖如圖3所示。

圖3:系統框圖
[page]
2 設計實例
2.1 硬件設計
2.1.1 電源模塊設計
本系統采用電池供電,且設計了充電電路,支持USB或直流充電。電源經LDO穩壓后輸出3.3V供給MCU,保證MCU工作電壓的穩定。其電路實現如下圖4所示。

圖4:電源模塊電路設計
2.1.2 LCD及背光模塊設計
MSP430F6638自帶LCD控制器,可方便地驅動段式LCD屏。屏幕背光亮度由Timer輸出PWM波控制,調節方便。背光電路設計如圖5所示。通過改變PWM的頻率和占空比,可改變背光亮度,從而改變LCD屏視覺效果。

圖5:背光電路設計
2.1.3 觸摸按鍵設計
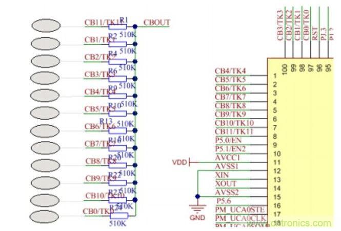
MSP430F6638自帶比較器B,最多可支持12個觸摸按鍵,比較器B的輸出接入Timer的CLK輸入端,當手指按下,觸摸感應區電容值發生了變化,比較器翻轉周期變長,比較器輸出作為 Timer的計數脈沖,在固定的時間內計數值變小,根據固定時間內Timer計數值的變化來判斷按鍵動作。通過合適配置寄存器和軟件算法處理,可實現觸摸按鍵檢測。電路設計如圖 6所示。注意為了降低噪聲,每通道外接電阻不宜過小,可選500k左右。比較器B 翻轉電平通過配置寄存器實現。

圖6:觸摸按鍵電路設計
[page]
2.1.4紅外發射模塊設計
紅外模塊采用普通紅外管實現,通過配置Timer輸出合適的PWM波實現紅外編碼。紅外發射瞬間電流較大,通過MCU的GPIO控制三極管驅動紅外發射燈管,提高發射電流。紅外發射模塊需配合接收模塊采用同樣的編碼格式實現通信。紅外模塊電路圖如圖7 所示。

圖7:紅外發射模塊
2.1.5 USB模塊設計
MSP430F6638自帶USB模塊,可實現USB通信,其硬件設計簡單。本文用USB虛擬UART實現和PC通信。關于USB調試請參考TI官網資料[4]。
2.2 軟件設計
2.2.1嵌入式軟件設計
系統軟件流程如圖8所示。無按鍵動作時,系統運行RTC,顯示當前時間,溫度且把時間,溫度以及按鍵狀態(每個按鍵動作有無)信息發送給PC。當有按鍵按下后,除了上述功能外,系統還將執行按鍵上層邏輯,比如是否進入時間設定模式,是否開蜂鳴器以及發射哪種紅外碼等等。

圖8:軟件流程圖
[page]
2.2.2 PC端軟件設計
為了方便實現人機交互,使用C Sharp語言開發了配套的PC端軟件實現和MCU的雙向通信。通過PC端軟件可查看DEMO的當前狀態,包括時間,溫度,按鍵動作等,另外也可通過PC端改變DEMO背光的亮度。PC端軟件如圖9所示。

圖9:PC端軟件
DEMO通過USB線與PC端COM口連接,MSP430F6638的USB通過軟件協議虛擬UART,在PC端選擇合適的COM端口號可實現PC軟件和DEMO的互連。圖9中左圖反映DEMO的實物,當有按鍵按下的時候,對應的按鍵圖標閃爍一下,同時在記錄框輸出文字記錄這個動作(Button xx Pressed!)。最下面圖表則實時顯示當前溫度信息。
2.3 DEMO展示
DEMO實物如圖10所示。鍵盤區12個按鍵,每個按鍵按下圖標會閃爍一下,同時蜂鳴器會響 0.3s左右。每個按鍵做了不同功能,可根據需求發射不同的紅外碼實現遙控器的功能。演示DEMO 中代碼支持RTC和溫度計功能,支持靈活調整時間,同時可通過PC端軟件來調節屏幕背光。DEMO還可擴展光傳感模塊,可根據環境光強弱智能調節背光亮度,達到較好的視覺效果。
該DEMO具有通用性,在所有需要顯示和人機交互的微控制系統中均可參考此方案,只需對FW 做簡單修改即可實現所需功能。同樣,MSP430系列眾多的產品線為客戶提供了不同成本的多種選擇。客戶可根據具體需求選擇合適的MCU和合適的代碼模塊組合,以實現最高的性價比。

圖10:DEMO實物
本方案使用MSP430F6638作為主處理器,展示了用其實現觸屏遙控器的電子模塊設計實例。在遙控器,無線設備以及其它需要按鍵和顯示的應用場合均可參考本方案。MSP430富的產品線也為前述應用場合提供了豐富的選擇,客戶可根據具體需求選擇合適的產品,達到最優性價比。



