【導讀】如今,800V 電池被用來提高交流電機驅動的效率并縮短電池充電時間。電動汽車牽引系統中的 2L 逆變器有一些缺點:即輸出電壓的總諧波失真 (THD) 高、開關損耗增加、EMI 噪聲高以及電機軸上的感應電壓(主要用于電力)時出現的軸承電流問題。額定值高于 75 kW)克服了軸承潤滑油膜的絕緣能力。這會導致電流流過軸承,從而產生凹槽——滾道上特有的凹槽和磨砂坑,從而損害軸承的負載能力。
機器學習架構的優點
3L 逆變器可以在高功率水平下運行,具有較低的諧波失真和開關電壓應力,使其成為電動汽車應用的有力競爭者。
如今,800V 電池被用來提高交流電機驅動的效率并縮短電池充電時間。電動汽車牽引系統中的 2L 逆變器有一些缺點:即輸出電壓的總諧波失真 (THD) 高、開關損耗增加、EMI 噪聲高以及電機軸上的感應電壓(主要用于電力)時出現的軸承電流問題。額定值高于 75 kW)克服了軸承潤滑油膜的絕緣能力。這會導致電流流過軸承,從而產生凹槽——滾道上特有的凹槽和磨砂坑,從而損害軸承的負載能力。
這些挑戰可以通過機器學習架構來解決。與 2L 逆變器相比, ML逆變器提供額外的輸出電壓水平和低相電流紋波,具有更好的效率、功率密度、熱性能和 EMI 行為。這種改進取決于較低的 THD 和共模電壓 (CMV) 水平。此外,基于WBG的ML拓撲,特別是3L-T逆變器和3L-NPC逆變器,在更高的效率和EMI性能方面脫穎而出。
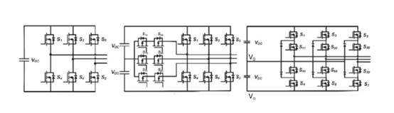
2L和3L逆變器型號
出于比較目的,考慮了三種拓撲:2L 逆變器以及 3L-T 和 3L-NPC 逆變器,如圖 1 所示。
圖 1(右)中的 3L-NPC 逆變器由三個支路組成,每個支路包含四個串聯連接的開關(IGBT 或 SiC MOSFET)。每個開關上施加的電壓是傳統 2L 逆變器電壓的一半。通過串聯相等的總線電容器將總線電壓分成兩半,并且每個支路通過插入兩個鉗位二極管來完成,這提供了到中性點的連接。 2L 逆變器只能將輸出連接到正母線或負母線,而 NPC 逆變器可以在輸出上產生三種電壓電平:直流母線正電壓、直流母線負電壓和零電壓,以生成更正弦的輸出波形,以實現減少諧波失真。考慮單腿操作,當S 1和S 11導通時,輸出連接至V DC;當S 11和S 44導通時,輸出連接至中點電壓V 0 ;當S 44和S 4導通時,輸出連接至V n。由于S 11和S 44在一個周期內導通時間較長,因此它們比S 1和S 4承受的損耗更高,但開關損耗更少。
與 NPC 拓撲不同,T 型逆變器沒有鉗位二極管,從而減少了元件數量。由于采用單個外部開關器件(而不是兩個串聯器件),它還表現出較低的傳導損耗,但同時,與 NPC 逆變器相比,這會導致阻斷電壓降低。因此,與 3L-NPC 相比,3L-T 逆變器在較低頻率下表現更出色。 3L-T雙向輔助開關在中性點和負載端之間提供可控路徑;通過選擇性地打開不同的開關可以獲得3L輸出。
電動汽車牽引模型
可以使用直流電源、三種逆變器拓撲和電動汽車上常用的永磁同步電機 (PMSM) 來構建數學模型。,PSIM 等特定工具生成所需的輸出。 Altair 的 PSIM 是一款功能強大的軟件,廣泛用于電機驅動仿真和設計。
可使用數據表使用基本方程來計算導通電阻和損耗:
R on ( T ) = R 0 [1 + K ( T – T init )]; P sw = ( E sw,on + E sw,off ) f ; P條件= I D 2 R上( T )
其中K是 SiC MOSFET 在T時的導通電阻溫度系數,T init是初始溫度,f是開關頻率,ID是漏極電流??偣β蕮p耗包括因開通和關斷而產生的開關損耗以及傳導損耗。
由于逆變器架構之間存在差異,并且在 800V 總線的情況下,2L 拓撲需要 1,200V SiC MOSFET; 3L-T 電路的主開關需要相同的額定電壓,輔助開關需要 650 V 的額定電壓。相比之下,3L-NPC 逆變器采用 650V SiC MOSFET 和 650V SiC 二極管構建。
電磁JMAGRT模型是一種基于有限元分析的仿真工具,可用于評估PMSM的銅損和鐵損。作者選擇的電機功率為 150 kW,額定扭矩為 180 Nm。
效率比較
2L 逆變器中的硅IGBT 和 SiC MOSFET之間的比較表明,基于 SiC 的解決方案具有顯著的優勢。傳導損耗和開關損耗降低了 80%,結溫降低了 35%,從而使冷卻系統更加簡單,并改善了整個系統的重量、尺寸和成本。低扭矩、低速區域的效率提高了近30%,而在額定速度、額定扭矩區域,效率提高了2.8%。更有趣的是正在研究的三個逆變器中涉及 SiC MOSFET 的基準。
在評估效率時,我們可以考慮三種類型的扭矩曲線:逆變器效率、電機效率和整體驅動效率。相關的效率優勢出現在低速區域,從 1,000 rpm 到 3,000 rpm。三個逆變器的效率在此范圍內表現出的變化,特別是逆變器效率曲線。在20 Nm至150 Nm的扭矩范圍內,3L-T在1,000 rpm時表現出更高的效率,比2L高出2.62%。由于高傳導損耗,3L-NPC 在三種拓撲中表現出較低的效率,但當扭矩超過 150 Nm 時,它開始顯著改善,終在略低于 200 Nm 時超過 3L-T。
無論如何,3L-T 和 3L-NPC 的開關損耗都低于 2L,證明了 ML 在電動汽車應用中的切實好處。此外,三種配置在高速(例如從 7,000 rpm 到 12,000 rpm)時的整體驅??動效率保持相同。這可以通過以下事實來解釋:在高扭矩和高速度下,電機效率起著主導作用。順便說一句,ML 逆變器能夠產生諧波含量較低的輸出電壓,從而在電機中產生更多的正弦形磁通量,從而轉化為更高的效率和更平滑的扭矩。逐漸施加旋轉力反過來會產生更少的振動和噪音,從而提高整體性能和舒適度。
3L-NPC 在 150 Nm 的扭矩范圍內實現了效率改進,表明該拓撲結構非常適合在高功率轉換器中運行。
2L 與 ML CMEMI 行為
CMEMI 也稱為共模噪聲,當相對于公共參考地的兩個導體上有不需要的電流流動時,就會出現 CMEMI(圖 2)。這些電流具有相同的幅度和相位,但沿互連傳輸的信號可能不相同。 CMEMI 可能由多種來源產生,但基本機制是明確的:它通常是由通過雜散電容泄漏的噪聲電流引起的。
共模電磁干擾。
圖 2:CMEMI(來源:村田制作所2)
與 2L 逆變器相比,ML 逆變器有助于降低 CMEMI 噪聲,因為 CMV(電源地線與三相負載中性點之間的電壓)水平大幅降低,從而延長了軸承和電機繞組的使用壽命。在評估 CMEMI 性能時,可以構建之前看到的相同模型,其中逆變器和接地之間的寄生電容設置為 600 pF,電機和外殼之間的寄生電容設置為 2 ?F??梢酝ㄟ^施加兩個開關頻率來進行比較:20 kHz 和 50 kHz。
結果證實,高開關頻率會增加 2L 和 3L-T 逆變器的 CMEMI 噪聲幅度,遵循相同的趨勢。另外值得注意的是,在相同頻譜下,2L 逆變器中的 50 kHz 開關頻率意味著比以 20 kHz 運行的 3L-T 逆變器噪聲幅度高出 30 dBμV。實驗還證明,基于SiC的3L-T逆變器在50kHz時的CMEMl噪聲比20kHz時的2L低15至50dBμV。
免責聲明:本文為轉載文章,轉載此文目的在于傳遞更多信息,版權歸原作者所有。本文所用視頻、圖片、文字如涉及作品版權問題,請聯系小編進行處理。
推薦閱讀:
意法半導體披露 2027-2028 年財務模型及2030年目標實現路徑
第104屆中國電子展圓滿收官!盛況空前,煥發電子行業新活力新生態!
射頻全差分放大器(FDA)如何增強測試系統?射頻采樣模數轉換器(ADC)來幫忙!
功率器件熱設計基礎(三)——功率半導體殼溫和散熱器溫度定義和測試方法



