【導讀】從我做開關電源近二十年,算是老手了,我深有體會的是,開關電源最難的是環路參數,非常不好確定,普遍不大穩定就是環路沒有調好,這個是一個大問題了,太多搞不定的就是這個問題了,還有變壓器參數的選擇也是一個難點。以下根據我的工作經驗給大家總結開關電源設計的一些注意事項。
一、電源設計項目前期各個參數注意細節

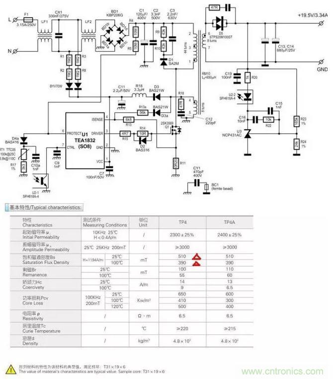
借鑒下NXP的這個TEA1832圖紙做個說明。分析里面的電路參數設計與優化并做到認證至量產。 在所有的元器件中盡量選擇公司倉庫里面的元件,和量大的元件,方便后續降成本拿價格。
貼片電阻采用0603的5%,0805的5%,1%,貼片電容容值越大價格越高,設計時需考慮。
1、輸入端,FUSE選擇需要考慮到I^2T參數。保險絲的分類,快斷,慢斷,電流,電壓值,保險絲的認證是否齊全。保險絲前的安規距離2.5mm以上。設計時盡量放到3mm以上。需考慮打雷擊時,保險絲I2T是否有余量,會不會打掛掉。
2、這個圖中可以增加個壓敏電阻,一般采用14D471,也有采用561的,直徑越大抗浪涌電流越大,也有增強版的10S471,14S471等,一般14D471打1KV,2KV雷擊夠用了,增加雷擊電壓就要換成MOV+GDT了。有必要時,壓敏電阻外面包個熱縮套管。
3、NTC,這個圖中可以增加個NTC,有的客戶有限制冷啟動浪涌電流不超過60A,30A,NTC的另一個目的還可以在雷擊時扛部分電壓,減下MOSFET的壓力。選型時注意NTC的電壓,電流,溫度等參數。
4、共模電感,傳導與輻射很重要的一個濾波元件,共模電感有環形的高導材料5K,7K,0K,12K,15K,常用繞法有分槽繞,并繞,蝶形繞法等,還有UU型,分4個槽的ET型。這個如果能共用老機種的最好,成本考慮,傳導輻射測試完成后才能定型。
5、X電容的選擇,這個需要與共模電感配合測試傳導與輻射才能定容值,一般情況為功率越大X電容越大。
6、如果做認證時有輸入L,N的放電時間要求,需要在X電容下放2并2串的電阻給電容放電。
7、橋堆的選擇一般需要考慮橋堆能過得浪涌電流,耐壓和散熱,防止雷擊時掛掉。
8、VCC的啟動電阻,注意啟動電阻的功耗,主要是耐壓值,1206的一般耐壓200V,0805一般耐壓150V,能多留余量比較好。
9、輸入濾波電解電容,一般看成本的考慮,輸出保持時間的10mS,按照電解電容容值的最小情況80%容值設計,不同廠家和不同的設計經驗有點出入,有一點要注意普通的電解電容和扛雷擊的電解電容,電解電容的紋波電流關系到電容壽命,這個看品牌和具體的系列了。
10、輸入電解電容上有并聯一個小瓷片電容,這個平時體現不出來用處,在做傳導抗擾度時有效果。
11、RCD吸收部分,R的取值對應MOSFET上的尖峰電壓值,如果采用貼片電阻需注意電壓降額與功耗。C一般取102/103 1KV的高壓瓷片,整改輻射時也有可能會改為薄膜電容效果好。D一般用FR107,FR207,整改輻射時也有改為1N4007的情況或者其他的慢管,或者在D上套磁珠(K5A,K5C等材質)。小功率電源,RC可以采用TVS管替代,如P6KE160等。
12、MOSFET的選擇,起機和短路情況需要注意SOA。高溫時的電流降額,低溫時的電壓降額。一般600V 2-12A足夠用與100W以內的反激,根據成本來權衡選型。整改輻射時很多方法沒有效果的時候,換個MOSFET就過了的情況經常有。
13、MOSFET的驅動電阻一般采用10R+20R,阻值大小對應開關速度,效率,溫升。這個參數需要整改輻射時調整。
14、MOSFET的GATE到SOURCE端需要增加一個10K-100K的電阻放電。
15、MOSFET的SOURCE到GND之間有個Isense電阻,功率盡量選大,盡量采用繞線無感電阻。功率小,或者有感電阻短路時有遇到過炸機現象。
16、Isense電阻到IC的Isense增加1個RC,取值1K,331,調試時可能有作用,如果采用這個TEA1832電路為參考,增加一個C并聯到GND。
17、不同的IC外圍引腳參考設計手冊即可,根據自己的經驗在IC引腳處放濾波電容。
18、更改前:變壓器的設計,反激變壓器設計論壇里面討論很多,不多說。還是考慮成本,盡量不在變壓器里面加屏蔽層,頂多在變壓器外面加個十字屏蔽。變壓器一定要驗算delta B值,delta B=L*Ipk/(N*Ae),L(uH),Ipk(A),N為初級砸數(T),Ae(mm2)有興趣驗證這個公式可以在最低電壓輸入,輸出負載不斷增加,看到變壓器飽和波形,飽和時計算結果應該是500mT左右。變壓器的VCC輔助繞組盡量用2根以上的線并繞,之前很大批量時有碰到過有幾個輔助繞組輕載電壓不夠或者重載時VCC過壓的情況,2跟以上的VCC輔助繞線能盡量耦合更好解決電壓差異大這個問題。
19、更改后:變壓器的設計,反激變壓器設計論壇里面討論很多,不多說。還是考慮成本,盡量不在變壓器里面加屏蔽層,頂多在變壓器外面加個十字屏蔽。變壓器一定要驗算delta B值,防止高溫時磁芯飽和。delta B=L*Ipk/(N*Ae),L(uH),Ipk(A),N為初級砸數(T),Ae(mm2)。(參考TDG公司的磁芯特性(100℃)飽和磁通密度390mT,剩磁55mT,所以ΔB值一般取330mT以內,出現異常情況不飽和,一般取值小于300mT以內。我之前做反激變壓器取值都是小于0.3的)附,學習zhangyiping的經驗(所以一般的磁通密度選擇1500高斯,變壓器小的可以選大一些,變壓器大的要選小一些,頻彔高的減小頻彔低的可以大一些吧。)
變壓器的VCC輔助繞組盡量用2根以上的線并繞,之前很大批量時有碰到過有幾個輔助繞組輕載電壓不夠或者重載時VCC過壓的情況,2跟以上的VCC輔助繞線能盡量耦合更好解決電壓差異大這個問題。
附注:有興趣驗證這個公式的話,可以在最低電壓輸入,輸出負載不斷增加,看到變壓器飽和波形,飽和時計算結果應該是500mT左右(25℃時,飽和磁通密度510mT)。
借鑒TDG的磁芯基本特征圖。
20、輸出二極管效率要求高時,可以采用超低壓降的肖特基二極管,成本要求高時可以用超快恢復二極管。
21、輸出二極管并聯的RC用于抑制電壓尖峰,同時也對輻射有抑制。
22、光耦與431的配合,光耦的二極管兩端可以增加一個1K-3K左右的電阻,Vout串聯到光耦的電阻取值一般在100歐姆-1K之間。431上的C與RC用于調整環路穩定,動態響應等。
23、Vout的檢測電阻需要有1mA左右的電流,電流太小輸出誤差大,電流太大,影響待機功耗。
24、輸出電容選擇,輸出電容的紋波電流大約等于輸出電流,在選擇電容時紋波電流放大1.2倍以上考慮。 24、2個輸出電容之間可以增加一個小電感,有助于抑制輻射干擾,有了小電感后,第一個輸出電容的紋波電流就會比第二個輸出電容的紋波電流大很多,所以很多電路里面第一個電容容量大,第二個電容容量較小。
25、輸出Vout端可以增加一個共模電感與104電容并聯,有助于傳導與輻射,還能降低紋波峰峰值。
26、需要做恒流的情況可以采用專業芯片,AP4310或者TSM103等類似芯片做,用431+358都行,注意VCC的電壓范圍,環路調節也差不多。
27、有多路輸出負載情況的話,電源的主反饋電路一定要有固定輸出,或者假負載,否則會因為耦合,burst模式等問題導致其他路輸出電壓不穩定。28、初級次級的大地之間有接個Y電容,一般容量小于或等于222,則漏電流小于0.25mA,不同的產品認證對漏電流是有要求的,需注意。
算下來這么多,電子元器件基本能定型了,整個初略的BOM可以評審并參考報價了。BOM中元器件可以多放幾個品牌方便核成本。如客戶有特殊要求,可以在電路里面增加功能電路實現。如不能實現,尋找新的IC來完成,相等功率和頻率下,IC的更改對外圍器件影響不大。如客戶溫度范圍的要求比較高,對應元器件的選項需要參考元器件使用溫度和降額使用。
二、電源PCB設計階段應注意的細節
1、PCB對應的SCH網絡要對應,方便后續更新,花不了多少時間的。
2、PCB的元器件封裝,標準庫里面的按實際情況需要更改,貼片元件焊盤加大;插件元件的孔徑比元件管腳大0.3mm,焊盤直徑大于孔0.8mm以上,焊盤大些方便焊接,元器件過波峰焊也容易上錫,PCB廠家做出來也不容易破孔。還有很多細節的東西多了解些對生產是很大的功勞啊。
3、安規的要求在PCB上的體現,保險絲的安規輸入到輸出距離3mm以上,保險絲帶型號需要印在PCB上。PCB的板材也有不同的安規要求,對應需要做的認證與供應商溝通能否滿足要求。相應的認證編號需印到PCB上。初級到次級的距離8mm以上,Y電容注意選擇Y1還是Y2的,跨距也要求8mm以上,變壓器的初級與次級,用擋墻或者次級用三層絕緣線飛線等方法做爬電距離。
4、橋堆前L,N走線距離2.5mm以上,橋堆后高壓+,-距離2.5mm以上。走線為大電流回路先走,面積越小越好。信號線遠離大電流走線,避免干擾,IC信號檢測部分的濾波電容靠近IC,信號地與功率地分開走,星形接地,或者單點接地,最后匯總到大電容的“-”引腳,避免調試時信號受干擾,或者抗擾度出狀況。
5、IC方向,貼片元器件的方向,盡量放到整排整列,方便過波峰焊上錫,提高產線效率,避免陰影效應,連錫,虛焊等問題出現。
6、打AI的元器件需要根據相應的規則放置元器件,之前看過一個日本的PCB,焊盤做成水滴狀,AI元件的引腳剛好在水滴狀的焊盤上,漂亮。
7、PCB上的走線對輻射影響比較大,可以參考相關書籍。還有1種情況,PCB當單面板布線,弄完后,在頂層敷整塊銅皮接大電容地,抑制傳導和輻射很有效果。
8、布線時,還需要考慮雷擊,ESD時或其他干擾的電流路徑,會不會影響IC。
三、電源調試階段應注意的細節
1、萬用表先測試主電流回路上的二極管,MOSFET,有沒有短路,有沒有裝反,變壓器的感量與漏感是否都有測試,變壓器同名端有沒有繞錯。
2、開始上電,我的習慣是先上100V的低壓,PWM沒有輸出。用示波器看VCC,PWM腳,VCC上升到啟動電壓,PWM沒有輸出。檢查各引腳的保護功能是否被觸發,或者參數不對。找不到問題,查看IC的上電時序圖,或者IC的datasheet里面IC啟動的條件。示波器使用時需注意,3芯插頭的地線要拔掉,不拔掉的話最好采用隔離探頭掛波形,要不怎么炸機的都不知道。用2個以上的探頭時,2根探頭的COM端接同1個點,避免影響電路,或者夾錯位置燒東西。
3、IC啟動問題解決了,PWM有輸出,發現啟動時變壓器嘯叫。掛MOSFET的電流波形,或者看Isense腳底波形是否是三角波,有可能是飽和波形,有可能是方波。需重新核算ΔB,還有種情況,VCC繞組與主繞組繞錯位置。也有輸出短路的情況,還有RCD吸收部分的問題,甚至還碰到過TVS壞了短路的情況。
4、輸出有了,但是輸出電壓不對,或者高了,或者低了。這個需要判斷是初級到問題,還是次級的問題。掛輸出二極管電壓電流波形,是否是正常的反激波形,波形不對,估計就是同名端反了。檢查光耦是否損壞,光耦正常,采用穩壓管+1K電阻替換431的位置,即可判斷輸出反饋431部分,或者恒流,或者過載保護等保護的動作。常見問題,光耦腳位畫錯,導致反饋到不了前級。431封裝弄錯,一般431的封裝有2種,腳位有鏡像了的。同名端的問題會導致輸出電壓不對。
5、輸出電壓正常了,但是不是精確的12V或者24V,這個時候一般采用2個電阻并聯的方式來調節到精確電壓。采樣電阻必須是1%或者0.5%。
6、輸出能帶載了,帶滿載變壓器有響聲,輸出電壓紋波大。掛PWM波形,是否有大小波或者開幾十個周期,停幾十個周期,這樣的情況調節環路。431上的C與RC,現在的很多IC內部都已經集成了補償,環路都比較好調整。環路調節沒有效果,可以計算下電感感量太大或者太小,也可以重新核算Isense電阻,是否IC已經認為Isense電阻電壓較小,IC工作在brust mode。可以更改Isense電阻阻值測試。
7、高低壓都能帶滿載了,波形也正常了。測試電源效率,輸入90V與264V時效率盡量做到一致(改占空比,匝比),方便后續安規測試溫升。電源效率一般參考老機種效率,或者查能效等級里面的標準參考。
8、輸出紋波測試,一般都有要求用47uF+104,或者10uF+104電容測試。這個電解電容的容值影響紋波電壓,電容的高頻低阻特性(不同品牌和系列)也會影響紋波電壓。示波器測試紋波時探頭上用彈簧測試探頭測試可以避免干擾尖峰。輸出紋波搞不定的情況下,可以改容量,改電容的系列,甚至考慮采用固態電容。
9、輸出過流保護,客戶要求精度高的,要在次級放電流保護電路,要求精度不高的,一般初級做過流保護,大部分IC都有集成過流或者過功率保護。過流保護一般放大1.1-1.5倍輸出電流。最大輸出電流時,元器件的應力都需要測試,并留有余量。電流保護如增加反饋環路可以做成恒流模式,無反饋環路一般為打嗝保護模式。做好過流保護還需要測試滿載+電解電容的測試,客戶端有時提出的要求并未給出是否是容性負載,能帶多大的電容起機測試了后心里比較有底。
10、輸出過壓保護,穩定性要求高的客戶會要求放2個光耦,1個正常工作的,一個是做過壓保護的。無要求的,在VCC的輔助繞組處增加過壓保護電路,或者IC里面已經有集成的過壓保護,外圍器件很少。
11、過溫保護一般要看具體情況添加的,安規做高溫測試時對溫度都有要求,能滿足安規要求溫度都還可以,除非環境復雜或者異常情況,需要增加過溫保護電路。
12、啟動時間,一般要求為2S,或者3S內起機,都比較好做,待機功耗做到很低功率的方案,一般IC都考慮好了。沒有什么問題。
13、上升時間和過沖,這個通過調節軟啟動和環路響應實現。
14、負載調整率和線性調整率都是通過調節環路響應來實現。
15、保持時間,更改輸入大電容容量即可。
16、輸出短路保護,現在IC的短路保護越做越好,一般短路時,IC的VCC輔助繞組電壓低,IC靠啟動電阻供電,IC啟動后,Isense腳檢測過流會做短路保護,停止PWM輸出。一般在264V輸入時短路功率最大,短路功率控制住2W以內比較安全。短路時需要測試MOSFET的電流與電壓,并通過查看MOSFET的SOA圖(安全工作區)對應短路是否超出設計范圍。
17、空載起機后,輸出電壓跳。有可能是輕載時VCC的輔助繞組感應電壓低導致,增加VCC繞組匝數,還有可能是輸出反饋環路不穩定,需要更新環路參數。
18、帶載起機或者空載切重載時電壓起不來。重載時,VCC輔助繞組電壓高,需查看是否過壓,或者是過流保護動作。
還有變壓器設計時按照正常輸出帶載設計,導致重載或者過流保護前變壓器飽和。
19、元器件的應力都應測試,滿載、過載、異常測試時元器件應力都應有余量,余量大小看公司規定和成本考慮。 性能測試與調試基本完成。調試時把自己想成是設計這顆IC的人,就能好好理解IC的工作情況并快速解決問題。 這些全都按記憶寫的,有點亂,有些沒有記錄到,后續想到了再補上。
四、EMC等測試之前的注意細節
1、溫升測試,45℃烤箱環境,輸入90,264時變壓器磁芯,線包不超過110℃,PCB在130℃以內。其他的元器件具體值參考下安規要求,溫度最難整的一般都是變壓器。
2、絕緣耐壓測試DC500V,阻值大于100MΩ,初次級打AC3000V時間60S,小于10mA,產線量產可以打AC3600V,6S。建議采用直流電壓DC4242打耐壓。耐壓電流設置10mA,測試過程中測試儀器報警,要檢查初次級距離,初級到外殼,次級到外殼距離,能把測試室拉上窗簾更好,能快速找到放電的位置的電火花。
3、對地阻抗,一般要小于0.1Ω,測試條件電流40A。
4、ESD一般要求接觸4K,空氣8K,有個電阻電容模型問題。一般會把等級提高了打,打到最高的接觸8K,空氣15K。打ESD時,共模電感底下有放電針的話,放電針會放電。電源的ESD還會在散熱器與不同元器件之間打火,一般是距離問題和PCB的layout問題。打ESD打到15K把電源打壞就知道自己做的電源能抗多大的電壓,做安規認證時,心里有底。如果客戶有要求更高的電壓也知道怎么處理。參考EN61000-4-2。
5、EFT這個沒有出現過問題2KV。參考EN61000-4-4。
6、雷擊,差模1K,共模2K,采用壓敏14D471,有輸入大電解,走線沒有大問題基本PASS。碰到過雷擊不過的情況,小功率5W,10W的打掛了,采用能抗雷擊的電解電容。單極PFC做反激打掛了MOSFET,在輸入橋堆后加入二極管與電解電容串聯,電容吸收能量。LED電源打2K與4K的情況,4KV就要采用壓敏電阻+GDT的形式。參考EN61000-4-5。
EFT,ESD,SURGE有A,B,C等級。一般要A等級:干擾對電源無影響。
7、低溫起機。一般便宜的電源,溫度范圍是0-45℃,貴的,工業類,或者LED什么的有要求-40℃-60℃,甚至到85℃。-40℃的時候輸入NTC增大了N倍,輸入電解電容明顯不夠用了,ESR很大,還有PFC如果用500V的MOSFET也是有點危險的(低溫時MOSFET的耐壓值變低)。之前碰到過90V輸入的時候輸出電壓跳,或者是LED閃幾次才正常起來。增加輸入電容容量,改小NTC,增加VCC電容,軟啟動時間加長,初級限流(輸入容量不夠,導致電壓很低,電流很大,觸發保護)從1.2倍放大到1.5倍,IC的VCC繞組增加2T輔助電壓抬高;查找保護線路是否太極限,低溫被觸發(如PFC過壓易被觸發)。
五、傳導整改注意細節
基本性能和安規基本問題解決掉,剩下個傳導和輻射問題。這個時候可以跟客戶談后續價格,自己優化下線路。 跟安規工程師確認安規問題,跟產線的工程師確認后續PCB上元器件是否需要做位置的更改,產線是否方便操作等問題。或者有打AI,過回流焊波峰焊的問題,及時對元器件調整。
1、傳導和輻射測試大家看得比較多,論壇里面也講的多,實際上這個是個砸錢的事情。砸錢砸多了,自然就會了,整改也就快了。能改的地方就那么幾個。
2、這個里面看不見的,特別重要的就算是PCB了,有厲害的可以找到PCB上的線,割斷,換個走線方式就可以搞掉3個dB,余量就有了。
3、一般看到筆記本電源適配器,接電腦的部分就有個很丑的砣,這個就是個EMI濾波器,從適配器出線的部分到筆記本電腦這么長的距離,可以看成是1條天線,增加一個濾波器,就可以濾除損耗。所以一般開關電源的輸出端有一個濾波電感,效果也是一樣的。

4、輸入濾波電感,功率小的,UU型很好用,功率大的基本用環型和ET型。公司有傳導實驗室或者傳導儀器的倒是可以有想法了就去折騰下。要是要去第三方實驗室的就比較痛苦了,光整改材料都要帶一堆。濾波電感用高導的10K材料比較好,對傳導輻射抑制效果都不錯,如果傳導差的話,可以改12K,15K的,輻射差的話可以改5K,7K的材質。
5、輸入X電容,能用小就用小,主要是占地方。這個要配合濾波電感調整的。
6、Y電容,初次級沒有裝Y電容,或者Y電容很小的話一般從150K-30M都是飄
的,或者飛出限值了的,裝個471-222就差不多了。Y電容的接法直接影響傳導與輻射的測試數據,一般為初級地接次級的地,也有初級高壓,接次級地,或者放2個Y電容初級高壓和初級地都接次級的地,沒有調好之前誰也說不準的。
Y電容上串磁珠,對10MHz以上有效果,但也不全是。每個人調試傳導輻射的方法和方式都有差異機種也不同,問題也不同,所以也許我的方法只適合我自己用。無Y方案大部分是靠改變變壓器來做的,而且功率不好做大。
7、MOSFET吸收,DS直接頂多能接個221,要不溫度就太高了,一般47pF,100pF。RCD吸收,可以在C上串個10-47Ω電阻吸收尖峰。還可以在D上串10-100Ω的電阻,MOSFET的驅動電阻也可以改為100Ω以內。
8、輸出二極管的吸收,一般采用RC吸收足夠了。
9、變壓器,變壓器有銅箔屏蔽和線屏蔽,銅箔屏蔽對傳導效果好,線屏蔽對輻射效果好。至于初包次,次包初,還有些其他的繞法都是為了好過傳導輻射。
10、對于PFC做反激電源的,輸入部分還需要增加差模電感。一般用棒形電感,或者鐵粉芯的黃白環做。
11、整改傳導的時候在10-30MHz部分盡量壓低到有15-20dB余量,那樣輻射比較好整改。
開關頻率一般在65KHz,看傳導的時候可以看到65K的倍頻位置,一般都有很高的值。
總之:傳導的現象可以看成是功率器件的開關引起的振蕩在輸入線上被放大了顯示出來,避免振蕩信號出去就要避免高頻振蕩,或者把高頻振蕩吸收掉,損耗掉,以至于顯示出來的時候不超標。
六、輻射整改注意細節
1、PCB的走線按照布線規則來做即可。當PCB有空間的時候可以放2個Y電容的位置:初級大電容的+到次級地;初級大電容-到次級地,整改輻射的時候可以調整。
2、對于2芯輸入的,Y電容除了上述接法還可以在L,N輸入端,保險絲之后接成Y型,再接次級的地,3芯輸入時,Y電容可以從輸入輸出地接到輸入大地來測試。
3、磁珠在輻射中間很重要,以前用過的材料是K5A,K5C,磁珠的阻抗曲線與磁芯大小和尺寸有關。如圖所示,不同的磁珠對不同的頻率阻抗曲線不同。但是都是把高頻雜波損耗掉,成了熱量(30MHz-500MHz)。一般MOSFET,輸出二極管,RCD吸收的D,橋堆,Y電容都可以套磁珠來做測試。
4、輸入共模電感:如果是2級濾波,第一級的濾波電感可以考慮用0.5-5mH左右的感量,蝶形繞法,5K-10K材質繞制,第一級對輻射壓制效果好。如果是3芯輸入,可以在輸入端進線處用三層絕緣線在K5A等同材質繞3-10圈,效果巨好。
5、輸出共模電感,一般采用高導磁芯5K-10K的材料,特殊情況輻射搞不定也可以改為K5A等同材質。
6、MOSFET,漏極上串入磁珠,輸入電阻加大,DS直接并聯22-220pF高壓瓷片電容可以改善輻射能量,也可以換不同電流值的MOS,或者不同品牌的MOSFET測試。
7、輸出二極管,二極管上套磁珠可以改善輻射能量。二極管上的RC吸收也對輻射有影響。也可以換不同電流值來測試,或者更換品牌
8、RCD吸收,C更改容量,R改阻值,D可以用FR107,FR207改為慢管,但是需要注意慢管的溫度。RCD里面的C可以串小阻值電阻。
9、VCC的繞組上也有二極管,這個二極管也對輻射影響大,一般采取套磁珠,或者將二極管改為1N4007或者其他的慢管。
10、最關鍵的變壓器。能少加屏蔽就少加屏蔽,沒辦法的情況也只能改變壓器了。變壓器里面的銅箔屏蔽對輻射影響大,線屏蔽是最有效果的。一般改不動的時候才去改變壓器。
11、輻射整改時的效率。套滿磁珠的電源先做測試,PASS的情況,再逐個剪掉磁珠。
fail的情況,在輸入輸出端來套磁環,判斷輻射信號是從輸入還是輸出發射出來的。
套了磁環還是fail的話,證明輻射能量是從板子上出來的。這個時候要找實驗室的兄弟搞個探頭來測試,看看是哪個元器件輻射的能量最大,哪個原件在超出限值的頻率點能量最高,再對對應的元件整改。
輻射的現象可以看成是功率器件在高速開關情況下,寄生參數引起的振蕩在不同的天線上發射出去,被天線接收放大了顯示出來,避免振蕩信號出去就要避免高頻振蕩,改變振蕩頻率或者把高頻振蕩吸收掉,損耗掉,以至于顯示出來值的時候不超標。
磁珠的運用有個需要注意的地方,套住MOSFET的時候,MOSFET最好是要打K腳,套入磁珠后點膠固定,如果磁珠松動,可能導電引起MOSFET短路。有空間的情況下盡量采用帶線磁珠。
七、PCB定型改版試生產注意細節
傳導輻射整改完成后,PCB可以定型了,最好按照生產的工藝要求來做改善,更新一版PCB,避免生產時碰到問題。
1、驗證電源的時刻到了,客戶要求,規格書。電源樣品拿給測試驗證組做測試驗證了。之前問題都解決了的話,驗證組是沒問題的,到時間拿報告就可以了。
2、準備小批量試產,走流程,準備物料,整理BOM與提供樣機給生產部同事。
3、準備做認證的材料(保險絲,MOSFET等元器件)與樣機以及做認證的關鍵元器件清單等文檔性材料。關鍵元器件清單里面的元件一般寫3個以上的供應商。認證號一定要對準,錯了的話,后續審廠會有不必要的麻煩。剩下的都是一些基本的溝通問題了。
做認證時碰到過做認證的時候溫升超標了的,只能加導熱膠導出去。或者提高效率,把傳導與輻射的余量放小。這種問題一般是自己做測試時余量留得太少,很難碰到的。
4、一般認證2個月左右能拿到的。2個月的時間足夠把試產做好了。
5、試產問題:基本上都是要改大焊盤,插件的孔大小更改,絲印位置的更改等。
6、試產的測試按IPS和產線測試的規章制度完成。
碰到過裸板耐壓打不過的,原因竟然是把裸板放在綠色的靜電皮上操作;也有是麥拉片折痕處貼的膠帶磨損了。
7、輸入有大電容的電源,需要要求測試的工序里面增加一條,測試完畢給大電容放電的一個操作流程。
8、試產完成后開個試產總結會,試產PASS,PCB可以開模了。量產基本上是不會找到研發工程師了,頂多就是替代料的事宜。
9、做完一個產品,給自己寫點總結什么的,其中的經驗教訓,或者是有點失敗的地方,或者是不同IC的特點。項目做多了,自然就會了。
整個開發過程中都是一個團隊的協作,所以很厲害的工程師,溝通能力也是很強的,研發一個產品要跟很多部門打交道,技術類的書要看,技術問題也要探討,同時溝通與禮儀方面的知識也要學習,有這些前提條件,開發起來也就容易多了。
八、20年經驗資深工程師的感慨
我順便提一下,上面原理圖中18的此飽和是500MT,即5000高斯,0,5特斯拉,普通鐵氧體到不了5000吧,頂多4000,好像才3500吧,所以一般的磁通密度選擇1500高斯,變壓器小的可以選大一些,變壓器大的要選小一些,頻彔高的減小頻彔低的可以大一些吧。
從我干開關電源近二十年,算是老手了,我非常深有體會的是,開關電源最難的是環路參數,非常不好確定,普遍不大穩定就是環路沒有調好,這個是一個大問題了,太多搞不定的就是這個問題了,還有變壓器參數的選擇也是一個難點,有人說變壓器的分量非常大,確定多少匝比,規格,如果鐵損線損一樣最好,絞在一起了,無法確定哪個多哪個少了,還有,如何確定磁通密度多少為最合適,也是非常難了,這個多年的經驗非常重要,許多人變壓器不懂設計,還有,風鈴可以磁通大一些,自冷要小一些,都不是一件容易的事情。
現在是很多人知識匱乏,沒有無線電技術的知識,那一些新手根本不懂,把PCB布成整齊的非常隨意的任意走線了,很像精細,那根本胡鬧,不能用的版了,新一代的知識多元化,誘惑太大了,什么人都可以上大學了,比如一些職高的普高沒畢業的人也上大學了,應試教育也是大問題,人才質量不行了,什么也不懂的人多了,他們照樣搞開發,能做成什么好產品,最重要的是知識和學問,卻又是最不在乎是又是學問,浮躁社會浮躁的人,滿腦子就是短平快,要知道欲速則不達,只會抄襲模仿拿來主義山寨之風,模仿制造低劣產品,因為所謂的開發人員就是搬運工,而且所謂人才流動,半拉子一下就飛了,成了政治資本,干過了什么項目,還有不少其實是調試工,技術人員,冒充什么開發人員,老板急于求成,用的其實是偽人才,偽人才只能制造偽劣產品了,就是只會克隆產品復制了,還做不好,大功率的其實不少老外的產品哪個做成了,小功率的相對容易簡單一些不少還是做成了,但做不好的多多了。
我談這個是非常普遍存在的社會現實,比如一位做12伏100安,抄襲模仿八九個月沒有做成,最終失敗打水漂了,其實可以做成的,我見過那個產品,同開發人員一交流,發現學問不行,我對那位陳老板說兇多吉少九成以上要失敗的,他不信,就是我完全模仿一個地方也不能漏下,難道做不成,結果呢,真的做不成了,相當多人都以為一抄就成一步到位,總是這么說,結果豈不,哪個成功了,一敗涂地了。其實,那個12伏100安真的不難,就是要有一些學問,失敗的原因就在這里了。
原諒我談了別的方面的了,不過,確實千真萬確,非常普遍而且常態化的我們這個社會的現實了,普遍的從業人員就是知識匱乏,技術和能力不行,就是生搬硬套,克隆主義至上,,好像我們這個社會就是假大空的社會,多數的產品都是這么去干的。成了不少其實有不少老外非常不錯的產品,我都見過不少了,怎么都沒有見到我們做的實際產品了,其實大幫小幫都在抄襲,怎么見不到東西呀,因為都失敗了打水漂了,我在這里說了大實話的,非常真實的不要誤解了。如果有何不妥,多多見諒吧。
有一個非常真實的事例,比如01年我國一公司就做成了LLC多諧振的產品,由于效率高一時非常轟動,模仿者也登門而至,我是在03年初開始非常費勁,與同事大半年了,說來奇怪,原機占空比大仿做的就小了,當時的土辦法就是把環流加大,但效率降低了,另一家深圳的某一家公司一直做不成,耗了不少財力,老板火了起來把那位總工炒掉了。我03年底離開了,改用SG3525,主結構有了,按照規律,3525的死區時間還可以調整呢,占空比大了,就這樣做成功了,我是不會生搬硬套,比較靈活的,人家做不成做不好我就可以做到了,這種情況很多,所以不要完全克隆死板做,必須要會搞電路設計,如果是這樣,好多產品是可以做成的,可以模仿參考,結合自主設計,我的這一事例不也充分說明了嗎,學問和靈活最重要了,就是這么一回事。真正模仿成功還做的不錯的技術功夫也非常不錯了,許多人不懂這個道理,就是難道不成,不相信,真的如此,失敗多多了,即使一些做成了,也是不三不四的,產品性能和質量是一個大問題,還是一句話,偽人才制造偽劣產品,現實上偽人才多得去了,產品冒牌貨多同樣的人才冒牌貨一樣多了,其實,大家相信的倒是謊言的多,一抄就成一步到位就是成了最大的謊言了。滿口子多么省事節省成本,甚至更有甚者,全打包連圖紙都沒有,壞了就是修電器一樣,把壞的找出來換掉就可以了,這個就是投機主義干事了,肯定這樣做的問題特別大,他們就是把財力花在營銷廣告戰了。





