- 探究一種實用的線性隔離檢測電路
- 檢測電路構成、工作原理分析
- 利用兩個光電耦合器用作輸出和反饋
- 利用本文提出的檢測電路來進行測試
1 引言
隨著電源技術的發展,電力系統、通信系統中越來越廣泛地使用開關電源、UPS等電源設備。這些設備無一例外地要檢測主電路的電壓、電流信號。檢測電路是主電路與控制電路的接口,是電源設備必不可少的一個重要組成部分。檢測電路必須滿足如下幾方面的要求:
(1)要有很高的精度和線性度?,F代電源為了達到很高的穩壓穩流精度并具有很好的動態響應特性,大多都引入電壓電流參與系統的反饋控制。檢測電路的精度和線性度,在某種程度上決定了整個電源的輸出精度和穩定性。
(2)必須具有隔離功能。大多數電源的主電路和控制電路之間在電氣上相互絕緣。否則電源會由于主電路對控制電路的干擾而不能正常工作,甚至會危及調試人員的人身安全。
目前,市場上有許多隔離傳感器供用戶使用,如隔離放大器(TPS5904,AD202)、電壓霍爾、電流霍爾等。在上述器件中,AD202、霍爾元件有性能好、可靠性高、測量精確、應用范圍廣的優點。但它昂貴的價格卻使大多數使用者望而卻步,TPS5904雖然價格比較便宜,但相對來講,線性度較差。只有TI公司的TIL300精密線性光耦,可以很精確地檢測直流信號,隔離效果好,價格又便宜。因此,許多設計人員在選擇器件時都偏重于選擇TIL300作為檢測、反饋直流電壓、電流用的檢測元件。
但是,隨著TIL300生產線的停產,以前使用TIL300的用戶不得不選擇其它器件,而目前電子元器件市場上又沒有其它價格、性能可與TIL300相媲美的元件,這就給使用者帶來很大不便。本文基于此現狀,提出了一種可以代替TIL300的檢測電路。該電路使用普通光耦,應用反饋控制原理,具有價格便宜,線性度好的特點,在一定程度上可以替代原有的TIL300。
2 TIL300簡介
TIL300精密線性光耦的內部結構如圖1所示。

圖1 TIL300結構示意圖
TIL300精密線性光耦合器是由一個紅外光LED照射分叉配置的一個隔離反饋光二極管和一個輸出光二極管組成,反饋光二極管吸收LED光通量的一部分而產生控制信號,該控制信號可通過一個調節電路來調節LED的驅動電流,最終使得LED發出的光通量滿足輸入信號和反饋信號相等。TIL300精密線性光耦合器是以電流方式工作的,在一定輸入電流范圍內,它的電流傳輸比保持不變,此時輸出光二極管產生的電流信號與反饋光二極管產生的電流信號成線性比例,所以輸出信號與輸入信號成一定的線性比例關系。
[page]
3 檢測電路
3.1 電路結構
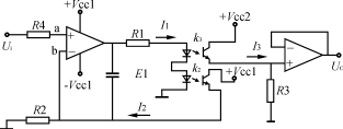
本文提出的檢測電路如圖2所示。

圖2 檢測電路構成
檢測電路主要由兩個普通光電耦合器、兩個運放和電阻、電容構成。兩個光電耦合器可以起到TIL300中隔離反饋光二極管和輸出光二極管的作用。其中一個用作輸出,另一個作為反饋,反饋是用來補償發光二極管時間、溫度特性的非線性。為了保證輸出光二極管產生的輸出信號與LED發出的伺服光通量呈線性比例,在選擇器件時,兩個光耦合器的特性應盡量保持一致。輸出端所接的電壓跟隨器是為了保證輸出電壓的穩定性。
3.2工作原理分析
由圖2可知:輸出電流、輸出電壓的表達式分別為:
I3=k3I1(1)
UO=R3I3=k3R3I1(2)
反饋電流為:I2=k2I1(3)
式(1)、(2)、(3)中k3、k2分別為電路中兩個光耦的電流傳輸比(非線性)。兩個光耦的特性近似一致,可認為k2=k3,也即I2=I3。
此電路的工作原理如下:
在檢測電路調節過程中,Ui有兩種變化趨勢,當輸入電壓Ui升高時,有Ui>R2I2,導致運放輸出端電壓升高,通過發光二極管的電流I1也隨之增大,由于I2=k2I1,I3=kI1,I2、I3也增大,最終調節的結果是Ub=Ua=Ui,又因為I2=I3,因此輸出電壓UO與輸入電壓Ui相等,UO隨著Ui的增大而線性增大。
反之,當輸入電壓Ui降低時,運放輸出端電壓降低,通過發光二極管的電流I1也隨之減小,與上類似,輸出電壓UO=R2I2也隨輸入電壓Ui的降低成比例地減小。
光耦的選擇對電路的影響非常大,當光耦選擇不適當時,k2與k3之間的差別比較大,但若此時k2與k3的變化是隨著通過光耦電流的大小變化成比例的,即:k2=αk3,如果α為常量,輸出電壓與輸入電壓仍然保持線性關系,檢測電路仍然能正常工作。但在一般情況下,α不是常量,導致檢測電路的輸出與輸入電壓不是線性關系,輸出電壓不會隨著輸入電壓的變化而線性變化[2]。此時檢測電路就不能正常工作。為了避免這種情況,應盡量選用特性一致的光耦。
[page]
4 實驗結果及其分析
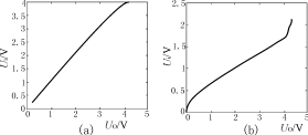
根據所設計的檢測電路進行實驗,實驗時,調節輸入電壓Ui的大小,并檢測與之對應的輸出電壓UO的大小,實驗結果如表1(a)所示。為了進行對比,同時測出沒有反饋的光耦的輸入與輸出電壓關系,并列在表1(b)。根據表1中(a)、(b)的數據分別繪出檢測電路與單個光耦的傳輸特性,分別如圖3(a)、(b)所示。
表1 檢測電路與單個光耦的傳輸特性


圖3檢測電路與單個光耦的輸入輸出特性

(a)檢測電路的傳輸特性(b)單個光耦的傳輸特性

(a)檢測電路的傳輸特性(b)單個光耦的傳輸特性
由表1可知,在一定范圍內,檢測電路的輸出電壓與輸入電壓是成正比地變化的。輸出與輸入電壓的比例系數幾乎保持不變。表1(a)中最后一行的比例變化比較大,之所以有如此大的變化,是因為此時光耦的輸出電流已經達到了飽和值,無論怎樣增加輸入電流,輸出電流都不會有大的改變[3]。圖3(a)也能很清楚地看出檢測電路中輸出與輸入電壓的比例關系是線性的。而表1(b)中的數據則表明單個光耦隔離時輸出電壓與輸入電壓之間的關系比較復雜,只有在中間一部分有近似的線性關系。圖3(b)也表明了單個光耦的輸出輸入關系是非線性的。
由圖3(a)和表1(a)可知,檢測電路的輸出可以很好地跟隨輸入電壓的變化,并且實現了輸入與輸出之間的隔離,精度較高,線性度較好(<1% ), 在要求不是很精確的情況下,可以選用此檢測電路來檢測、反饋主電路的電壓、電流信號。
5 結語
根據目前電子產品市場的變動,本文提出了一種檢測電路,此電路具有隔離功能,并且隔離后的輸出電壓與輸入電壓成正比。因此這種檢測電路可用于檢測需要隔離的電壓、電流信號。此電路可代替原有的TIL300。實驗結果證明該檢測電路的可行性。此電路具有結構簡單、價格便宜、精度高、線性度好的特點,可廣泛用于對精度要求不是很高、需要隔離并檢測、反饋電壓、電流信號的領域,如電力、化工、通信、冶金等行業。




