- 高性能音頻放大器的設計準則與技巧
- 功率放大器的負反饋設置可為系統帶來較高的穩定性和線性度
- 放大器的補償是用來調節開環增益和相位性能
- 射極跟隨器的大訊號線性度主要取決于負載的大小
本文以美國國家半導體的音訊驅動器LME49810為例進行說明,該組件可提供200V的峰峰值輸出電壓擺幅,并可驅動不同類型的輸出級,適合高階消費和專業級音訊應用,包括主動錄音室監視器、超重低音揚聲器、音訊/視訊接收器、商用擴音系統、非原廠音響、專業級混音器,分布式音訊和吉他放大器等。此外,也適用于各類高電壓及低失真要求的產業用音訊系統。可為音訊系統提供更精簡的設計,協助設計人員更容易的開發出高性能音訊系統,實現更高的穩定性和一致性,大幅減少系統研發和生產時的分離式組件匹配及調節工作。
設計技巧
采用美國國家半導體的音訊驅動器來設計高質量音訊系統的方法有很多。以下為設計建議。
輸入級:輸入級設計是放大器最關鍵的一環。透過來自反饋的訊號進行相減,輸入級會產生一個誤差訊號,然后把這個誤差訊號驅動到輸出。該誤差訊號通常很小,足以為放大器提供足夠的線性度。
LME49810是一款雙極輸入放大器,其輸入阻抗的匹配性相當重要。受來自正輸入埠和負輸入埠的偏置電流的影響,輸入阻抗的失配會導致輸入偏移電壓。該輸入偏移電壓將按照死循環增益放大。當然,LME49810的輸入偏置電流很低,對于一般的應用來說,出現在輸出的偏移電壓可以忽略。

圖1:輸入級和反饋應用示意圖。
[page]
一般來說,通常采用的的音訊輸入設計有兩種:交流或直流耦合輸入。交流耦合輸入的優點是來自前置放大器、濾波器級或編譯碼器級的放大器輸入直流偏移一般都是零,且無需在放大器中加入任何的直流伺服電路來防止直流故障。而直流耦合輸入的優點則是無需使用大尺寸和昂貴的交流耦合電容;不會出現由交流耦合電容所產生的低頻失真;可減輕交流耦合RC網絡的噪聲。
負反饋系數:功率放大器的負反饋設置可為系統帶來較高的穩定性和線性度。當放大器在高頻工作時會出現相位位移,而較大的負反饋系數可減輕在高頻時的不穩定性和振蕩。在分離放大器系統中,高反饋系數將會引起很差的瞬態響應或高頻不穩定性。然而,LME49810擁有一個較高的開環增益,因此它的死循環增益誤差和電源紋波抑制會較小,可以最大化電路中的負反饋,因而提高系統的線性度。通常,建議采用30dB至40dB的電壓增益。

圖2:輸出偏置電路結構。
補償:放大器的補償是用來調節開環增益和相位性能,以便當反饋被關閉時能把系統穩定下來。一般來說,要獲得較高的穩定性補償越大越好。可是,補償越大,音訊芯片的頻寬和壓擺率就越低,而較低的壓擺率會使系統產生出較柔和的音訊特性,相反較高的壓擺率則可產生較清晰和真實的音訊特性。LME49810的密勒補償是透過在‘Comp’和‘BiasM’接腳之間加插一個電容來實現的,最適合的電容取值范圍是10p到100p。此外,補償電容的等效串聯電阻(ESR)應較低,以避免電容的等效串聯電阻引發潛在零點。在一般情況下,采用陶瓷電容要比采用電解電容的效果更好。
靜音:MUTE接腳是由流進的電流量所控制。從50uA到100uA為‘PLAY’模式,而低于50uA的為‘MUTE’模式。建議不要讓流進MUTE接腳的電流超出200uA。
輸出偏置:LME49810有兩個用來設定偏置的專用接腳(BIASP和BIASM),可以提供一定的輸出偏置電流。可變電阻器Rpot可用來調節輸出級的偏置電流,將Rpot+Rb1的電阻降低可以提高偏置電壓。倍增器QMULT用來補償偏置電壓以防止雙極輸出晶體管出現熱漂移。QMULT必須與輸出晶體管連接在相同的散熱器上。
輸出晶體管:音訊功率放大器中最常見的輸出級是圖3所示的射極跟隨器。它通常都被稱為雙射極跟隨器或達林頓管。其中第一個跟隨器會作為輸出級的驅動器。

圖3:輸出射級跟隨器。
射極跟隨器的大訊號線性度主要取決于負載的大小。隨著負載增加(即負載電阻減少),輸出電流亦同時會增加。受RE和位于高電流密度的β滾降的影響,BJT電流增益會減少。這種情況下,可能會降低線性度并增加在輸出級的失真。對于比較高功率的應用來說,建議采用多級輸出來維持高電流和更佳的線性度。LME49810音訊驅動器擁有約50mA的輸出電流,它可以根據要求配置成達靈頓管或平行晶體管輸出。
輸出級晶體管放大匹配:雙射極-跟隨器或達林頓管通常都擁有一個高的電流增益系數Ic=βIb。為了提高輸出級的穩定性,負極端和正極端的電流放大必須匹配。

圖4:射級負反饋電阻的應用。
[page]
對平行晶體管配置來說,必須確定中等功率晶體管的驅動能力。中等功率晶體管的輸出電流(Ic)必須大于高功率晶體管的最小驅動電流(Ib)以免在中等功率晶體管級上出現過載。
輸出晶體管的電壓范圍:VCBO和VCEO電壓的最大范圍必須大于電源電壓的軌到軌范圍。對于一個有+/-100V電壓供應的放大器,晶體管的電壓額定應該高一點以保證它能夠在規定以內正常地運作。
射極電阻器RE:在高功率的音訊放大器應用中,輸出晶體管的匹配性、電流平衡和保護對于功率放大器的線性度來說非常重要。建議采用射極負反饋電阻器RE來改善輸出晶體管的匹配性和電流平衡能力。因此,我們建議在實際的高功率音訊放大器應用中加入這種電阻。然而,將RE與輸出晶體管串聯在一起會降低放大器的線性度。電阻RE是交越失真的主要失真來源。當輸出晶體管的一端關閉而另一端開啟時便會出現這種失真。因此,必須最佳化RE值并且盡可能的將RE維持在較低水平,這樣可以降低對非線性度的影響。

圖5:音訊放大器的輸出可配置結構。
改善交越失真的最有效方法便是減少RE的電阻。對于相同數值的RE,一個平行形式的輸出可降低用來改善線性度的整體RE電阻值。同時,假如每一個級的RE都較大,那便可為輸出晶體管帶來更佳的匹配性和電流平衡。此外,RE也關系到輸出的功率損耗。對于一個相同的RE,較大的輸出電流會導致較大的功率損耗。RE的值取決于并聯輸出晶體管的數量和揚聲器的負載。建議采用足夠功率的0.1到0.5Ω電阻器。
輸出網絡:功率放大器最常用的輸出網絡為‘Zobel’,所有的輸出網絡都只有一個目標,這便是改善系統的穩定性。‘Zobel’網絡的另一個功能是保護放大器的輸出以免受到揚聲器線圈內電感所影響。這里建議的‘Zobel’網絡中電阻器和電容串聯在一起,并且從放大器的輸出連接到接地。

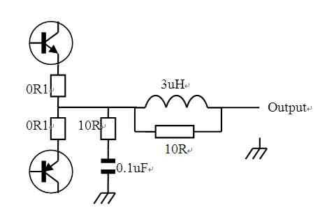
圖6:專業級音訊放大器的輸出匹配電路。
圖6中電阻器的作用是在一個較高的頻率下將電流限制,以減輕對電容的額定值要求。電阻器的電阻值范圍從4.7Ω到10Ω。大部份的情況下,電容的值選定為0.1μF以減輕輸出揚聲器在高頻時的負載效應。隨著輸出的電平增加,被擷取進入‘Zobel’網絡的電流也隨之會上升。因此,在任何條件下輸出網絡中組件的額定功率都必須足夠,建議為3W到5W。受到串聯在一起的放大器輸出阻抗、電纜阻抗及電感的影響,一個真實的揚聲器頻率響應會出呈現不平穩的特性,這比一個簡單的并聯電阻器和電容復雜。這種現象可能導致高頻不穩定性。
在放大器的輸出串聯一個小線圈電感會增加穩定性。這種做法可以將放大器與關聯電容隔離,且不會在音訊頻率下引致明顯損耗。電感值一般是1到7μH。選用合適的電感值便可避免在某一負載阻抗下出現高頻滾降。這里建議采用空心電感來避免出現磁飽和問題。此外,還建議加入一個跨越輸出線圈的阻尼電阻以降低輸出LC網絡的Q系數、過沖和振鈴現象。傳統上還要采用有幾個奧姆的繞線型阻尼電阻器來避免自感。電阻器越低,過沖和振鈴的效果便越小。由于輸出電流的大小取決于輸出功率和負載阻抗。因此應選用1W到5W額定的阻尼電阻器。
隨著高階的音訊系統的市場發展,專業級的放大器要求有更大的輸出功率、更高的線性度和更高的穩定性。美國國家半導體音訊驅動可為工程師們帶來更有價值的設計,使他們可創造出更多高性能和高度穩定的音訊放大器系統




