中心論題:
- 提出將有源鉗位添加到同步反向電源的方法
- 通過實驗比較得出這一新方法的優勢
解決方案:
- 有源鉗位漏極波形的 EMI 抗干擾能力增強
- 有源鉗位反向電源能減輕負振鈴現象
- 有源鉗位所提供的改進會對效率產生很大的影響
在要求使用隔離式電源提供中低輸出功率的應用中,通常的做法是選擇一款反向轉換器。如果需要優先考慮效率時,您可以使用一個 MOSFET 替代反向輸出二級管,這就構成了一款通常所講的同步反向轉換器。POE(以太網供電)應用是同步反向電源的主要應用領域。目前,POE 電源的輸入功率被限制在 12.95W 以內。最大化電源效率使系統可以為負荷提供更多的電力。通過使用一個可減少緩沖器和直通 (shoot-through) 損耗的有源鉗位控制器,您可以實現轉換效率的進一步提升。
在高功率應用中,越來越多的人選用有源鉗位正向轉換器。然而,只有極少數電源設計人員能夠意識到他們同樣可以在反向轉換器中使用有源鉗位。為了找出在反向拓撲結構中采用有源鉗位控制的益處,我們根據表 1 中的規范設計、構建并測試了兩個電源。這兩個電源均使用次級同步整流,但是其中一個使用電源變壓器來驅動同步 FET,另一個則使用一個柵極驅動變壓器并且還采用了一個有源鉗位。POE 輸入要求產生了許多規范,但是我們可以擴大其輸入范圍以實現在電信領域的應用。為了公平比較起見,我們使主要組件不受該兩種設計中使用兩種完全一致的方法所產生的不同差異的影響,圖 1 給出了每個電路的圖片。我們還需使兩個電路板中組件的安放位置和布局一樣。在這兩個電路中,最值得注意的不同點是有源鉗位電路中柵極驅動變壓器的添加。

圖1-兩種電源均使用了次級同步整流,但是左邊的電源使用電源變壓器來驅動同步 FET,而右邊的電源則使用一個柵極驅動變壓器并且還采用了一個有源鉗位。
圖 2 顯示了兩種方法的簡化原理圖。在兩種設計中,控制器均是通過調節 FET Q2 的開啟時間來控制變壓器 T1 存儲的能量,并調節輸出電壓。變壓器主寄生漏極電感同樣存儲了能量,如果您不使用鉗位,將會導致 Q2 上出現超高電壓峰值。傳統的同步反向設計消耗了 D1、R2 及 C4 緩沖器電路中的漏極能量。這種能量消耗可以導致一定的損耗,進而降低電源的效率。有源鉗位設計使用 C21 和 Q4 的鉗位電路來存儲 C21 中的漏極能量,并將該能量返回到輸入源。這種非耗散鉗位技術構成了主 MOSFET 的虛擬無損耗緩沖。
圖 2-在這些簡化了的反向電源中,控制器調節 FET Q2 的開啟時間來控制變壓器 T1 存儲的能量,并調節輸出電壓。
當您關閉 Q2 時,該系統將變壓器存儲的能量通過同步 MOSFET Q1 傳輸至輸出端。同步 FET 要求一個柵極驅動信號,該信號為控制主要主 FET Q2 的PWM 信號的反向。傳統的“變壓器驅動”同步反向電源從一個 T1 輔助繞組中產生該信號。當Q2被打開時,Q1內部轉換延遲及輔助柵極驅動繞組的低耦合率通常會導致直通電流。本質上來說,存在一個有限時間周期,在該周期內 Q1 和 Q2 均為打開狀態。要消除重疊周期是比較困難的,但是您可以通過選擇一個用于 Q1 的快速 MOSFET 將該周期縮短。在一個傳統同步反向電源中,
對于最小化直通損耗并達到可接受的效率來說,這個步驟是不可或缺的。相反,有源鉗位反向電源可以利用鉗位 FET Q4 的柵極驅動信號來減少直通損耗。該信號由控制 IC 產生,包括確保 Q2 和 Q4 絕不能同時為開啟狀態的延遲。在有源鉗位設計中,該柵極驅動信號是通過柵極驅動變壓器完成傳輸的,以驅動同步 FET。對于 Q1 柵-源驅動信號的電平轉換以及保持輸入到輸出電壓隔離而言,柵極驅動變壓器是必要的。
圖 3 顯示了傳統同步反向電源設計的完整原理圖。該設計使用了一個低成本、簡化的電流模式 PWM 控制器(即 UCC2809),對電源進行控制。除了主緩沖器以外,該電路還需要D3 和 D4 的齊納鉗位電路,以防止來自漏極電感峰值的 Q1 超高柵-源電壓。
圖 3-該設計使用一個低成本的、簡化的電流模式 PWM 控制器(即 UCC2809)對電源進行控制
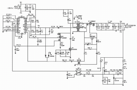
圖 4 顯示了有源鉗位設計的完整原理圖。在該電路中,UCC2897 有源鉗位控制器對電源實現了電流模式控制。如原理圖所示,這種更為復雜的方法需要若干在傳統同步反向電源中非必需的額外組件。這些額外部件中最昂貴的是有源鉗位P-通道 FET (Q4) 和柵極驅動變壓器 (T2)。P-通道 FET 通常為一個小組件,比如采用 SOT-23 封裝。該部件的功耗是非常低的,因為它僅控制漏極和磁化電流。此外,為了調節 Q4 和 Q1 的柵極驅動,還需要將更多的低成本分立組件同這兩個部件設計在一起。
圖 4—在該電路中,UCC2897 有源鉗位控制器對電源實現了電流模式控制。
通過檢查主 FET 的漏-源電壓 (Q4),我們發現在兩個設計中的性能存在很大的區別(見圖 5)。傳統同步反向電源表現出一個峰值大約165V 的峰值電壓,而有源鉗位電路的漏-源電壓則限定在 130V 峰值左右。這個峰值電壓要求傳統的同步反向電源使用額定值為 200V 的 FET,而要求有源鉗位反向電源使用額定值為 150V 的 FET。另外,有源鉗位漏極波形的 EMI 抗干擾能力優于傳統同步反向電源的 EMI 抗干擾能力。
圖 5通過檢查主 FET 的漏-源電壓 (Q4),我們發現在兩個設計中的性能存在很大的區別
如圖 6 所示,您可以通過變壓器二次級電壓對這兩種設計進行更多的區分。表面看來,這兩個波形極為相似。進一步檢查的話,您就會發現傳統同步反向電源的負振鈴要比有源鉗位反向電源的負振鈴嚴重很多。該振鈴是由同步 FET 關閉延遲引起的,通常出現在主 FET 轉換開啟的時候。請注意,同步 FET 的柵-源關閉電壓與反向次級繞組電壓相同。在變壓器次級電壓變為負值的同時,同步 FET 必須完全關閉(實現這一操作比較困難),否則就會出現直通現象。控制器驅動的柵極驅動信號有源鉗位設計確保了同步 FET 在主 FET開啟之前被關閉,并減少了電壓振鈴。這也影響了對同步 FET 的選擇。與傳統的同步反向電源相比較,有源鉗位設計可以使用一個帶有更低 Rdson 的緩同步 FET。由于 FET 主體二極管的反向恢復,有源鉗位的同步 FET 上仍然會出現少許振鈴現象。
圖 6 傳統同步反向電源的負振鈴要比有源鉗位反向電源的負振鈴嚴重很多
有源鉗位所提供的所有這些小小的改進都會對效率產生很大的影響。圖 7 顯示了在最小、額定及最大輸入電壓值時測量得出的兩種設計的效率。在所有線電壓情況下,有源鉗位設計將最大負載效率提高了 2% 左右。在輕負載的情況下,這種區別更位明顯。額定線電壓及輕負載情況下,效率提升超過了 12%,這對于長時間處于空閑模式的系統來說是很重要的。大部分效率提升都來自漏極電感能量的恢復,漏極電感能量耗散通常發生在緩沖器中,并減少了同步 FET Q1 直通帶來的損耗。
表 2 列出了對兩種同步反向電源主要部分進行比較的總結。該表說明了有源鉗位反向電源相對于變壓器驅動同步反向電源在性能上的優勢。尤其是在輕負載情況下,有源鉗位反向電源具有更低的 FET 電壓應力及更高的效率。有源鉗位控制器 (UCC2897) 的可編程停滯時間特性(該特性可防止主、次級 FET 的疊加傳導 (overlapping conduction))有助于最小化 Q1 二次側直通損耗。這些損耗一般表現為可在主電流感應電阻器上觀測到的一個大電流峰值,且經常會導致輕負載抖動的問題。有源鉗位反向電源較低的高頻振鈴會產生更少的 EMI 及一個全局范圍內更低噪聲的電源。由于漏極電感對有源鉗位電路性能的影響較小,因此,盡管同步反向電源并不是一無是處,但比起帶有同步反向的情況,高頻操作更有可能實現。在這兩個示例電路中,與有源鉗位反向電源相比,傳統的同步反向電源可將 PWB 面積、組件數量和成本上降低大約 15%~20%。這是一款容易設計和(可論證性地)理解的更簡單的電路,雖然如此,但還是要考慮到其在性能上的一些不足。那么,您應該在什么時候選擇一個有源鉗位反向電源呢?如果輸出功率較低,同時設計要求一直進行連續模式運行,那么有源鉗位反向電源可以實現高效率、低 EMI 運行。在輕負載效率較為關鍵的應用中,它具有一個更為明顯的優勢。
圖 7-在所有線電壓條件下,有源鉗位設計均將最大負載時的效率提高了 2% 左右。
表2 對比圖





