中心論題:
- 負載控制前置FET驅動器和N-通道功率FET組合控制系統中的四種不同負載
- 設置浪涌電流的動態故障閾值
- 車載照明系統的故障檢測和保護
解決方案:
- 將一個高壓側前置 FET 驅動器和功率FET組合控制車載照明
- 電子開關進行編程以在發生過電流情況的事件中進行周期性的自動重試
- 前置FET驅動器和功率FET的組合防止應用中的動態和靜態故障
- 再循環螺線管能量以及在負載中安裝整流器對FET實施保護
車載照明系統要求高達 55A 的峰值浪涌電流。在傳統方法中,使用繼電器和保險絲來開關和限制功率輸出電流是不可預知的,也是不可靠的。
將一個高壓側前置 FET 驅動器和功率FET組合是一種控制車載照明的最理想的解決方案。
一支白熾燈泡中鎢絲的電阻可隨著溫度的變化產生超過 1:10 比率的變化。為了防止元件過熱,以及長時間使用而造成的元件性能下降,一款具有可編程短路和過電流調節的電子開關就顯得極為有用。一旦檢測到有過電流情況發生,標準及自恢復 (re-settable) 保險絲就會中斷負載電源,并且可能會用一個長短不定的時間來進行復位。與此不同的是,可以對一個電子開關進行編程來更具預見性地做出反應。
基于保險絲的系統只能被設置到一個明確的復位值,并且無法像電子解決方案一樣能夠容納 10:1 電流比率。可以對電子開關進行編程,以在發生過電流情況的事件中進行周期性的自動重試,或者檢查故障是否已被排除。同時,對故障的性質進行監控、檢測以及報告有助于輕松地弄清楚系統存在的問題。
多通道前置 FET 驅動器和外部功率 FET 概念提供了系統靈活性,用于優化負載控制功耗和成本。與一個全面集成的解決方案相比,獨立地選擇功耗和不同 FET 電阻有助于防止由于單通道故障帶來的交互作用和系統故障。
前置 FET 驅動器功率開關組合允許系統對 FET 開關特性進行控制,并且在柵極驅動輸出上使用外部 RC 組件時處理所有電磁干擾 (EMI) 問題。
負載控制前置FET 驅動器和N-通道功率FET 組合
一個前置 FET 驅動器(例如:TI 推出的 TPIC44H01)被用來控制系統中的四種不同負載。這種組合能夠通過溫度系數較好地控制阻性負載。通常,負載被連接在低壓側,而功率 FET 則在高壓側完成配置,以為負載供電。每一條通道都可以由一個來自微控制器的并行輸入信號或串行編程寄存器來控制。在一個并行結構中,一個通用 I/O 或基于定時器的輸出被用來控制負載電流。
柵極驅動輸出通常為一個恒定電流源,并且吸入輸出端來控制 FET 柵極電容充電和放電特性。與輸出串聯的一個外部電阻器限制了 FET 開關轉換的升降次數。這種效應使轉換率得到了控制,同時還可有助于減少會增加電磁干擾(增加開關損耗和功耗)的開關極限期間出現的快速電流變化。這些輸出在內部被控制在 17V 的最大輸出電壓以下,以保護外部 FET 柵極免于源擊穿損壞。與一款集成的解決方案相比較,可以對前置 FET 驅動器和功率 FET 的組合進行配置,以防止應用中的動態和靜態故障。
浪涌電流的動態故障閾值
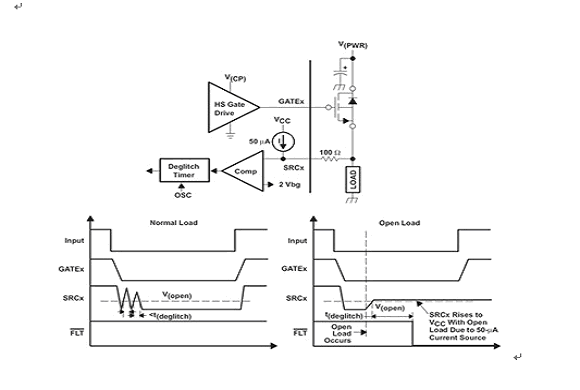
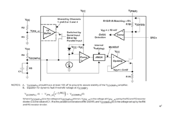
白熾燈的發光照明要求有一個動態故障閾值來對高浪涌電流進行補償,并防止在開啟之初錯誤地觸發過電流條件。一個帶有開關的 RC 網絡的使用可以設置該動態故障的閾值(參見圖1)。通過使用這種方法,可以針對不同的白熾燈泡對短路電流進行優化。在最初的過電流閾值被設置時設置 VPEAK 電壓,然后當在 VCOMP 終端上設置的電阻器分壓器值為恒定不變的 RC 時間常數時進行衰減。每當柵極從“關閉”狀態轉到“開啟”狀態時,便通過一個適當通道的并行或串行輸入比特產生這種可變過電流閾值的波形。
圖1
[page]
當該特定通道處于“關閉”狀態時,經過編程的 VPEAK(X) 值被反映在 VCOMP(X) 上。如果一個特定通道被開啟,那么過電流檢測的參考電壓就為動態,并且用內部 VPEAK 設置和VCOMP(X) 終端外部組件值表示。
根據時間的變化對一個以電壓形式表示的過流故障閾值進行調節,以對燈泡燈絲電阻的變化進行補償(如圖2所示 )。
圖2
故障檢測和保護
在所有的系統中,對于負載保護而言,故障檢測都是至關重要的。能夠獨立地對 “開啟”狀態下有短路負載和過電流現象以及“關閉”狀態下有開路負載的每一條通道進行故障檢測,將使系統能夠做出正確的反應。這種檢測同時還可以將出現故障的通道隔離開,以避免影響其它正常通道,特別是在涉及熱相互作用問題的時候。
a “開啟”狀態故障
為了檢測每一條通道的短路負載,監控外部功率 FET 電源電壓可確保開關何時被完全“開啟”,以及何時將電壓設置為幾個正電壓(一般為 5V)。如果該短路負載發生在開關轉換以后,那么在系統做出正確反應(包括“關閉”FET 以使其不超出安全工作區參數)以前,故障的確定有效持續時間比故障掩模時間要長。為了防止出現開關轉換期間的錯誤故障報告,一種抗尖峰脈沖 (de-glitch) 濾波器在耗盡轉換時間時被激活,以屏蔽故障。可以對該抗尖峰脈沖屏蔽時間進行編程來對所有轉換率控制實施進行補償。
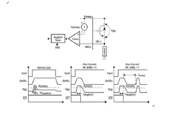
當一個外部引腳上的漏-源電壓超出一個編程電壓電平時,過電流故障監控和報告就會被標記出來。這種方法要求 FET 電阻處在“開啟”狀態中,并且要求所有負載電流產生該漏-源電壓。在一個被稱為故障屏蔽定時器的編程期間,這種故障的檢測被屏蔽起來。如果在比屏蔽定時器更長的時間里,故障一直都存在,那么將報告過電流故障,并且采取正確的動作來“關閉”該 FET。這種協議 (arrangement) 可防止 FET 超出器件的最高建議結溫。
當檢測到一個過電流狀態時,通過“關閉”器件或激活將以低占空比自動重試和 “開啟”FET 的選項設置,就可以對 FET 進行保護。這樣就允許系統不斷地檢查故障是否已經被排除,并且不會破壞 FET。圖3顯示了這種過電流檢測保護的原理圖。
圖3
b “關閉”狀態故障
在“關閉”狀態下監控開路負載故障為系統提供了負載完整性信息。當開關完全處于“關閉”狀態下時,通過監控外部功率 FET 的電源電壓,就可以實現對每一條通道開路負載故障的檢測。一個內部電源激活一個流經負載到接地的小恒定電流,并且使開路負載檢測閾值以下的 SRCx 節點發生偏置。
[page]
如果檢測到一個開路負載或高阻抗,那么小恒定電流將使開路負載檢測閾值以上的 SRCx 節點發生偏置,進而檢測到故障(見圖4)。
圖4
同樣地,為了防止開關轉換期間出現錯誤的故障報告,一種抗尖峰脈沖濾波器在電源轉換期間被激活,以屏蔽故障。可以對該抗尖峰脈沖屏蔽時間進行編程來對所有轉換率控制實施進行補償。如果該開路負載發生在開關轉換以后,那么在系統做出正確的動作以前故障的確定有效時間比故障掩模時間要長。正確的動作就是使該場效應晶體管保持在“關閉”狀態下。
在所有系統中,監控電源線的過壓狀態以及“關閉”場效應晶體管來防止對負載和 FET 可能造成的破壞是很重要的(見圖5)。
圖5
前置 FET 驅動器和功率 FET 的組合可用來驅動螺線管負載。如果在柵極被“關閉”的情況下沒有實施外部保護,就可能會出現對功率 FET 的損壞。通過再循環螺線管能量以及在負載中安裝整流器,可以對 FET 實施保護。但是,這樣做可能會占用一些時間衰減負載能量,因此在快速脈寬調制 (PWM) 操作中不建議采用這種方法。
對于快速“關閉”而言,“主動”地“開啟”功率 FET 要求實施一個有源鉗位。這樣就可以消耗掉存儲的能量,并且在不到一毫秒的時間內迅速地將數瓦特的功率添加到該FET。另外一種方法是,可以將外部功率 FET 的雪崩擊穿用于在“關閉”以后慢慢消耗能量,但是對于高頻 率脈寬調制 (PWM) 操作而言,不建議采用這種方法。
結論
高壓側前置場 FET 驅動器和功率 FET 組合被廣泛地用于負載控制,例如:車載電子的白熾燈泡、繼電器螺線管和傳輸螺線管等。這種組合還可能被應用于那些要求通過串行總線通信或者并行輸入控制來實現負載控制的工業和商業應用中。將每一個功率 FET 與熱相互作用隔離的這種能力,在那些單通道短路或者熱關閉故障不會中斷其它負載控制通道功能的情況下是非常有好處的。





