【導讀】經過十多年的產業發展,LED照明已經從一種創新技術變成成熟技術進入千家萬戶。根據TrendForce集邦咨詢最新報告顯示,LED照明產品為人們生產生活之必需品,預估2025年達到443億美金。照明產品進一步向數字化智能調光調控的燈具發展,相信未來照明產業也將更多地關注產品的智能系統化、人因健康照明以及細分應用市場需求等。
經過十多年的產業發展,LED照明已經從一種創新技術變成成熟技術進入千家萬戶。根據TrendForce集邦咨詢最新報告顯示,LED照明產品為人們生產生活之必需品,預估2025年達到443億美金。照明產品進一步向數字化智能調光調控的燈具發展,相信未來照明產業也將更多地關注產品的智能系統化、人因健康照明以及細分應用市場需求等。傳統的LED照明解決方案技術日趨成熟,而一些細分市場由于具有獨特、更加苛刻的技術特性要求,依然是電源半導體解決方案提供商性能比拼的關鍵市場之一。本文就以ADI在機器視覺、汽車車燈、舞臺及建筑照明為例分析如何滿足細分市場LED照明的需求方案。
支持機器視覺下的LED照明設計
在協作機器人大規模應用之前,現代工業組裝生產線就已經運用機器視覺來輔助自動化光學檢查,以確保在組裝線上快速移動的部件符合定義的規范。未通過光學檢查的缺陷部件被打上標記并自動地從組裝線移除,從而確保部件之間的一致性。而在這一類組裝線上作為視覺傳感使用的高速攝像機需要一種照相閃光燈系統,該系統能夠始終如一地重現一個固定導通時間光脈沖,可變的關斷時間由組裝線的速度以及部件的間隔距離來限定。

快速移動的傳送帶通過機器視覺系統進行快速標簽和缺陷檢測
在這一過程中,紅外和激光LED閃光燈常用于近程和運動檢測機器視覺。安全系統發出高速、難以察覺的LED閃光燈來檢測運動,捕獲和存儲安全影像。但是,這些機器視覺的相機閃光燈系統都存在的一個挑戰,即產生非常高的電流和短時間(微秒)LED相機閃光波形,這些波形可能散開在較長時間內,例如100 ms到1 s以上。
然而,產生間隔較長時間的短時LED閃光方波并非易事。當LED(或LED串)的驅動電流上升到1 A以上,并且LED開啟時間縮短到幾微秒時,挑戰難度進一步加大。許多具有高速PWM能力的LED驅動器可能無法有效處理較長關斷時間和短時間的高電流,而又不降低適當處理高速圖像所需的方波質量。
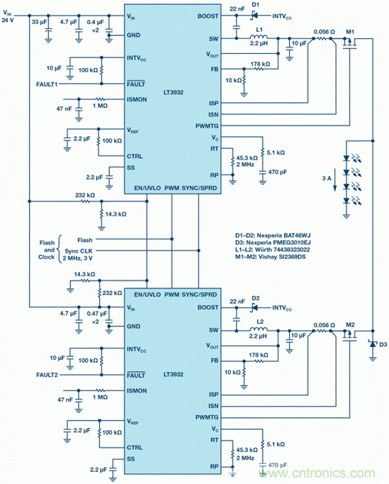
為了實現上述功能, ADI的高速LED驅動器LT3932可為高達2 A的LED串提供機器視覺相機閃光燈,關斷時間可以長達1秒、1小時、1天或更長時間,從而完美地解決這一問題。LT3932的特殊相機閃光燈功能允許其保持輸出電容和控制環路充電狀態,哪怕是在長關斷時間內。對輸出和控制環路電容的狀態進行采樣后,LT3932繼續在長關斷期間對這些元件進行涓流充電,以補償通常都會有的漏電流,而這是其他LED驅動器沒有考慮到的。
ADI的LT3932專有閃光技術支持擴展,驅動器可以并聯以提供更高的LED閃光電流。所需的閃光形狀和完整性保持不變。下圖顯示了并聯兩個驅動器從而支持3 A相機閃光燈,甚至高達4 A的設計也是可行的。

相對于標準PWM調光頻率,并聯LT3932 1.5A LED驅動器
產生具有長關斷時間的3A機器視覺LED脈沖
一顆IC驅動整個LED車前燈組
在車輛中,LED主要用于前照燈、日間行車燈(DRL)、側面指示燈和環境照明,其中前照燈組將遠光燈和近光燈、晝間行駛燈、有時還包括信號燈和示寬燈整合為單個車前燈組。該燈組的組件會具有迥然相異的驅動器要求,包括電壓和電流要求、拓撲、功率級別或獨特的調光功能。滿足各種要求常常意味著需采用單獨的驅動器解決方案。使用多個驅動器不僅使物料清單(BOM)和生產過程復雜化,而且還會導致難以滿足EMI標準。
雖然每種汽車款式和型號的車前燈組可以配備富有創造性的各種LED電流和電壓,但是它們通常最高達到30W總值,因此,這樣的驅動器必須具備以下特質:能接受相對較寬的電池電壓范圍,并采用一種升降壓拓撲將其轉換為各種各樣的燈串電壓;具有小巧和通用的特點,以便容易地安裝到燈組十分受限的空間之中;必須產生極低的EMI,從而盡量地減少研發工作量并免除增設昂貴EMI金屬屏蔽外殼;最后但很關鍵的一點,它還應該是高效率的。ADI公司的同步、四開關降壓-升壓型LED控制器LT8391A在滿足所有上述要求方面具有獨特性,可驅動整個車前燈組,而且還是僅采用單個控制器。

采用LT8391A的2MHz演示電路DC2575A以1.5A驅動16VLED
LED車前燈組可以是兼具創新性和藝術創意的。遠光燈和近光燈可以與時髦漂亮和獨具特色的晝間行駛燈(DRL)“包裹”在一起。因為晝間行駛燈僅在遠光燈和近光燈關閉時才會需要,故可使用單個LED驅動器給遠光和近光LED或晝間行駛燈供電。只有在LED驅動器具有靈活的輸入至輸出比、而且能對輸入至輸出電壓進行升壓和降壓的情況下,這種做法才會奏效。升降壓型設計可滿足該要求。
多光束LT8391A升降壓型LED驅動器能夠驅動3V至34V的LED燈串電壓。這使其能驅動一個近光燈串,并通過給近光燈串添加LED以創建一個遠光燈。這同一個驅動器在切換之后,可驅動一個電壓較高、但電流較低的DRL。從僅限近光燈的LED切換至近光/遠光燈組合式燈串,就不會在輸出電壓或LED電流上產生尖峰脈沖。LT8391A能夠在升壓、4開關升降壓、和降壓工作區之間平穩地轉換。對于轉換器來說,從LED數量少的燈串變更至LED數量多的燈串時不產生LED尖峰脈沖會是棘手的難題,然而這款多光束LED燈電路則能輕松地做到這一點。

用于近光燈、遠光燈和DRL燈的LT8391A多光束LED車前燈組解決方案
LT8391A LED驅動器專為汽車前照燈而設計,它采用AEC-Q100組件并滿足CISPR25 Class5輻射EMI標準。在上圖的演示電路中,盡管該控制器具有2MHz工作頻率和24W功率,但是這款升降壓型LED驅動器仍然達到CISPR25Class5輻射和傳導EMI規格要求。
舞臺和建筑LED照明的色彩控制
紅、綠、藍(RGB) LED可用于建筑和舞臺照明系統,用以形成明亮的投影色彩——有時會在RGB組合中添加白色LED,從色調、飽和度和亮度方面擴展色彩范圍。無論色彩分量有多少,都必須精確控制每個色彩分量的亮度,以便對色彩進行預測或是補償LED之間的色差。
采用大量RGBW LED的照明系統需要大量的驅動器,并且控制信號要與這些驅動器同步。性能最好的方法是用高性能LED驅動器直接控制每個LED。在這種方法下,既能控制每個LED的PWM調光及直流電流和電壓,還能將紋波降至最低水平,并大幅提高可預測能力。使用通過串行總線控制的雙降壓LED驅動器LT3964,可以輕松實現這類系統。
具有I2C控制和報告功能的LT3964雙降壓LED驅動器是一款理想的解決方案,可以通過串行通信技術驅動具有高電流和高帶寬的多個LED或LED串。降壓調節器具有固有的高帶寬,LT3964在單個封裝中有集成了兩個36 V、2 MHz同步和高頻降壓LED驅動器,還集成了2 A開關,可以相對輕松地驅動多通道大電流LED。

ADI圖片
I2C串行通信功能簡化了每個LT3964支持的兩個獨立高電流LED通道的模擬和PWM調光功能,在單個I2C總線上有多達八個不同的LT3964地址。例如,上圖中的2 MHz雙通道1A降壓LED驅動器示例電路具有高效率和超小尺寸等特點,可將其更改為通過34 V至36 V輸入為每個通道提供高達30 V的LED電源,效率高于90%。
兩個LT3964驅動器足以用1 A(或以上)驅動單個或一串RGBW LED。雖然RGBW色彩通常以1:256、8位分辨率控制,但LT3964可以為每個通道提供高達1:8192、13位的PWM調光功能以及1:10的模擬調光功能——全部由I2C控制。

Cree XM-L RGBW高功率LED可由兩個LT3964 LED驅動器驅動
這種直驅方法允許分量RGBW LED在亮度和電壓方面存在較大差異——每個通道完全獨立。在此示例中,單個Cree RGBW LED由四個LT3964通道驅動,每個通道輸出1A電流。通過簡單更改數字寄存器,亮度和色彩控制可擴展至1:8192 PWM調光,并且1/10模擬調光可支持每個紅、綠、藍、白LED。對色彩的唯一真正限制是LED本身。實際上,如果需要,如此強大的混色控制能力允許對LED進行色彩校正。
免責聲明:本文為轉載文章,轉載此文目的在于傳遞更多信息,版權歸原作者所有。本文所用視頻、圖片、文字如涉及作品版權問題,請電話或者郵箱聯系小編進行侵刪。




