中心論題:
- 許多采用白光LED 照明和背光的消費類產品都支持開關時的漸進性 LED">LED 發光變化
- 白光 LED 的漸進性發光變化通常要借助可提供 PWM 發光變化控制功能的微處理器來完成
- 在不采用微處理器控制的情況下通過驅動電路中電容的緩慢充放電也可以實現開關時的漸進性發光變化
解決方案:
- 通過電容器件的緩慢充放電過程可以達到控制LED">LED漸進性發光的效果
- 通過增加電阻可以避免因三極管導通電壓而產生的延遲
許多采用白光 LED">LED 照明和背光的消費類產品都支持開關時的漸進性 LED">LED 發光變化。這種漸進性的發光變化通常要借助可提供 PWM 發光變化控制功能的微處理器來完成。在此,我們將介紹一款采用德州儀器 (TI) TPS61040 白光 LED">LED 驅動器的電路,其在不使用微處理器的情況下同樣也可以實現開關時的漸進性發光變化。
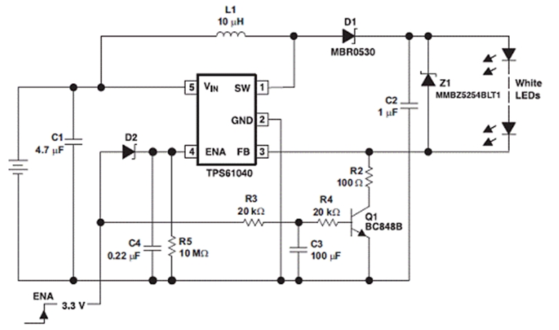
以下電路可生成 101mA 的恒定電流,能為 PDA 和數碼相機等便攜式應用驅動高達 6 個白色 LED">LED。其輸入電壓工作范圍為 1.8 V 至 6 V,可以采用兩節堿性電池或鎳氫電池輸入(1.8 V 到 ~3 V)、三節堿性電池或鎳氫電池輸入(2.7 V 到 ~4.8 V)以及單體鋰離子電池輸入(3 V~4.2 V)。這種升壓轉換器采用 R1 來設置流過 LED">LED 的恒定電流。TPS61040 產品說明書 (SLVS413) 給出了本電路的詳細描述。

圖 1、恒定電流 LED">LED 驅動電源
圖 1 所示的電路閉合時可立即生成最大編程負載電流,并在電路斷開時立即變為零電流;而圖 2 所示的電路會在閉合和斷開時慢慢增加和減小 LED">LED 的亮度(1–2 秒的時間)。我們只需對原始電路略作修改,就能實現上述效果。

圖 2、更多的組件實現了 LED">LED 電流的漸進式開關功能
應用使能信號 (enable signal) 時,R3 將慢慢給 C3 充電,此舉會慢慢開啟 Q1。TPS61040 會通過 D2 被立即啟用。在電路閉合時,FB 到接地的初始電阻極高,從而將 LED">LED 電流限制為 0 mA。隨著 Q1 慢慢開啟,有效電阻逐漸下降,電阻的下降與 LED">LED 電流的升高有直接的關系。LED">LED 從亮度為 0% 變為 100% 的亮度,需時 1 到 2 秒鐘,具體的時間長短取決于選定的時間常數。圖 3 顯示了電路閉合時的相關波形。

圖 3、電路閉合時的波形
ENA 信號在電路斷開時下降,此時 D2 會阻止 C4 放電。TPS61040 保持開啟狀態,直到 C4 通過 R5 放電。在 TPS61040 仍為開啟狀態時,C3 開始通過 R3 和 R4 放電。隨著 Q1 可用基線電流 (base current) 的下降,Q1 的有效電阻開始升高。隨著 FB 引腳上總電阻的升高,LED">LED 電流會成比例下降。圖 4 顯示了電路斷開時的相關波形。

圖 4. 電路斷開時的波形
在電路閉合時,ENA 信號上升和電流開始通過 LED">LED 之間會有較短的延遲,之所以會出現這一情況,是因為只有當 Q1 的基線電壓達到約 0.7 V 時,Q1 才開始進行傳導。如圖 5 所示,我們可以添加 的電阻 R6,這樣就可以使基線電壓在電路閉合時立即升至約 0.5 V,從而將啟動延遲從 500 ms 縮短到約 100 ms。圖 6 和圖 7分別顯示了添加 R6后電路閉合和電路斷開時的波形。

圖 5、為縮短電路閉合延遲而進行的修改

圖 6、電路閉合時延遲的縮短

圖 7、電路斷開時延遲的縮短
本應用報告介紹了在不采用微處理器控制的情況下如何實現白光 LED">LED 的漸進性開關。





