【導讀】智能汽車硬件系統的核心就是電路系統,硬件電路系統的穩定性是整個系統的性能指標。智能車屬于輪式移動機器人,集環境感知、路徑規劃、自動駕駛等多功能于一體。智能汽車的能動性、中心、電路板的緊湊型都是硬件電路必須要考慮的因素。
智能汽車技術將許多領域聯系在一起,如計算機科學、人工智能、圖像處理、模式識別和控制理論等。智能汽車與一般所說的自動駕駛有所不同,它更多指的是利用GPS 和智能公路技術實現的汽車自動駕駛。這種汽車不需要人去駕駛,因為它裝有相當于人的“眼睛”、“大腦”和“腳”的電視攝像機、電子計算機和自動操縱系統之類的裝置,這些置都裝有非常復雜的電腦程序,所以這種汽車能和人一樣會“思考”、“判斷”、“行走”,可以自動啟動、加速、剎車,可以自動繞過地面障礙物在復雜多變的情況下,能隨機應變,自動選擇最佳方案,指揮汽車正常、順利地行駛。
電路系統是智能汽車硬件系統的核心,對于本硬件電路系統而言,穩定性是需要優先保證的性能指標,畢竟跑完全程才是取得成績的前提。在此基礎上,還應當綜合考慮智能汽車的動力性、重心及電路板的緊湊性等其他指標。
電機驅動模塊
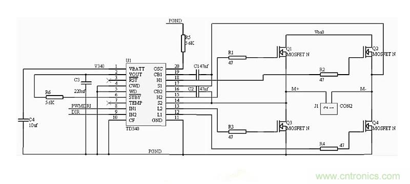
電機驅動模塊為智能汽車的行駛提供動力,它的性能直接影響到后輪電機的控制性能,包括加速、減速與制動等性能。本文采用MOSFET 驅動芯片加全橋驅動方案,只需合理的選擇MOSFET驅動芯片和功率MOSFET 以保證性能即可。電路圖如圖1所示。

圖1
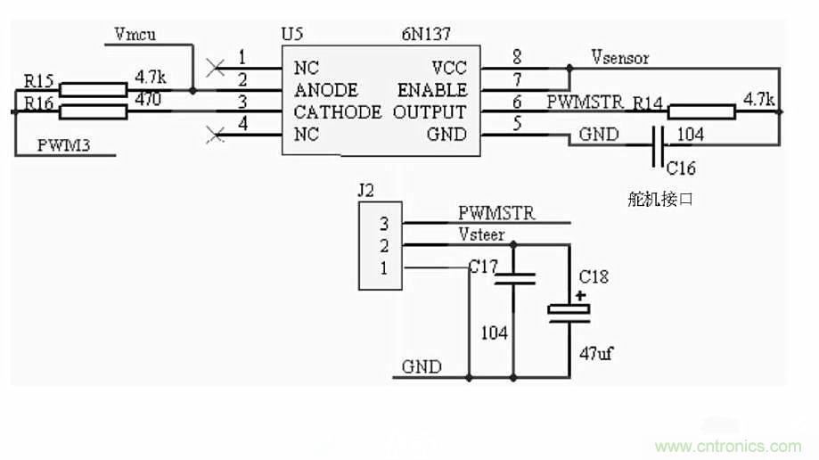
舵機負責智能汽車的轉向,舵機模塊能否穩定工作直接影響到智能汽車在賽道上高速行駛時的穩定性以及轉向時的靈敏度和精確度。舵機工作原理為:舵盤角位由單片機發出的PWM 控制信號的脈寬決定,舵機內部電路通過反饋控制調節舵盤角位。由于自身即為角度閉環控制,而且性能較好,故系統中就不必考慮外加舵機閉環。舵機驅動模塊電路如圖2所示。舵機驅動模塊同樣屬于功率部分,用6N137光耦進行信號隔離。

圖2
相關閱讀:
“步步驚心”步進電機控制系統的設計步驟詳解
3大三相無刷直流電機控制和驅動系統方案對比
專家精講:計算體系結構的三種電機控制




