【導讀】本設計實現了一種基于片上系統現場可編程門陣列(SoC FPGA) 的心電信號(ECG)檢測系統。系統通過具有高輸入阻抗、高共模抑制比和低噪聲的前置采集放大電路,實現心電信號的拾取和預處理。
通過基于SoC FPGA 的硬件平臺和移植的嵌入式Linux 開發環境的軟硬協同設計方式,完成了心電信號的A/D 轉換、VGA 顯示、Micro SD 卡數據存儲和心電信號算法處理,能夠對心電信號進行小波分析和QRS 波檢測,實現了對心電信號的采集、顯示、存儲和處理。
心電信號( electrocardiogram,ECG) 能夠客觀反映心臟各部分的生理狀況,也是用來診斷心臟疾病的主要依據,由于其具有易于檢測和有較好直觀性等特點,在臨床醫學中得到較為廣泛的研究與應用。自1906 年,第一臺心電圖儀用于臨床以來,各種形式的心電監護儀相繼出現。傳統的心電圖檢測儀器多以單片機、PC 為核心設計,系統笨重、檢測手段單一,不利于系統集成度的提高和小型化實現,或造成系統的使用不便。由于可穿戴設備和移動醫療的興起,心電監護儀正向小型化、便攜式、智能化方向發展。
本文設計了一種基于片上系統現場可編程門陣列( SoC FPGA) 心電信號檢測處理系統,通過A/D 混合設計和軟硬協同設計的方法,實現了心電信號檢測系統。信號采集由模擬前端電路完成,利用SoC FPGA 可重配置和軟硬協同設計等優勢,通過軟件編程對信號進行A/D 轉換、VGA 顯示、數據存儲和算法處理,從而實現信號采集、顯示、存儲和處理等多功能集于一體的心電檢測處理系統。
一.心電信號檢測系統設計
心電信號檢測監護系統是一個模擬和數字的混合系統,主要分為體表心電信號采集電路和以SoC FPGA 為核心的心電信號數字處理系統。采集電路接入醫用導聯線通過貼片電極拾取心電信號,心電信號經過采集電路放大和模擬濾波處理后進入SoC FPGA,先由HPS 端ARM 嵌入式硬核上基于Linux 的應用程序控制進行A/D 轉換,轉換為數字信號在FPGA 端進行VGA 顯示,同時將數字信號傳輸到HPS 端,可以對數字信號進行算法處理和存儲到MicroSD 卡上。SoC FPGA 軟硬協同的開發方式對硬件設計和心電信號后續算法處理的軟件開發都極為方便。按功能模塊劃分系統整體架構如圖1 所示。

圖1 系統框圖
1.體表心電信號采集電路
正常心電信號幅值范圍在10 μV~ 5 mV,典型值為1 mV,頻率范圍在0. 05~ 100 Hz,同時心電信號對噪聲非常敏感。因此,心電信號采集電路需要具備高輸入阻抗、高共模抑制比、低噪聲和低漂移等方面性能。體表心電采集電路由前置放大電路和后級放大電路組成。
2.前置放大電路
前置放大電路主要是對拾取到的心電信號進行初步放大和去噪,以利于后級放大和處理。心電信號中的噪聲主要有工頻干擾、肌電干擾、基線漂移和高頻噪聲。
1) 前置放大電路設計
前置放大電路由前級放大電路、帶通濾波電路和50 Hz工頻陷波電路組成,其中,前級放大電路又包括輸入保護電路、右腿驅動電路和儀表運放放大電路組成,如圖2 所示。

圖2 前置放大電路
由于系統要接到體表采集信號,需要考慮信號采集過程中人體保護的問題,系統中在采集電路的輸入級前端選擇加入耐壓值很高的瞬態電壓抑制( transient voltage suppressors,TVS) 二極管來保護人體和電路。右腿驅動電路是在采集心電信號中用于接參考電極,可以有效地消除采集到信號中的共模干擾。儀表運算放大電路完成心電信號的初級放大,同時還要具有高輸入阻抗、高共模抑制比、低噪聲和低漂移的特性。綜合考慮,選擇ADI 公司的精密儀表運放AD8220 芯片,為了防止出現飽和失真,前級增益設置為20 倍。
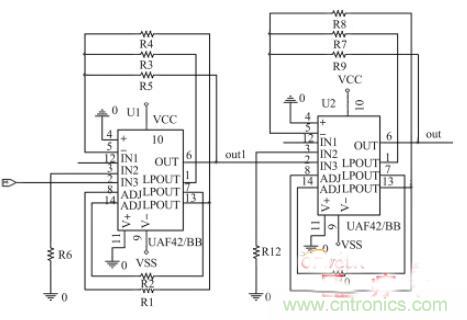
2) 工頻干擾和基線漂移的消除
采集電路拾取的心電信號中有低頻的基線漂移和高頻干擾,還有在心電信號頻率范圍內的50 Hz 工頻干擾,這些噪聲對心電信號提取的影響非常大。設計了基于通用有源濾波模塊UAF42 的帶通濾波器和50 Hz 工頻陷波器。帶通濾波器電路的通頻帶為0.05~ 100 Hz,濾除了基線漂移等低頻干擾和高頻噪聲,工頻陷波器能有效濾除工頻噪聲。通過UAF42 可以方便地設計出各種類型和頻率特性的濾波器,只需要計算出合適阻值的外接電阻器,經過簡單的連接就能很好地滿足設計要求,免去了在有源濾波器的設計當中對電容器、電阻器的選型和匹配的工作。工頻陷波器電路圖如圖3 所示。

圖3 工頻陷波電路
使用兩片UAF42 芯片構成4 階陷波器增加陷波深度,設計工頻陷波電路Q 值為50, 50 Hz 陷波深度為- 110 dB。相比于傳統的雙T 陷波器,此陷波器中心頻率在設計時就可設置好,免去了陷波中心頻率的調試。此外,只需要連接設計時計算好電阻值的電阻器即可,免去了電容器的選型和匹配。
3.后級放大電路
后級放大電路由二級放大電路、光電隔離電路和低通濾波器電路組成。由于在前置放大電路中,儀表運放的增益值和帶通濾波器的增益值都不能設得太高,避免噪聲竄入后幅值放大過大和產生振蕩而對有效信號干擾嚴重,所以,總體增益幅度為1 000~ 3 500,放大系統的增益將由多級增益電路實現。二級放大電路能夠將系統的增益達到設定值,由運放接成電壓負反饋的形式,控制整體電路的增益。光電隔離電路選用了一種低成本的精密電容線性光耦芯片ISO124,實現前后電路的電氣隔離而避免反饋噪聲的影響。低通濾波器主要是為了對由光電耦合引入的高頻噪聲進行消除,避免前級電路的高頻噪聲進入數字電路板。后級放大電路實現了模擬電路板和數字電路板的電氣隔離。
4.心電信號SoCFPGA數字處理系統設計
1) SoCFPGA的結構和特點
本文設計使用Altera 公司推出的基于28 nm 工藝的Cyclone V SoC FPGA 作為硬件設計平臺,這種新型的SoCFPGA 將兩個分立的不同類型的芯片結合在一起,將基于ARM 的硬核處理器系統( hard processor system,HPS) 集成在FPGA 架構中。
使用Altera 公司的嵌入式系統設計套裝( embedded designsuite,EDS) SoC 進行軟硬件的設計開發。用集成QuartusII 中的新一代SOPC 工具Qsys 進行硬件模塊的設計,它能自動生成互聯邏輯,連接知識產權( IP) 功能和子系統,SoC EDS 還提供了由Qsys 硬件系統信息轉換為軟件開發所需的工具,使得軟硬件設計銜接起來,支持Linux 應用開發,借助于DS—5 可完成從啟動代碼、內核移植到Linux 應用程序的軟件設計。
2) 心電信號數字處理系統
數字系統包括A/D 轉換模塊、VGA 顯示模塊、數據存儲模塊和算法處理模塊。SoC FPGA 中的HPS 和其它的硬件模塊可以通過Qsys 進行配置,用Quartus II 進行硬件設計,Qsys 和Quartus II 編譯可以產生軟件設計所需的信息文件。移植嵌入式Linux 系統,下載sof 文件,用DS—5 進行基于Linux 的系統軟件工程開發。
系統的A/D 轉換器采用的是ADI 公司的8 通道12 位高精度低功耗A/D 轉換芯片AD7928,轉換速率為1MSPS。美國心臟學會推薦的采樣率為500 Hz,但實際中不同應用有不同的采樣率,一般為125 ~ 1 000 Hz,監護時多采用200 Hz或250 Hz,輔助分析時多用400 ~ 500 Hz,而心電HOLTER 一般取125~ 200 Hz,本系統采用200 Hz。編寫程序控制A/D 轉換和數據緩存,產生控制VGA 需要的行同步信號與列同步信號,消隱信號、時鐘信號、RGB 信號使屏幕正常工作。嵌入式Linux 文件系統支持Micro SD 卡數據的寫入和讀取,將數字信號通過AXI 橋傳輸到HPS 端,軟件工程實現心電信號的算法處理和Micro SD 卡數據存儲。系統數字部分結構簡圖如圖4 所示。

圖4 系統數字部分架構
二.系統測試
系統設計完成后對前端采集電路和整體系統進行調試和測試。采用三導聯方式安放醫用貼片式Ag /AgCl 心電電極,通過醫用導聯線連接到心電信號采集系統進行測試。
1.模擬前端采集電路測試
受測者佩戴心電電極,用醫用導聯線接入到模擬前端采集電路,后端接入示波器,待信號穩定后就可以在示波器上觀測到心電信號波形,圖5 即為模擬前端電路實際測試波形圖。

圖5 模擬前端電路實際測試波形圖
2.系統整體測試
接入整體系統,運行軟件工程,系統存儲一段時間的心電信號,取出Micro SD 卡,讀取存儲的數據還原后心電信號波形如圖6 所示。

圖6 系統測試心電信號波形
3.心電信號算法處理
心電信號算法處理隨著智能醫療的應用變得越來越廣泛。在健康監護和疾病診斷等具體應用環境中,傳統的算法處理都是基于硬件實現的,基于硬件的實現方法一般難度比較大而且耗費資源,嵌入式Linux 系統的移植大大方便了心電信號算法處理的軟件實現。在軟件工程中實現了心電信號的小波去噪和QRS 波檢測。
1)基于小波分析的心電信號去噪
采用小波分析的方法進行心電信號去噪。小波分析由于能同時在時域和頻域中對信號進行分析,具有多分辨分析的功能,所以,在不同的分解層上有效地區分信號的突變部分和噪聲。對含有噪聲的原始心電信號進行小波分解后,噪聲部分主要集中在高頻小波系數中,包含有用信號的小波系數幅值較大,但數目少;而噪聲對應的小波系數幅值小,數目較多。基于上述特點,選取無偏似然估計閾值對小波系數進行處理,然后對信號重構即可達到消噪的目的。圖7 為心電信號小波去噪前后對比,信噪比可以達到121 dB。

圖7 心電信號小波去噪
2)基于小波分析的QRS 波檢測
根據小波變換的理論,信號的奇異點對應于其小波變換的一個正模極大值和一個負模極大值對,其位置對應于正、負模極大值的過零點,具體算法是尋找小波變換的模最大值,當計算的信號模大于一定閾值時,就判定為QRS 波群。同時,這個閾值也是隨著計算結果自適應更新,在判定為QRS 波群后,再檢測過零點則可判定具體的R 波位置。圖8 即為心電信號QRS 波群檢測和R 波峰定位。

圖8 心電信號QRS 波群和R 波峰檢測
對心電信號進行小波分析檢測出R 波波峰等特征點之后可以用提取到的特征值進行模式識別和分類,例如: 利用BP 神經網絡對心電圖ST 段波形進行形態分類。
三.結論
本文設計的基于SoC FPGA 的心電信號檢測系統能夠很好地采集到心電信號,實現了對心電信號的提取、顯示、存儲和處理。測試表明: 系統的模擬前端電路可以采集到比較清晰地放大到合適倍數的心電信號,系統整體的測試證明了設計的可行性。SoC FPGA 軟硬結合的開發方式能夠實現心電信號的算法處理,使設計更為靈活,為心電信號的處理和分析提供了便利,也為智能醫療的實現提供了可能性。



