【導讀】本文所要設計的系統是基于8051單片機的,由8051單片機、交通燈顯示、LED倒計時、車流量檢測及調整、違規檢測、緊急處理、時間模式手動設置等模塊組成。經過設計調試后,系統能夠簡單有效地疏導交通,提高道路的疏通能力。
系統除基本交通燈功能外,還具有通行時間手動設置、可倒計時顯示、急車強行通過、車流量檢測及調整、交通異常狀況判別及處理等相關功能。
本設計主要做了如下幾方面的工作:一是確定系統交通控制的總體設計,包括,十字路口具體的通行禁行方案設計以及系統應擁有的各項功能,二是進行傳感器的硬件電路、顯示電路等的設計和基本功能要求。

圖1:智能交通控制系統信號燈連接


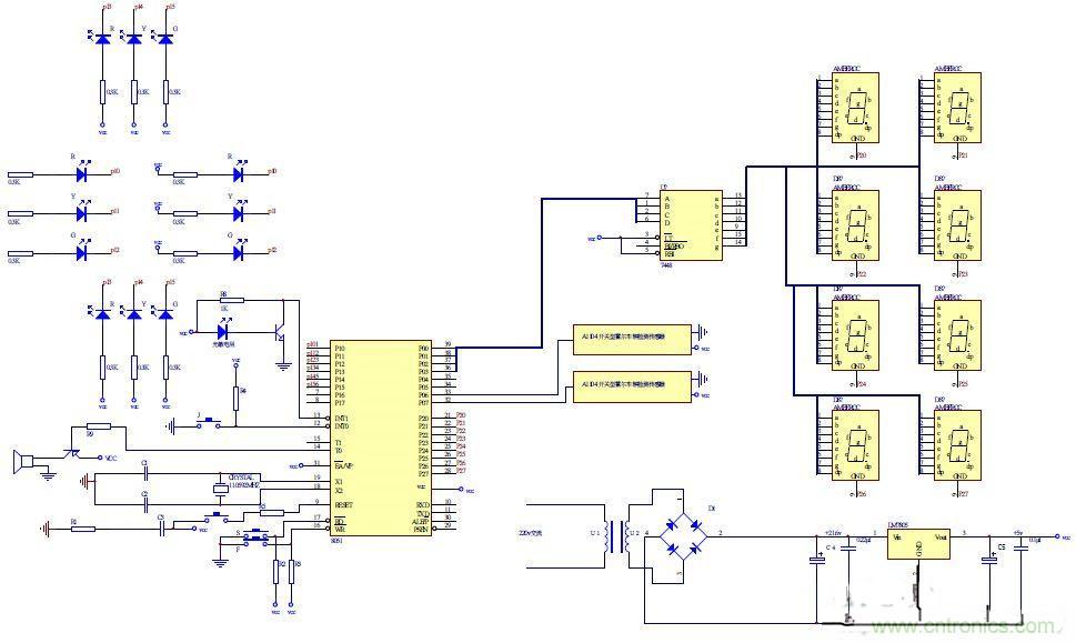
圖2:智能交通控制系統總體設計電路圖






