- 設計MOSFET和IGBT的驅動電路需考慮的因素
- 適用于不同功率情況下的驅動電路
- 在中、小功率場合采用驅動芯片直接驅動
- 大功率場合采用集成驅動器
1 引言
隨著電力電子技術和電力半導體器件的飛速發展,近幾年來MOSFET和IGBT在變頻調速裝置、開關電源、不間斷電源等各種高性能、低損耗和低噪聲的場合得到了廣泛的應用。這些功率器件的運行狀態直接決定了設備性能的優劣,而性能良好的驅動電路又是開關器件安全可靠運行的重要保障。在設計MOSFET和IGBT的驅動電路時,應考慮以下幾個因素:
(1)要有一定的驅動功率。也就是說,驅動電路能提供足夠的電流,在所要求的開通時間和關斷時間內對MOSFET和IGBT的輸入電容Ciss充電和放電。輸入電容Ciss包括柵——源之間的電容CGS和柵——漏之間的電容CGD。 MOSFET和 IGBT的開通和關斷實質上是對其輸入電容的充放電過程,柵極電壓VGS的上升時間tr和下降時間tf決定輸入回路的時間常數,即:tr(或tf)=2.2RCiss ,式中R是輸入回路電阻,其中包括驅動電源的內阻Ri。從上式中可以知道驅動電源的內阻越小,驅動速度越快。
(2)驅動電路延遲時間要小。開關頻率越高,延遲時間要越小。
(3)大功率IGBT在關斷時,有時須加反向電壓,以防止受到干擾時誤開通。
(4)驅動信號有時要求電氣隔離。
以PWM DC-DC全橋變換器為例,其同一橋臂的兩只開關管的驅動信號S上和S下相差1800,是剛好相反的,即一只開關管開通,另一只開關管要關斷,或者同時關斷。其中,兩只上臂的開關管之間和下臂的開關管必須隔離。對于中小功率的驅動電路,用脈沖變壓器的方法實現隔離最為簡單,而在大功率的應用場合,則要使用集成驅動器驅動。
2 適用于中、小功率情況下的驅動電路
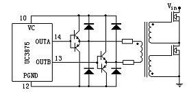
在驅動小功率的MOSFET和IGBT時,如果控制芯片的驅動信號是圖騰柱輸出方式,且可提供一定的驅動電流,那么可以直接由控制芯片來驅動變壓器,如圖1所示:
圖1 用芯片直接驅動電路示意圖
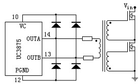
圖中,UC3875提供了四個輸出電流峰值為2A的圖騰柱輸出極,由于它們直接驅動的是變壓器,必須給每個輸出端與電源和地線之間接一個肖特基二極管,以防止損壞輸出端。變壓器次級經過一個電阻后直接接到開關管的觸發極,電阻的作用是抑制脈沖變壓器的漏感和開關管的柵極電容引起的的震蕩。但是要驅動功率較大的MOSFET和IGBT,上述控制芯片的驅動能力就顯得不夠了,此時可以將控制芯片的驅動信號加以推拉式功率放大,如圖2所示:

圖2 芯片后接功放的驅動電路示意圖
適當選擇三極管,就可以可靠地驅動功率開關管。
3 適用于大功率場合驅動電路方案
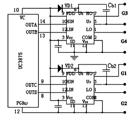
在大功率應用場合,由于上述驅動電路受驅動能力的限制,無法可靠地驅動大型MOSFET、IGBT。而集成驅動器的出現則很好地解決了這一問題。國內外已推出了多種具有保護功能的智能驅動器,如日本產的EXB841、EXB850,國產的M57959和CWK等。它們具有許多優點,如電路參數一致性好、運行穩定可靠、具有多種保護功能等。但它們最大的不足是需要單獨的浮地電源,給系統帶來了不便。最近IR公司推出了IR2110集成驅動器,它針對上述驅動器電源系統的不足,設置了自舉浮動電源,只需一路電源即可實現隔離驅動。對半橋、全橋式電路特別適用。IR2110的功能框圖如圖3所示。

圖3 IR2110功能框圖
控制脈沖由Hin、Lin輸入,與兩路輸出H0、L0同相對應分別用于驅動上端和下端的開關管。SD可用作保護端,當SD為高電平時,兩路輸出同時截止。驅動器設有欠壓保護,如圖3中VCC低于欠壓給定值時,欠壓檢測電路產生一關斷信號,以關閉兩路輸出。邏輯輸入端設置了施密特觸發電路,提供高的抗干擾能力和接受緩慢上升時間的輸入信號。具有高抗干擾能力的VDD/VCC電平轉換電路將邏輯信號轉換成輸出驅動。同時,在電源地(COM)和邏輯地(VSS)之間設有±5V的額定偏移量,這樣使邏輯電路不會受到輸出驅動開關感應噪聲的影響。驅動器兩通道均采用低跨導圖騰柱輸出,輸出峰值電流達2A以上。用IR2110構成的全橋驅動電路如圖4所示:

圖4 IR2110應用于全橋電路圖
圖中充電二極管VD1、VD2的耐壓值必須高于總線峰值電壓,應采用功耗較小的快恢復整流二極管。自舉電容Cb1、Cb2的選取取決于開關頻率、負載周期及開關管柵極充電需要,應考慮如下幾點:(1)PWM開關頻率高,電容值應選小。
(2)對占空比調節較大的場合,特別是在高占空比時,電容要選小。否則,在有限的時間內無法達到自舉電壓。
(3)盡量使自舉上電回路不經大阻抗負載,否則電容得不到可靠的充電。
4 結語
針對不同的應用場合,合理選取驅動電路形式、正確選擇工作參數是MOSFET與IGBT安全工作的關鍵,同時也是保證整機運行的一個重要環節。實踐證明,在中、小功率場合采用驅動芯片直接驅動、大功率場合采用集成驅動器的方案切實可行,能夠滿足設備的一般驅動要求。
參考文獻:
[1]黃俊,王兆安. 電力電子變流技術[M]. 北京:機械工業出版社,1993
[2]侯振義,王義明.高速MOSFET驅動電路設計考慮[L]. 全國電源技術年會論文集,1997
[3]Bill Reycak “Phase shifted zero-voltage transition design considerations and the UC3875 PWM controller” Unitrode application note





