【導讀】RS-485接口往往需要工作在惡劣的電磁環境下,還要求實現長距離數據傳輸(可以達到1200米)、高速(可以達到幾十Mbps)。那么在設計方面需要注意一些什么呢?本文主要介紹RS-485的工作模式,以及RS-485可能面對的EMI電磁干擾以及對應的解決方案。
詳解RS-485工作原理
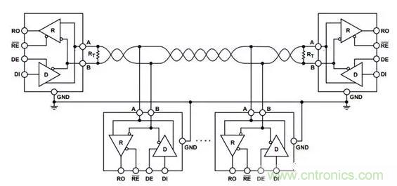
以差分傳輸來應對共模干擾
當RS-485芯片接受到差分電壓大于200mV時,RO腳輸出低電平,而本身DI可以輸出1.5V的差分電壓。因此有足夠的余量來支持長距離傳輸以及各種環境噪聲的干擾。

圖1:RS-485芯片工作原理
為了消除在通信電纜中的信號反射,一般使用雙絞線來避免干擾。對于比較長的連接,一般的做法是在RS-485總線的開始和末端都并接終端電阻,因為大多數雙絞線電纜特性阻抗大約在120Ω左右。
RS-485的工作模式
以ADI的ADM3061EARZ為例,半工RS-485連接支持多個接收器和發射器在同一個信號回路上,但是要保證每次只有一個發射器工作。這個可以通過控制RE(收器使能)、DE(發射器使能引腳)來實現。半工RS-485可以雙向數據傳輸,但是每一個時間節點上只能一個方向傳輸信號。

圖2:RS-485收發器的工作模式
了解更多RS485收發器信息,請點擊Digi-Key RS485收發器。
RS-485如何連接
為了避免信號反射,在多個RS-485連接時,支路長度(StubLength)越短越好。同時要避免其他類型的連接,比如星型連接。
注:理論上支路長度應該小于1/4波長(傳輸頻率對應的波長),實際應用上越小越好。

圖3:RS-485的正確連接
最大可以接多少個節點由RS-485接收器的輸入阻抗來決定,標準RS-485接收器輸入阻抗大于12K歐姆,最多可以驅動32個負載。輸入電阻越大,驅動的負載越多。比如ADM3061EARZ輸入阻抗48K歐姆,最多可以驅動128個負載。

圖4:RS-485接收器的輸入阻抗和負載數量
RS-485面臨的EMC電磁干擾風險
對于RS-485的EMC電磁干擾需要考慮下面三種情況的靜電防護:
“靜電”防護ESD:
干擾成因:靜電引起的干擾
干擾路徑:手指觸碰
對應標準:IEC 61000-4-2
典型干擾波形:接觸放電±8 kV ,ESD脈沖4mJ ,ESD波形(接觸放電8kV)

圖5:靜電干擾典型干擾波形
“電快速瞬變脈沖群” 防護EFT
干擾成因:快速開關引起的干擾,比如:切斷感性負載、繼電器觸點彈跳等
干擾路徑:高頻噪聲通過各種路徑耦合到通信端口
對應標準:IEC 61000-4-4
典型干擾波形:端口電壓2kV,單個EFT脈沖能量4mJ ,EFT 50Ω負載波形2kV

圖6:電快速瞬變脈沖群典型干擾波形
“浪涌”防護Surge
干擾成因:開關或雷電瞬變引起的干擾
干擾路徑:各種路徑耦合到通信端口
對應標準:IEC 61000-4-5
典型干擾波形:浪涌脈沖能量可以達到90J,浪涌1.2/50µs波形

圖7:浪涌電壓典型干擾波形
RS485的EMC電磁干擾解決方案
TVS管保護
如何連接:TVS管連接需要保護的線路與地,提供過壓保護。
如何工作:當產生大于TVS的擊穿電壓的瞬態電壓時,TVS電阻變小,能量從TVS管流到地(<1 ns)。在瞬態事件后,TVS管自動復位至低阻抗狀態,允許系統恢復正常工作

圖8:TVS保護電路
TVS管非對稱擊穿電壓:RS485芯片需要保障在+12V至–7V的收發器共模范圍。因此對于TVS管的要求也是非對稱擊穿電壓。比如CDSOT23-SM712獨有特性是具有+13.3V和–7.5V的非對稱擊穿電壓。
如果需要了解更多非對稱TVS管信息,請點擊Digi-Key 非對稱TVS管選擇, 可以根據參數選型,選擇「12V(最大), 7V(最小)」項,查找針對RS485設計的TVS管。

圖9:選擇針對RS485設計的TVS
TVS管對于EFT和ESD有著比較好保護。而浪涌的能量平均高出ESD和EFT三到四個數量級, 但是TVS管可能不一定能很好的瓦解浪涌的能量,這時則需要更復雜的保護方案。
瞬態閉鎖單元(TBU)
如何連接:TBU串聯在需要保護的線路中,提供過流保護,與TVS管配合使用。
如何工作:當發生過流,TVS由于瞬態電壓工作在擊穿狀態,TBU阻值變大,電流將升至預設的限流水平。此時,TBU會在不足1µs時間內將受保護電路與浪涌斷開,只有極小的電流通過受保護電路 (<1mA)。在瞬態事件后,TBU自動復位至低阻抗狀態,允許系統恢復正常工作。典型的TBU,比如Bourns 的TBU-CA065-200-WH。

圖10:TBU保護電路
浪涌抑制專用芯片
一個器件提供的保護往往有限,所以對于高要求的應用,往往需要多種器件聯合使用。
你可以訪問Digi-Key浪涌抑制IC,選擇相關的器件。Digi-Key網站提供豐富的參數選項供選擇,下圖中「外部開關」指的是器件外部需要另加開關(比如MOS管),而該芯片一般是起到控制作用。而「內部開關」指的是保護電路的開關在芯片的內部。

圖11:浪涌抑制專用芯片選型參數
本文小結
盡管已使用多年,RS-485憑借良好的共模噪聲的抗干擾的能力,適于長距離信號傳輸,仍廣泛應用于工業環境。
來源:得捷電子 作者:Alan Yang



