【導讀】在物聯網、工業傳感及精密醫療設備中,對正負對稱電壓的供電需求日益普遍。此類應用通常要求僅通過單一正電源高效、穩定地生成對應的負電壓,這對電源設計提出了獨特挑戰。本文將深入解析相關市場趨勢與核心設計要求,系統對比主流技術方案,為市場與銷售團隊提供清晰的技術洞察與推廣支持。
摘要
在物聯網、工業傳感及精密醫療設備中,對正負對稱電壓的供電需求日益普遍。此類應用通常要求僅通過單一正電源高效、穩定地生成對應的負電壓,這對電源設計提出了獨特挑戰。本文將深入解析相關市場趨勢與核心設計要求,系統對比主流技術方案,為市場與銷售團隊提供清晰的技術洞察與推廣支持。
術語定義
轉換器:一種電源管理集成電路,其內部可能集成了開關,也可能沒有集成開關。
穩壓器:一種集成了開關的轉換器。
控制器:一種使用外部開關的轉換器。
市場
在眾多電子設計中,電源部分常常需要提供一個或多個負電壓,且通常與相應的對稱正電壓共同存在。一些典型的應用示例如下:
電動汽車充電器和牽引逆變器的柵極驅動器;例如,用于驅動氮化鎵(GaN)場效應晶體管(FET)和隔離柵極雙極晶體管(IGBT)。
用于工業和醫療應用的高性能模數轉換器(ADC)、數模轉換器(DAC)以及軌到軌運算放大器(運放)。
消費產品的LCD顯示屏。
驅動(雪崩)光電二極管時。
X射線等醫療應用。
下文詳細介紹了此類設計的兩個典型方框圖。
柵極驅動器
對于大功率開關電源和電機驅動器而言,通常需要一個負驅動電壓,原因如下:
●系統的印刷電路板(PCB)布局可能并非緊密布置且耦合緊密,其電路接地端通常會與來自系統各處的噪聲相耦合,并且可能會在接地電平附近波動。
●諸如IGBT、碳化硅(SiC)或GaN FET等主要功率器件,除非它們都封裝在一個模塊內,否則通常與柵極控制電路相距可達數厘米之遠。因此,來自柵極驅動器的信號在到達功率器件時可能會發生失真,需要額外的安全裕度。
●GaN FET等先進功率器件通常具有較低的導通閾值,這使得它們對柵極電壓振蕩更為敏感。一些高壓GaN FET可能具有較高的柵漏電容(CGD)或較大的工藝偏差范圍,這可能會導致米勒效應引發的導通現象。在這種情況下,建議最終客戶施加一個負柵極電壓,以確保器件保持關斷狀態。對于某些類型的IGBT,需要施加一個負電壓才能使其完全關斷。
其中一個例子是使用隔離式驅動器ADuM4120。在這類應用中,功率器件由正電壓(如V1)和負電壓(如V2)驅動,如圖1所示。

圖1.雙極性電源的設置示例。
軌到軌運算放大器
對于各種信號調理應用,當輸出需要實現接近電源的寬范圍變化,輸入需要圍繞基準電壓源擺動,或是對精度有著極高要求時,通常會使用軌到軌運算放大器。光電前置放大器系統的一個典型示例如圖2所示。這種設計需要一個正15 V電壓和一個負15 V電壓。

圖2.超低噪聲1M TIA光電二極管放大器的典型應用電路。
要求
從主電源產生正電壓的集成電路拓撲通常已廣為人知,包括低壓差(LDO)穩壓器、降壓型、升壓型、壓型-升降型等。然而,以往的文獻中并未對負電壓生成方案的選擇與權衡進行深入探討。下面來看一些相關要求和設計挑戰。
隔離
有時,正負電壓需要與電源隔離,這主要是出于安全方面的考慮,或者是因為不存在公共接地。例如,在電動汽車動力系統中,12 V控制總線主要由12 V輔助電池供電。為了控制高壓電池,必須進行隔離,這樣一來,任何低壓故障都不會導致安全隱患。通常,這樣的12 V電壓會在經過電氣隔離后轉換為±5 V或±15 V,以便為牽引逆變器或充電器中的多個信號鏈和驅動集成電路供電。其他一些工業逆變器,如光伏逆變器或電機驅動器,可能也需要進行隔離。
小尺寸
對于某些應用,如醫療病人監護儀,小型化是一個關鍵設計目標。這類器件需要通過多個高精度轉換器讀取并放大各種傳感器信號。因此,非常需要一種能產生正負電壓為這些轉換器供電的微型解決方案。
效率
對于任何新設計而言,提高效率往往都是目標之一。例如,在運算放大器應用中,一個普遍的趨勢是使用更低的軌電壓,前提是輸出端沒有明顯的失真,而且如果產生這些軌電壓所消耗的功率更少,效率也就更高。
時序和對稱性
對于像醫用X射線這樣的特殊應用,正負電壓可能并不需要很高的精度,但它們必須是對稱的,且絕對值的差異要極小。因此,最好對正負電壓都進行精確的調節和時序控制。
解決方案
解決方案按照復雜程度和總體性能的順序列出,同時也列出它們的優缺點以便進行比較。
齊納二極管
一種不使用集成電路來產生正負電壓的簡單方法是使用齊納二極管,如圖3所示。在這種解決方案中,V3源的輸出由Dz和Rz進行分壓。如果V3為9 V,Dz是一個5 V齊納二極管,那么柵極將由+5 V和-4 V的電壓驅動。由于不需要額外的集成電路,這種方法成本較低。然而,這種解決方案效率極低,并且不適用于那些需要幾十毫安電流以及輸出電壓需精確調節的應用場景。因此,這種拓撲結構并不常用。

圖3.負電壓齊納二極管軌的示例。
電荷泵
使用電荷泵是一種將正輸入電壓進行反相的便捷方法,因為不需要磁性元件。市面上有許多能實現此功能的電荷泵集成電路,并且在不同情況下各有優勢。
對于低功耗需求,ADI公司提供了多種穩壓和非穩壓電荷泵,例如圖4中的LTC1983。雖然這種解決方案非常簡單且外形小巧,但缺點在于效率方面,并且可能會產生較高的電磁干擾(EMI)。這類器件在負載電流方面存在限制,通常用于所需電流小于100 mA的應用。

圖4.100 mA、-3 V輸出的DC-DC轉換器典型應用電路。
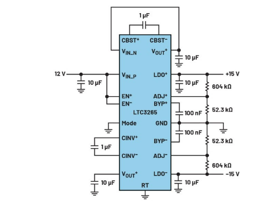
另外,考慮到需要低噪聲/低電磁干擾(EMI)以避免對其他敏感電路產生干擾(尤其是對于醫療設備、傳感和通信應用而言),ADI公司提供了諸如LTC3265之類的產品,在雙電荷泵的每個輸出端都集成了低噪聲LDO穩壓器(見圖5)。雖然輸出電流限制在50 mA,但這種解決方案對電磁干擾更為友好,并且僅用一個集成電路就集成了正輸出軌和負輸出軌。由于輸出噪聲極低,在驅動低功耗運算放大器和數據轉換器的精密儀器儀表應用中,非常有用。

圖5.單12 V輸入產生低噪聲±15 V輸出的典型應用電路。
在既需要高負載電流的正電壓軌(用于系統供電),又需要較小負載電流的負電壓軌(用于偏置或基準電壓源)的應用中,一個分立的負電壓電荷泵幾乎可以應用于任何降壓型或升壓型穩壓器,且無需額外的集成電路。“使用具有有源放電功能的MAX17291升壓轉換器集成電路從正輸入電壓產生負輸出電壓”這篇文章中展示了一個示例電路,使用MAX17291搭配外部電路來構成電荷泵。其缺點在于電荷泵的負載調整和動態負載響應能力。
反相轉換器
在已知輸入/輸出組合且無需精確穩壓的場景中,電荷泵相對更為實用,而相關的噪聲干擾則可通過額外的濾波措施來處理。對于那些輸入或輸出電壓范圍較寬且對穩壓要求嚴格的應用,建議采用基于電感的開關模式拓撲結構。
有幾種這樣的拓撲結構可以處理正電壓到負電壓的轉換,它們通常都被歸類為反相拓撲結構,但這種歸類方式可能會讓工程師產生混淆。雖然它們通常都能完成相同的功率轉換任務,但在設計上需要進行權衡取舍。以下是三種典型的拓撲結構:前兩種較為相似;然而,使用降壓型集成電路盡管并非專門為產生負電壓而設計,但它能提供更多的選擇。
使用降壓型集成電路的反相降壓-升壓轉換器
獨立式反相降壓-升壓轉換器
雙電感器(CüK)反相降壓-升壓轉換器
拓撲結構 (1):使用降壓型集成電路的反相降壓-升壓轉換器
當典型的同步降壓轉換器的輸出側與電路接地進行切換時,就會產生一個反相降壓-升壓(IBB)轉換器,如圖6所示。這種方法很受歡迎,因為市面上有許多可供選擇的同步降壓穩壓器或控制器。對于噪聲敏感型應用,ADI的Silent Switcher?單片降壓穩壓器,例如采用Silent Switcher 3技術的LT8624S,可配置為IBB以產生具有出色的寬帶和EMI噪聲性能的負電壓軌。圖6顯示了將LT8624S用作IBB的轉換器的一個示例電路,詳見“針對噪聲敏感型應用的快速瞬變負電壓軌”這篇文章。為了進行進一步的濾波處理,可以在輸出端添加一個低噪聲的負輸入LDO穩壓器。如果在使用這種拓撲結構時需要更高的功率,ADI公司有多種同步降壓控制器可供選擇,并且可以搭配外部FET使用。
這里的不足之處在于,這種集成電路所參考的是降壓轉換器的接地,而非系統接地(系統接地是輸出的正極側)。如果需要微控制器來執行諸如使能、同步之類的功能,或者僅僅是接收PGOOD信號,那么可能就需要一個外部電平轉換器電路,這可能會不太方便。關于這種額外電平轉換器電路的示例,可以參閱“產生負電壓——為什么需要在降壓-升壓電路中進行電平轉換”這篇文章,如圖6所示。如果需要PMBus? /I2C通信,則電平轉換器可能無法發揮作用,并且可能需要外部數字隔離器IC。
如果使用的是無需外部傳感或控制的轉換器,那么將降壓型IC用作IBB會更受青睞,因為這樣會有更豐富的選擇。不管具備何種電壓和電流額定值,所有降壓型負載點轉換器都可以通過這種方式進行配置,但大多數都需要外部電平轉換器以便進行外部控制。

圖6.使用LT8624S降壓型IC的IBB轉換器。
拓撲結構 (2):獨立式反相降壓-升壓轉換器
當應用中不希望使用外部電平轉換器時,有兩種解決方案:使用異步IBB,或者將電平轉換器集成到降壓型IC中。例如:
●異步IBB:可以通過使用PMOS作為主開關,并采用二極管來替代同步開關,從而設計出異步IBB。這樣一來,IC就可以參考系統接地,而無需電平轉換器。在這種情況下,輸出負載的正極側連接到輸入接地。這里的IC選項可以是如圖7所示的LTC3863。它的效率通常比使用降壓型IC要低,因為PMOS和二極管所產生的損耗,通常要比基于NMOS的同步轉換器更大。

圖7.異步IBB轉換器。
●集成了電平轉換器的降壓型IBB:把降壓型IC用作IBB時,無需使用外部電平轉換器,而是可以將每個輸入和輸出信號各自對應的電平轉換器集成到IC中。這對于設計師來說十分方便。例如,MAX17577/MAX17578和MAX17579/MAX17580都是基于降壓的IBB轉換器,它們在EN和RESET引腳集成了電平轉換器。
如果需要高功率和高效率,那么推薦使用LTC3896。它是一款更為精密的高性能同步開關控制器,并且集成了電平轉換器。盡管它采用38引線TSSOP封裝,是相對較大的一款IC,但它的能源效率非常高,而且兩個開關均支持使用NMOS。對于功率需要大于100 W的場景,建議使用這款器件。
拓撲結構 (3):雙電感器(CüK)反相降壓-升壓轉換器
當需要考慮開關噪聲問題時,CüK轉換器能夠產生負輸出電壓,且其造成的噪聲比IBB轉換器要小。這種拓撲結構如圖8所示,它包含兩個電感器和一個耦合電容。這種轉換器的優點在于其結構簡單,僅需一個低端開關即可將輸入電壓反相,并且該開關可以是NMOS,因此效率很高。例如,LT8330僅需8個引腳,而且設計起來并不困難。此IC是ADI的穩壓器之一,它集成了兩個誤差放大器,因而能夠檢測正輸出電壓或負輸出電壓。類似的穩壓器,例如LT8331、LT8333、LT8334、LT8570和LT8580,提供了不同的額定參數和特性,以滿足各種常見的應用需求。

圖8.簡化的反相轉換器。
雖然這種拓撲結構確實需要兩個電感器,但若像圖8所示那樣將兩個電感器進行耦合,輸出紋波會顯著降低,還可能減小輸出電容的尺寸。此外,由于輸入側和輸出側各有一個電感器,因此電流是連續的,并且整個電路的噪聲也要小于其他拓撲結構。如果需要更大的功率,采用LT3758等帶有外部低端FET的控制器IC可能是一個不錯的選擇。
反激式轉換器
如果出于隔離目的而需要變壓器(比如在反激式轉換器中),那么只需在輸出側增加另一個繞組,就能非常容易地產生正負輸出電壓。在這個變壓器上,通過設置多個繞向不同的繞組,并配合使用隔離二極管,就能夠產生正電壓或負電壓,如圖9所示。例如,LT8306無需使用光耦合器來進行反饋,從而節省了物料清單成本。
盡管這種方式很方便,但所產生的負電壓是未經過穩壓的。如果需要穩壓,建議在輸出端添加另一個負輸入LDO穩壓器。

圖9.帶有多個輸出繞組的典型反激式轉換器。
特殊雙多拓撲結構轉換器
考慮到大多數需要負輸出電壓的應用同時也需要與之互補的正輸出電壓,ADI公司提供了多種解決方案。這些方案采用了先前提到的拓撲結構,并且能在一個集成電路內提供兩個或更多的正負電壓。
一些例子如下:
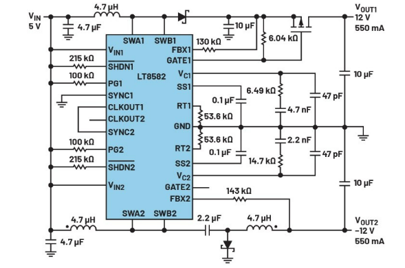
雙42 VIN、3 A升壓/反相穩壓器LT8582;
雙50 VIN、2 A多拓撲結構穩壓器LT8471;
雙5.5 VIN、2 A/1.2 A升壓/反相穩壓器ADP5076;
3通道60 V隔離式微功率管理單元ADP1034

圖10.5 V至±12 V升壓和反相轉換器的典型應用電路。
電源模塊解決方案
對于許多希望解決方案尺寸超小,或者想要現成的完全集成式電源解決方案的工程師來說,可以考慮使用微型電源模塊。
例如,LTM4655是一款40 VIN、雙4 A反相μModule?穩壓器,具有兩個完全獨立的輸出通道,每個通道都可配置為正輸出或負輸出,并且其低電磁干擾性能已符合EN550222 B類標準,可以節省大量的設計和故障排除工作。
LTM8049是另一個不錯的選擇,其輸入電壓最高可達20 V,兩個輸出端的輸出電壓最高可達+24 V,最低可至–24 V。
結論
在系統中增加負電壓軌并不方便,因此集成電路供應商將“無需負電壓”作為一大優勢進行推廣。例如,GaNFET制造商正在說服客戶不要使用負柵極驅動,而運算放大器制造商則推薦性能更好的單電源運算放大器。然而,在許多高端應用中,對負電壓的需求仍然存在。
表1列出了本文提及的一些解決方案的對比情況,以供參考。ADI公司制造了數千種適用的集成電路,這些產品具有不同的拓撲結構和不同的額定參數,因此所推薦的限制條件和一般特性可能帶有主觀性,并且因各個產品型號的不同而有所差異。如果您是一名設計工程師,在閱讀本文時,除了在analog.com上進行搜索之外,還請隨時聯系當地的ADI代表,咨詢最適合您設計需求的產品。
表1.產生負電壓的各種拓撲結構

參考文獻
Ryan Schnell,“用雙極性方法驅動單極性柵極驅動器”,《模擬對話》,第52卷第10期,2018年10月。
“使用具有有源放電功能的MAX17291升壓轉換器集成電路從正輸入電壓產生負輸出電壓”,ADI公司。
Frederik Dostal,“產生負電壓——為什么需要在降壓-升壓電路中進行電平轉換”,《模擬對話》,第57卷第2期,2023年5月。
內部電源開關升壓穩壓器,ADI公司。
Steven Keeping,“Using an Inverting Regulator for Buck/Boost DC-to-DC Voltage Conversion”,DigiKey,2015年8月。
Thomas Schaeffner,“The Best Way to Generate a Negative Voltage for your System”,Newelectronics,2018年1月。
Frederik Dostal,“The Art of Generating Negative Voltages”,Power Systems Design,2016年1月。
推薦閱讀:




