【導讀】以太網成為工業通信的骨干網對我們提出了嚴峻的挑戰,因為其基礎設施容易受到雷擊等浪涌事件的影響。此類事故會引發接地回路和磁耦合電壓,可能導致操作技術系統癱瘓。
以太網成為工業通信的骨干網對我們提出了嚴峻的挑戰,因為其基礎設施容易受到雷擊等浪涌事件的影響。此類事故會引發接地回路和磁耦合電壓,可能導致操作技術系統癱瘓。
為了保持以太網連接設備的系統完整性和功能性,開發人員需要一種強大的解決方案來保護敏感電子元件,使其免受破壞性能量傳遞的影響。
本文簡要介紹了浪涌如何影響電子系統。隨后介紹了 Analog Devices 的保護器件,并說明了如何使用這些器件來減少浪涌事件。
浪涌事件如何影響電子系統
浪涌事件可能由多種因素引起,而雷擊則是其中最鮮明且最具破壞性的因素。即使在幾英里之外,雷擊也會在電子系統中引發接地回路和磁耦合電壓。這種瞬態過電壓會損壞敏感電子元件,并使關鍵操作中斷。
浪涌事件對電子系統的影響遠不止當下發生的暫時性故障。這些高能量傳遞會對電路造成不可逆轉的損壞,導致代價高昂的維修和系統停機事件。在以太網網絡中,浪涌事件會損壞聯網硬件和相連設備,導致數據丟失、系統性能下降,甚至讓系統完全癱瘓。
以太網基礎設施之所以容易受到浪涌事件的影響,是因為其覆蓋范圍廣且相互連接。由于以太網電纜需要長距離鋪設,這些電纜會接收到來自環境的電磁干擾,包括浪涌事件產生的感應電壓和電流,進而傳遞至看似與浪涌點隔離的設備(圖 1a)。
圖 1:未受保護的以太網裝置容易受到浪涌事件的影響,進而傳遞至敏感電子元件 (a),但采用防護平面等浪涌保護設計方法可以為浪涌電流提供安全通路 (b)。(圖片來源:Analog Devices)
開發人員必須采取強有力的浪涌保護措施,使敏感電子元件免受這些高能量傳遞的影響,確保系統的完整性和功能性。這包括使用浪涌保護器來保護網絡中的關鍵點,此類器件可通過使能量流入大地或采用防護平面等方法安全地耗散能量,將多余的能量從敏感元器件上轉移出去(圖 1b)。
要想在相連設備中構建浪涌保護功能,開發人員可依賴先進的設計方法,例如使用瞬態電壓抑制器 (TVS) 鉗制電壓、隔離方法、高頻濾波以及其他方法。同時,成功的浪涌保護需要將這些方法與專用元器件相結合,其中包括以太網物理層 (PHY) 器件、控制器,以及專為管理浪涌事件引發的應力而設計的供電設備。
Analog Devices 提供一套解決方案,專門設計用于支持浪涌保護設計方法,同時還可滿足以太網連接設備對強大功能的專業要求。
在以太網網絡中構建浪涌保護功能
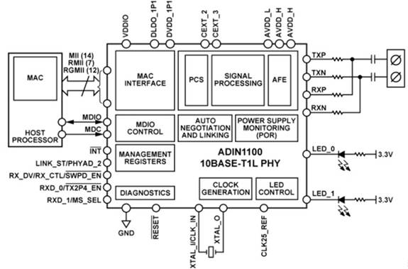
對于從傳統通信過渡到以太網連接的組織而言,10BASE-T1L 物理層以太網標準的出現為使用符合 IEEE 802.3cg 標準的 10 Mbps 單對以太網 (SPE) 電纜連接工廠內偏遠和危險場所的邊緣設備提供了所需的關鍵鏈路。Analog Devices 的 ADIN1100 專為支持這些標準而設計,是一款低功耗的單端口收發器,支持最遠 1,700 m 的以太網連接。功耗只有 39 mW,ADIN1100 將綜合功能架構與硬件接口相結合,旨在簡化主機處理器與以太網網絡的連接(圖 2)。
圖 2:ADIN1100 提供完整的 10BASE-T1L PHY,簡化了工業系統向以太網網絡的過渡。(圖片來源:Analog Devices)
ADIN1100 的浪涌保護設計集成了電源監控和上電復位 (POR) 電路,有助于提高系統穩健性,即使在不穩定的條件下也能確保穩定運行。利用 Analog Devices 的 EVAL-ADIN1100-EBZ 評估板,開發人員可以快速評估 ADIN1100 的性能并探索其他浪涌保護機制。
除了 LED 狀態指示燈、按鈕和接口連接外,該評估板還提供測試點、用于檢查其他電纜連接方法的小型原型開發區域,以及可選配的隔離變壓器或功率耦合電感器(圖 3)。
圖 3:EVAL-ADIN1100-EBZ ADIN1100 可簡化 ADIN1100 的性能評估和浪涌保護設計機制實驗。(圖片來源:Analog Devices)
工業以太網供電設備控制器
Analog Devices 的 LTC9111 專為工業 SPE 應用而設計,是一款符合 IEEE 802.3cg 標準的單對以太網供電 (SPoE) 設備控制器,具有 2.3 V 至 60 V 的寬工作電壓范圍。在用電設備 (PD) 和供電設備 (PSE) 共用所需功率等級相關信息的系統中,該設備可支持串行通信分類協議 (SCCP)。
LTC9111 支持 IEEE 802.3cg,可減少浪涌事件的影響,但在對浪涌敏感的應用中使用該器件時,開發人員可以添加一個電壓箝位,例如 TVS 二極管。將 TVS 與 ADIN1100 相結合是一種實施 SPoE 解決方案的有效方法,使其能夠在更遠的距離上運行(圖 4)。
圖 4:LTC9111 與 ADIN1100 相結合,簡化了 SPoE 設計,只需幾個額外元器件即可完善工業以太網連接的用電設備端。(圖片來源:Analog Devices)
SPoE PSE 控制器
LTC4296-1 是一款五端口 SPoE PSE 控制器,專為實現與 24 V 或 54 V 系統中 802.3cg PD 的互操作性而設計,用于符合 802.3cg 標準的應用的供電端。該器件的輸入電壓范圍為 6 V 至 60 V,支持廣泛的保護功能,包括使用外部 N 溝道 MOSFET、折返式模擬電流限制 (ACL)、可調電源和返回電子斷路器等。如需額外的浪涌保護,開發人員可以添加 TVS 二極管(例如 Littelfuse 的 SMAJ58A),以緩解供電尖峰(圖 5)。
圖 5:作為 LTC9111 PD 控制器的補充,LTC4296-1 五端口 SPoE 控制器可簡化工業以太網連接 PSE 端的設計。(圖片來源:Analog Devices)
利用 Analog Devices 的 EVAL-SPoE-KIT-AZ 評估套件,開發人員可以快速積累 PSE 控制器的經驗。該套件可幫助設計人員研究符合 IEEE 802.3 標準的完整 SPoE 應用。其中配備基于 LTC4296-1 和 LTC9111 的母板,每塊都承載了通過 SPE 電纜連接的基于 ADIN1100 的插入式盾板(圖 6)。
圖 6:EVAL-SPoE-KIT-AZ 評估套件提供一套完整的硬件電路板和電纜,可用于評估基于 LTC4296-1 PSE 和 LTC9111 PD 控制器以及 ADIN1100 10BASE-T1L 以太網 PHY 器件的 SPoE 應用。(圖片來源:Analog Devices)
盡管使用 LTC4296-1 PSE 控制器、LTC9111 PD 控制器和 ADIN1100 10BASE-T1L 以太網 PHY 器件能夠快速實施符合 IEEE 802.3cg 標準的 SPoE 解決方案,但 Analog Devices 的另一種解決方案還能滿足對有源箝位控制器的需求。
有源箝位 PWM 控制器
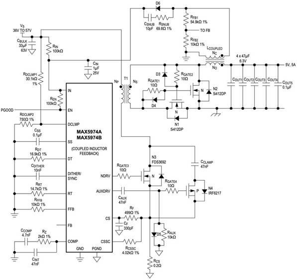
Analog Devices 的 MAX5974 系列器件是有源箝位、擴頻、電流模式脈沖寬度調制 (PWM) 控制器,旨在提高 PoE PD 應用中供電電源的效率。MAX5974 系列器件提供多種版本。例如,MAX5974D 設計用于使用傳統光耦合器反饋來支持輸出調節。相比之下,MAX5974B 無需光耦合器也可支持輸出調節,同時使耦合電感器輸出能夠獲得轉換器電源輸入 (IN)(圖 7)。
圖 7:Analog Devices 的 MAX5974B 通過免除反饋中的光耦合器并從耦合電感器輸出中獲得轉換器輸入 (IN) 電壓,簡化了有源箝位轉換器的設計。(圖片來源:Analog Devices)
MAX5974 器件內集成的前饋最大占空比箝位功能可確保最大箝位電壓在瞬態條件下不受線電壓的影響。該器件的逐周期電流限制功能有助于進一步保護敏感電子元件。當器件檢測到已達到峰值電流限制且持續時間超過閾值時,便會暫時關閉其主開關柵極驅動輸出 (NDRV) 和有源箝位開關柵極驅動輸出 (AUXDRV),讓過載電流耗散后再嘗試軟啟動。
應用廣泛的浪涌保護方法
這些產品可為以太網網絡提供廣泛的浪涌保護功能。ADIN1100 可確保長距離和低功耗運行,為網絡提供堅實的基礎。LTC9111 和 LTC4296 控制器協同工作,可管理功率輸送,同時在 PD 和 PSE 層級提供浪涌保護。MAX5974 可確保高效的功率轉換,減少浪涌事件中可能出現的能量浪費,從而對此設置進行補充。
通過協調實施這些產品,開發人員可以顯著增強以太網網絡的浪涌保護能力。這種集成方法可保護硬件,確保通信不間斷和操作連續性。
總結
以太網為工業通信提供了巨大的優勢,但由于電纜鋪設距離較長,使得敏感電子元件容易受到浪涌事件的影響。開發人員可以使用 Analog Devices 的一系列器件和開發資源,快速實施能夠抵御浪涌事件影響的以太網連接。
(作者:Stephen Evanczuk)
免責聲明:本文為轉載文章,轉載此文目的在于傳遞更多信息,版權歸原作者所有。本文所用視頻、圖片、文字如涉及作品版權問題,請聯系小編進行處理。
推薦閱讀:
創邁思、維信諾和意法半導體推出經濟、安全的隱形手機人臉認證系統




