【導讀】負載開關Q1導通瞬間會暫時流過比穩態電流大得多的電流。輸出側的負載容量CL的電荷接近零時,向輸出VO施加電壓的瞬間會流過大充電電流。
關于負載開關ON時的浪涌電流
負載開關Q1導通瞬間會暫時流過比穩態電流大得多的電流。輸出側的負載容量CL的電荷接近零時,向輸出VO施加電壓的瞬間會流過大充電電流。
這種流過大電流的現象稱作浪涌電流(Flash Current)。
浪涌電流的峰值大體可以通過輸入電壓VI、MOSFET Q1的RDS(on)和負載側負載容量CL的ESR確定,輸入電壓VIN變大時,電流也相應變大。
浪涌電流顯著變大時,有可能會引起誤動作和系統問題。
而且,在超過最大額定電流時,有導致破壞的危險。通過與MOSFET Q1的柵極、源極間電阻R1并聯追加電容器C2, 并緩慢降低Q1的柵極電壓,可以緩慢地使RDS(on)變小,從而可以抑制浪涌電流。
■負載開關等效電路圖
關于Nch MOSFET負載開關ON時的浪涌電流應對措施
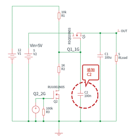
■Nch MOSFET負載開關等效電路圖
Nch MOSFET 負載開關:RSQ020N03
VIN=5V, IO=1A,Q1_1G=1V→12V
Q2 OFF時,負載SWQ1 ON。(Q1的柵極電壓設定在VO(VGSQ1)之上。)
Q2 ON時,負載SWQ1 OFF。
Q1 ON時,由于會流過浪涌電流,所以作為應對措施追加C2。
關于負載開關OFF時的逆電流
即使在負載開關Q1從ON到OFF時,由于存在輸出側負載容量CL,所以輸出VO引腳的電壓會殘留一定時間。
輸入VI側比輸出VO側電壓低時,由于MOSFET Q1的漏極、源極間存在寄生二極管,所以有時寄生二極管導通會發生從輸出VO側到輸入VIN側的逆電流。
要注意,不要超過MOSFET Q1的額定電流值。
關于輸入旁路電容器CIN的容量值,請在充分探討負載側條件、上升時間后再決定。
■負載開關等效電路圖
免責聲明:本文為轉載文章,轉載此文目的在于傳遞更多信息,版權歸原作者所有。本文所用視頻、圖片、文字如涉及作品版權問題,請電話或者郵箱聯系小編進行侵刪。
推薦閱讀:


