【導讀】PLC的輸出電路形式一般分為:繼電器輸出,晶體管輸出和晶閘管輸出三種。弄清這三種輸出形式的區別,對于PLC的硬件設計工作非常有必要。下面以三菱PLC為例,簡要介紹一下這三種輸出電路形式的區別和注意事項,其它公司的PLC輸出電路形式也大同小異。
1、晶體管輸出電路
晶體管輸出電路形式相比于繼電器輸出響應快(一般在0.2ms以下),適用于要求快速響應的場合;由于晶體管是無機械觸點,因此比繼電器輸出電路形式的壽命長。
晶體管輸出型電路的外接電源只能是直接電源,這是其應用局限的一方面。另外,晶體管輸出驅動能力要小于繼電器輸出,允許負載電壓一般為DC5V~30V,允許負載電流為0.2A~0.5A。這兩點的使用晶體管輸出電路形式時要注意。
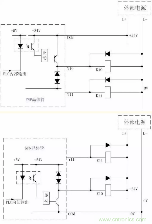
晶體管輸出電路的形式主要有兩種:NPN和PNP型集電極開路輸出。如下圖所示:

由以上兩圖可看出這兩種晶體管輸出電路形式的區別:NPN型集電極開路輸出形式的公共端COM只能接外接電源的負極,而PNP型的COM端只能接外接電源的正極。
和繼電器輸出形式電路一樣,在驅動感性負載時也要在負載兩端反向并聯二極管(二極管的陰極接電源的正極)防止過電壓,保護PLC的輸出電路。
2、繼電器輸出電路
這是PLC輸出電路常見的一種形式,其電路形式如下圖所示。該種輸出電路形式外接電源既可以是直流,也可以是交流。

圖1繼電器輸出
PLC繼電器輸出電路形式允許負載一般是AC250V/50V以下,負載電流可達2A,容量可達80~100VA(電壓×電流),因此,PLC的輸出一般不宜直接驅動大電流負載(一般通過一個小負載來驅動大負載,如PLC的輸出可以接一個電流比較小的中間繼電器,再由中間繼電器觸點驅動大負載,如接觸器線圈等)。
PLC繼電器輸出電路的形式繼電器觸點的使用壽命也有限制(一般數十萬次左右,根據負載而定,如連接感性負載時的壽命要小于阻性負載)。此外,繼電器輸出的響應時間也比較慢(10ms)左右,因此,在要求快速響應的場合不適合使用此種類型的電路輸出形式(可以根據場合使用下面介紹的兩種輸出形式)。
當連接感性負載時,為了延長繼電器觸點的使用壽命,對于外接直流電源時的情況,通常應在負載兩端加過電壓抑制二極管(如上圖中并在外接繼電器線圈上的二極管);對于交流負載,應在負載兩端加RC抑制器。
3、雙向
晶閘管輸出電路雙向晶閘管輸出電路只能驅動交流負載,響應速度也比繼電器輸出電路形式要快,壽命要長。其電路形式如下圖所示:

圖4 雙向晶閘管輸出
雙向晶閘管輸出的驅動能力要比繼電器輸出的要小,允許負載電壓一般為AC85~242V;單點輸出電流為0.2A~0.5A,當多點共用公共端時,每點的輸出電流應減小(如單點驅動能力為0.3A的雙向晶閘管輸出,在4點共用公共端時,最大允許輸出為0.8A/4點)。
注意
為了保護晶閘管,通常在PLC內部電路晶閘管的兩端并接RC阻容吸收元件(一般為0.015uF/22Ω左右)和壓敏電阻,因此在晶閘管關斷時,PLC的輸出仍然有1~2mA的開路漏電流,這就可能導致一些小型繼電器在PLC輸出OFF時無法關斷的情況。




