- 串聯鋰電池保護系統概述
- 各保護功能的實現方法
- 過放電保護
- 過電流、短路保護
- 過充電保護
- 充電溫度保護
1系統概述
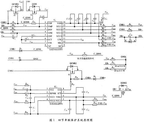
該保護系統采用精工電子三/四節串聯鋰離子可充電電池專用充、放電保護ICS-8254構建一級保護。S-8254系列內置高精度電壓檢測電路和延遲電路,針對各節電池進行高精度電壓檢測,實現單節過充電保護和單節過放電保護,并具備三段過電流檢測功能,通過外接電容可設置過充電檢測延遲時間、過放電檢測延遲時間和過電流檢測延遲時間1(過電流檢測延遲時間2和過電流檢測延遲時間3在芯片內部被固定)。該系統采用精工電子S-8244系列內置高精度電壓檢測電路和延遲電路的鋰離子可充電電池二級保護專用IC實現電池的單節二級充電保護,其保護延遲時間可通過外接電容的容值來設置。
圖1為四節電池串聯使用時的保護系統原理圖。
[page]S-8254通過SEL端子可以實現電池三節串聯用或四節串聯用的切換;S-8244則通過電阻R22短路第四節電池電壓檢測端子VCC3和VSS即可用作三節電池串聯使用時的二級保護。
2各保護功能的實現
S-8254系列充、放電保護電壓和過電流檢測電壓以50mV為進階單位,S-8244系列過充電檢測電壓以5mV為進階單位,系統根據不同場合的使用需求,可以選擇相應適合的型號。現以圖1保護系統為例,采用S-8254AAVFT和S-8244AAPFN作為保護IC,具體說明各保護功能的實現過程。
2.1過放電保護
通常狀態下,S-8254放電控制用端子DOP為VSS(電池4的負電壓)電位,放電MOS管QDISl,QDIS2處于導通狀態,系統可正常進行放電工作。當檢測到某節電池電壓低于2.7V(VDLn),且這種狀態保持在TDL(TDL時間由過放電檢測延遲端子CDT外接電容CS決定)以上時,DOP端子的電壓變為VDD(電池1的正電壓)電位,放電MOS管關閉,停止放電,這種狀態稱為過放電狀態。進入過放電狀態后,VMP端子電壓經電阻R3由負載下拉至VDD/2以下,S-8254轉為休眠狀態;斷開負載后,VMP端子電壓經電阻R9、充電MOS管QCHRl和QCHR2由VDD上拉至VDD/2以上且低于VDD,S-8254退出休眠狀態。當所有電池電壓都在3.0V(VDUn)以上時,過放電狀態被解除,系統恢復正常放電工作。
2.2過電流、短路保護
該系統采用2個并聯的20mΩ功率電阻RS1,RS2用于過電流檢測。當放電電流大于20A時,過電流1,2檢測端子VINI和VSS之間的電壓差大于過電流檢測電位1VI0V1(O.2V),且這種狀態保持在TIOVl(TIOVl時間由過電流1檢測延遲端子CDT外接電容C3決定)以上時,DOP端子的電壓變為VDD電位,放電MOS管關閉,停止放電,進入過電流1保護狀態。在過電流狀態下,VMP端子電壓經電阻R3由負載下拉至VSS;斷開負載后,VMP端子電壓經IC內部RVMD電阻被上拉至過電流檢測電位3VIOV3(電池1的正電壓VC1~1.2V)以上,過電流狀態解除,系統恢復正常放
電。當放電電流大于50A時,VINI和VSS之間的電壓差大于過電流檢測電位2VIOV2(0.5V),且這種狀態保持在TIOV2(1ms)以上時,進入過電流2保護狀態。當負載出現短路時,過電流3檢測端子VMP的電壓被瞬間拉至VIOV3以下(檢測延遲時間TI0V3為300μs),系統進入短路保護(過電流3保護)狀態。
2.3過充電保護
為了確保電池的安全性,該系統對于過充電狀態采取了兩級保護措施。首先,當檢測到某節電池電壓高于4.05V(VCU2n),且這種狀態保持在TCU2(TCU2時間由S-8244過充電檢測延遲端子ICT外接電容C16決定)以上時,S-8244充電控制用端子CO輸出動態“H”,二級充電MOS管QCHR2關閉,停止充電,這種狀態稱為過充電狀態;進入過充電狀態后,當所有電池電壓都在3.80V(VCL2n)以下時,過充電狀態解除。若因某種原因導致S-8244保護失效,則S-8254過充電保護生效,當檢測到某節電池電壓高于4.25V(VCUln),且這種狀態保持在TCUl(TCUl時間由S-8254過充電檢測延遲端子CCT外接電容C2決定)以上時,S-8254充電控制用端子COP變為高阻抗,一級充電MOS管QCHRl的G極被外接電阻R2拉高,QCHRl關閉,進入過充電狀態;當所有電池電壓都在4.15V(VCLln)以下時,過充電狀態解除。
2.4充電溫度保護
為了確保充電時的安全性和延長電池的使用壽命,電池的充電溫度應控制在O~45℃之間為宜。該系統采用一個負溫度系數的NTC溫度傳感器RES和一個2路比較器LM393來實現充電溫度保護,其原理圖如圖2所示:當充電溫度位于O~45℃之間時,LM393的兩路比較器輸出均為高阻態,PNP型三極管Q1關斷,對充電電路不產生影響;隨著溫度的升高,RES阻值逐漸變小,當溫度大于45℃時,LM393下面一路比較器反轉,輸出低電平,通過二極管D6將Q1的B極拉低,Q1導通,充電MOS管QCHRl的G極C_QCHR被強制拉高,QCHRl關閉,停止充電;同樣,隨著溫度的降低,RES阻值逐漸變大,當溫度小于O℃時,LM393上面一路比較器輸出低電平,通過二極管D5將Q1導通,從而關閉QCHRl,停止充電。[page]

2.5其他保護功能
該系統通過一些簡單有效的電路設計,巧妙地實現了所需的某些保護功能。
2.5.1放電溫度保護
為了確保電池的使用安全性,需對電池的放電溫度進行限制。該系統在放電MOS管QDISl,QDIS2的G極C_QDIS和VDD之間連接了一個常開型可恢復溫度保險絲F1。通常狀態下F1保持開路。不影響正常放電;當電池溫度高于75℃時,F1閉合,C_QDIS與VDD導通.放電MOS管關閉,停止放電,從而實現放電溫度保護功能。
2.5.2充電防反接保護
若誤將充電器的正、負極反接入系統中,則會由充電器和電池共同形成一個大電流回路,導致元器件損壞,甚至帶來更大的安全危害。該系統在充電回路中串接進一個防反接二極管D1,這樣即使充電器反接,因此時CHRl的電位將高于CHR+,由于二極管D1的存在,系統將構不成回路,從而對其起到了保護作用。
2.5.3充電時禁止放電
系統在連接充電器進行充電的過程中若允許其進行放電工作,可能會帶來不必要的安全隱患,因此該系統在充電器的正極輸入端CHR+和C_QDIS之間接入了一個二極管D4。在未連接充電器時,CHR+懸空,對放電工作不產生影響;當連接充電器進行充電時,C_QDIS通過D4被CHR+強制拉高,QDISl,QDIS2關閉,禁止放電。
鋰離子可充電電池以其特有的性能優勢已經在多個領域中得到了普遍應用,可以預計其必將成為21世紀的主要動力電源之一。隨著鋰離子可充電電池工業的發展,保護系統作為其不可分割的一部分必將起到越來越重要的作用。



