中心議題:
- IGBT 的工作原理
- IGBT的保護措施
- 在IGBT的驅動電路中設置柵極壓限幅電路
- 給IGBT主電路設置關斷緩沖吸收電路
- 計保護電路為立即保護型
- 在短路和過載時能切斷IGBT的輸入
弧焊逆變電源廣泛應用于造船、機械、汽車、電力、化工、石油、輕工業、航天、國防工業等 部門。近年來大功率電力電子器件IGBT以其獨特的優點受到眾多廠家的青睞,并逐步應用于現代弧焊逆變電源中。然而弧焊逆變電源工作環境惡劣,其負載決定了其工作電流變化劇烈。
如果我們對IGBT性能和特點存在模糊認識并且在控制方法和保護技術等方面未采取有效的措施,則很有可能會損壞IGBT,從而使人們開始懷疑IGBT的質量是否真正符合資料上所列出的各項參數。本文針對以上問題介紹了一種應用電路硬件保護和單片機控制程序保護相結合的方法來對 IGBT進行有效的保護。
IGBT 的工作原理
1 IGBT結構
IGBT結構上與MOSFET十分相似,只是多了一個
層,引出作為發射極,柵極、集電極與MOSFET完全相似。其簡化等效電路如圖1所示。

IGBT的工作原理:IGBT由柵極電壓正負來控制。當加上正柵極電壓時,絕緣柵下形成溝道,MOSFET導通,相當于
接到E,為PNP晶體管提供了流動的基極電流,從而使PNP管(即整個IGBT)導通。當加上負柵極電壓時,IGBT工作過程相反,形成關斷。
2 IGBT安全工作區
在IGBT開關過程中,大電流和大電壓的重疊造成主要的功耗,同時承受較高的di/dt和dv/dt即電流電壓應力。特別是運行在PWM硬開關狀態下, 這是影響可靠性的重要原因。為了保證其安全可靠的工作,不僅有電流電壓的限制,還必需使其動態過程的運行軌跡在安全工作區內。

如圖2所示,正偏安全工作區 FBSOA是指柵極加正向電壓時的安全工作區,對應于導通狀態。三條邊界分別對應允許電流、允許電壓和允許功耗。隨著導通時間增長,功耗和溫升增加,安全工作區縮小。
IGBT關斷時為反向偏置,對應安全工作區為反偏安全工作區RBSOA。除了電流電壓邊界外,另一邊界為器件關斷后的重加電壓上升率。因此,電壓變化率越大,安全工作區越小。實際上就是因為IGBT動態擎住效應的限制的緣故。
所以在弧焊逆變電源的設計中,限制過電流和過電壓、改善器件的運行特性以及降低功耗,都有重要的意義。在不同的工作狀態下,保證IGBT在安全工作范圍內并處于較好狀態下,是提高整機可靠性的關鍵技術。
[page]
IGBT的保護措施
由于其結構和安全工作區知IGBT的可靠與否主要由以下因素決定:
1、柵極與發射極電壓
2、集電極與發射極電壓
3、流過集電極的電流
4、IGBT的結溫
以上的四個因素在工作環境惡劣的弧焊逆變電源中都是需要注意的,尤其是第二項和第三項是我們在設計保護電路中重點考慮的內容。
1 IGBT柵極的保護
IGBT的柵極-發射極驅動電壓
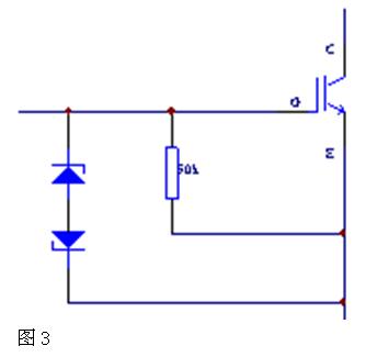
的保證電壓為+/-20V ,因此在IGBT的驅動電路應當設置柵極壓限幅電路;另外由于焊接電源設備工作環境非常惡劣,在運輸或振動過程中可能會使柵極回路斷開,這時如果電源設備開始工作,則隨著集電極電位的變化,由于柵極與與集電極和發射極之間寄生電容的存在,使得柵極電位升高,集電極-發射極間有電流流過。
這時若集電極和發射極處于高壓狀態時,會使IGBT發熱,極易引起IGBT損壞。為防止此類情況發生,可在IGBT的柵極與發射極間并接一只50~100歐姆的電阻,此電阻應盡量靠近柵極與發身極。如圖3所示。

2 集電極與發射極的過壓保護
弧焊逆變電源進入焊接狀態時,輸出端即從空載轉入接近短路狀態,這時要求輸出電流必須處于所需要的恒定狀態。理論上,采用恒流閉環控制系統即可以控制電源的短路電流,但實際短路時,輸出電壓很低,即IGBT的工作脈寬很窄,才能保證輸出電流恒定,這就造成了IGBT在很短的導通期間,吸收電容未分放電而馬上關斷,且因分布電感和漏感的影響,IGBT的關斷是在承受較高的反壓下進行的,極易使IGBT損壞。
為了使IGBT關斷過電壓能得到有效的抑制并減少關斷損耗,需要給IGBT主電路設置關斷緩沖吸收電路。IGBT的關斷緩沖吸收電路分為充放電型和放電阻止型,從吸收過電壓的能力上來說,充放電型效果較好,所以可在弧焊逆變電源中的IGBT過壓保護緩沖電路可采用圖4所示緩沖吸收電路:

在此硬件電路的基礎上,結合單片機的控制系統可檢測輸出電壓低于某一設定值時,單片機便認為負載電弧是處于短路狀態,這時單片機便對IGBT的最小脈沖寬度進行限制,以保證吸收電容有足夠的放電時間,從而降低IGBT的關斷反向電壓。
同時為保證輸出電流恒定,單片機在判斷輸出為短路時將逆變器的等脈沖寬度調節(PWM)變為頻率調節控制(PFM),即脈沖分頻控制,輸出電壓越低,輸出脈沖的頻率越低。其單片機程序過程如圖5所示:

這與傳統的簡單限流或直接關閉IGBT的控制方式有本質的區別,它是利用單片機的智能性改變其工作方式來保護IGBT的安全,從而可靠的保證IGBT的安全。
[page]
3 過流保護
過流對IGBT來說,是產生原因最復雜、發生次數最多、損壞概率最高的事件,也是國內弧焊逆變電源容易損壞的主要原因。IGBT正常工作時,導通期間的電流包括開通時的尖峰、折算到原邊的焊接電流和關斷時的拖尾電流。
在設計IGBT的過流保護時,主要可采取以下三條措施:首先選擇IGBT器件時,使其最大工作電流只占IGBT 的30%左右,其目的就是要使IGBT的安全工作區盡可能在一些,以避免IGBT的擎住效應;其次針對元器件失效等偶發性故障,如輸出失控、IGBT損壞、功率變壓器擊穿、短路、高頻整流快恢復二極管損壞引起的過電流行為.
應設計保護電路為立即保護型。即保護電路動作后,切斷供電電源,停止逆變電源工作;最后,對元器件并沒有失效,而是由于某種其它原因如負載突然加大造成的過流,可嘗試采用一種慢降柵壓的電路來實現如圖6:


如果單片機在延時結束后,故障信號仍存在則由單片機切斷所有IGBT的輸入脈沖,設備停止工作,此時要通過手動復位才能恢復正常工作。這種電路既能保護逆變電路和IGBT的安全,又不會在瞬時過流時中斷逆變電源工作所以是一種非常有效的保護方式。
4 過熱保護
在焊接工作時由于工作環境惡劣,流過IGBT電流很大,并且開關頻率較高,所以器件的損耗也較大,如果熱量不能及時散掉,使結溫Tj超過Tmax ,則會引起IGBT的損壞,在熱設計時還要考慮在短路和過載時,IGBT也不能過熱而損壞。
適當加大散熱系統是保護焊接電源正常工作的必要條件,但由于散熱系統不可能無限制擴大,所以要在靠近IGBT處安裝一溫度繼電器來檢測IGBT的工作溫度。當溫度超過所設定的最高溫度時切斷IGBT的輸入,保護其安全。
最后:本文介紹了利用硬件保護電路并結合單片機的程序對弧焊逆變電源中IGBT進行保護的方法和措施。該方法不僅從硬件電路上設計了可靠的保護電路,而且還利用單片機的程序來對設備工作狀態進行判斷后選擇工作方式來間接對IGBT進行保護.
這樣不僅保護了IGBT的安全還保證了該電源即使在惡劣的環境的中也能可靠穩定的工作。所以在實際應用中只要我們考慮到IGBT的不同容量、型號并參考以上方法采取相應的保護措施就可以達到滿意的效果。



