【導讀】脈寬調制(PWM)是一種將模擬信號編碼為單個數字位的方法。PWM信號由定義其行為的兩個主要分量組成:占空比和頻率。它通過將消息編碼成脈沖信號來傳輸信息,可用于電機等電子設備的功率控制,也可用作光伏太陽能電池充電器的主要算法。
目標
在此實驗中,我們將研究脈寬調制及其在各種應用中的使用情況。脈寬調制(PWM)是一種將模擬信號編碼為單個數字位的方法。PWM信號由定義其行為的兩個主要分量組成:占空比和頻率。它通過將消息編碼成脈沖信號來傳輸信息,可用于電機等電子設備的功率控制,也可用作光伏太陽能電池充電器的主要算法。
占空比描述了信號處于高電平(開啟)狀態的時間占完成一個周期總時間的百分比(圖 1)。
圖1.占空比
圖2為占空比為0%、25%和100%的脈沖序列。
圖2.占空比為0%、25%和100%的脈沖序列
頻率決定PWM完成一個周期的速度,從而決定高低狀態之間切換的速度。
通過以足夠快的速率和一定的占空比改變數字信號開/關狀態,當向響應速度比PWM頻率慢得多的器件(如音頻揚聲器、電機和電磁閥執行器)供電時,輸出將表現為恒定的電壓模擬信號。
材料
?ADALM2000主動學習模塊
?無焊試驗板和跳線套件
?一個OP97運算放大器
?一個1 kΩ電阻
?一個10 kΩ電位計
脈寬調制——工作原理
PWM是一種從高頻脈沖生成低頻輸出信號的技術。通過在高低直流軌電壓之間快速切換逆變器橋臂的輸出電壓,其低頻輸出電壓可視為一個開關周期內的平均電壓。
除此之外,還有其他幾種生成脈寬調制信號的方法,包括模擬技術、Σ-Δ調制和直接數字頻率合成。
較簡單的PWM信號生成方法是比較兩個控制信號:載波信號和調制信號。這稱為基于載波的PWM。載波信號為高頻(開關頻率)三角波形。調制信號可以為任何形狀。
使用這種方法,輸出波形可以是任何所需波形的PWM表示。對于機器而言,正弦波和梯形波最為常見。
請考慮圖3所示的電路。
圖3.PWM工作原理
根據PWM原理,運算放大器的負輸入采用載波信號,正輸入采用調制信號。因此,較高的調制信號會使輸出在PWM周期內更長時間保持高電平。
硬件設置
構建PWM的試驗板電路(圖4)。
程序步驟
第一個波形發生器用于生成載波信號,向電路提供4 V峰峰值幅度、2.5 V偏移、1 kHz三角波激勵。第二個波形發生器用于生成3 V峰峰值幅度、2.5 V偏移、50 Hz正弦波的調制信號。
圖4.PWM工作原理——試驗板電路
為運算放大器提供+5 V電源電壓。配置示波器,使通道1上顯示輸入信號,通道2上顯示輸出信號。
圖5為包含兩個輸入信號的兩個信號發生器通道,其中,橙色為載波信號,紫色為調制信號。
圖5.輸入信號
圖6為示波器通道2上的輸出信號圖。

圖6.PWM輸出
如果調制信號的瞬時幅度在某個時間點大于載波信號,則輸出將為高電平。如果調制信號低于載波信號,則輸出將為低電平。
如果調制信號峰值小于載波信號的峰值,則輸出將為調制信號的真實PWM表示。
使用直流調制電壓進行脈寬控制
背景知識
針對此項應用,我們將在開關模式配置中使用簡單的運算放大器(更多詳情參見實驗:運算放大器用作比較器)來演示直流電壓的脈寬調制。
請考慮圖7所示的電路。

圖7.使用直流調制電壓進行脈寬控制
該電路可用作簡單的比較器,其中運算放大器的負輸入連接到載波波形,而正輸入作為閾值電壓,用于確定何時在高壓輸出和低壓輸出之間轉換。電位計作為輸入基準電壓的分壓器,用于調整閾值電壓以及間接調整輸出信號的占空比。
硬件設置
構建使用直流調制電壓進行脈寬控制的試驗板電路(圖8)。

圖8.使用直流調制電壓進行脈寬控制——試驗板電路
程序步驟
將第一個波形發生器用作VIN源,向電路提供幅度為5 V峰峰值的1 kHz三角波激勵。將第二個波形發生器用作具有5 V峰峰值幅度的恒定電壓源。向運算放大器提供+5 V電源電壓。配置示波器,使通道1上顯示輸入信號,通道2上顯示輸出信號。
波形圖如圖9所示。
圖9.使用直流調制電壓進行脈寬控制——波形
輸出信號是輸入電壓的PWM表示。請注意,通過改變電位計值,信號占空比會發生變化,而頻率保持不變。
使用非穩態觸發器生成固定50%占空比的PWM信號
背景知識
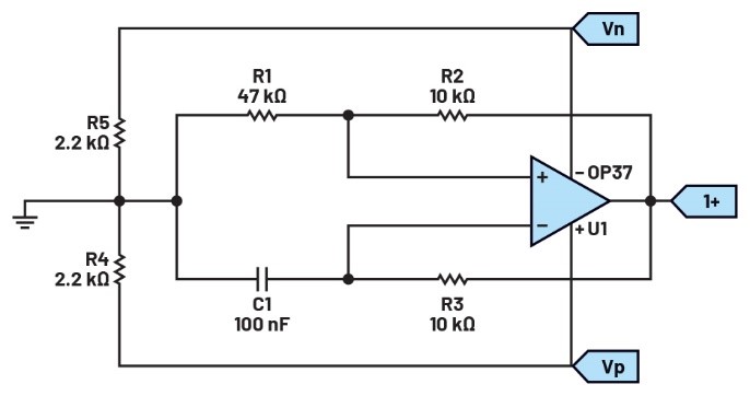
請考慮圖10所示的電路。
圖10.使用非穩態觸發器生成PWM信號
該電路顯示使用單個運算放大器的非穩態觸發器。考慮施密特觸發器的功能原理時,該功能很容易理解(在實驗:運算放大器用作比較器中研究的具有遲滯功能的比較器電路):施密特觸發器的輸入端與運算放大器的反相輸入相同,它通過電阻電容網絡連接到電路的輸出端。當電容電壓(也是施密特觸發器的輸入端)低于閾值下限時,輸出電壓等于電路的正電源電壓。現在通過電阻R3對電容充電,直至達到施密特觸發器的閾值上限。因此,可以將運算放大器的輸出電壓驅動到負電源電壓。現在通過R3對電容放電,直到器件上的電壓達到施密特觸發器的閾值下限。運算放大器的輸出電壓會被驅動到正電源電壓,整個過程再次開始。
此電路的優勢是無需使用ADALM2000來生成載波(但占空比固定為50%)。
硬件設置
構建使用非穩態觸發器生成PWM信號的試驗板電路(圖11)。

圖11.使用非穩態觸發器生成PWM信號的試驗板電路
程序步驟
向電路提供±5 V電源電壓。配置示波器,以使輸出信號顯示在通道1上。
圖12為示波器通道1上的輸出信號圖。

圖12.使用非穩態觸發器生成PWM信號的輸出波形
請注意,輸出信號的占空比約為50%,而低/高電壓值往往達到正/負電源電壓值。
其他操作
在前一個示例中,我們使用非穩態觸發器生成了50%固定占空比的PWM信號。但是,我們如何調整占空比呢?為此,我們需要稍微修改一下電路。
請看圖13所示的電路。
圖13.調整使用觸發器生成PWM信號電路的占空比
圖10所示的電阻R3被電位計取代,并插入兩個二極管。現在電容的充電電流通過D1,而放電電流通過D2。根據電位計VR1的調整情況,通過上部分支電路的充電電流電阻與通過下部分支電路的放電電流電阻不同。
硬件設置
構建試驗板電路,該電路用于調整使用觸發器生成PWM信號電路的占空比(圖14)。

圖14.用于調整使用觸發器生成PWM信號電路的占空比的試驗板電路
程序步驟
向電路提供±5 V電源電壓。配置示波器,使通道1上顯示輸出信號,通道2上顯示電容電壓(運算放大器的負輸入端)。
改變電位計值并注意占空比的變化。產生的波形如圖15所示。

圖15.調整使用非穩態觸發器生成PWM信號波形的占空比
在此示例中,占空比設置為約25%。當占空比改變時,開關頻率難免會略有變化,因為反相和同相輸入端的兩個耦合網絡都會連接到運算放大器的輸出端。
免責聲明:本文為轉載文章,轉載此文目的在于傳遞更多信息,版權歸原作者所有。本文所用視頻、圖片、文字如涉及作品版權問題,請聯系小編進行處理。
推薦閱讀:
L Nanopower革新智能家居能源架構:nA級功耗技術破解無線終端續航困境




