【導讀】晶體管是一個簡單的組件,可以使用它來構建許多有趣的電路。在本文中,將帶你了解晶體管是如何工作的,以便你可以在后面的電路設計中使用它們。 一旦你了解了晶體管的基本知識,這其實是相當容易的。我們將集中討論兩個最常見的晶體管:BJT和MOSFET。 晶體管的工作原理就像電子開關,它可以打開和關閉電流。一個簡單的思考方法就是把晶體管看作沒有任何動作部件的開關,晶體管類似于繼電器,因為你可以用它來打開或關閉一些東西。當然了晶體管也可以部分打開,這對于放大器的設計很有用。
晶體管是一個簡單的組件,可以使用它來構建許多有趣的電路。在本文中,將帶你了解晶體管是如何工作的,以便你可以在后面的電路設計中使用它們。 一旦你了解了晶體管的基本知識,這其實是相當容易的。我們將集中討論兩個最常見的晶體管:BJT和MOSFET。 晶體管的工作原理就像電子開關,它可以打開和關閉電流。一個簡單的思考方法就是把晶體管看作沒有任何動作部件的開關,晶體管類似于繼電器,因為你可以用它來打開或關閉一些東西。當然了晶體管也可以部分打開,這對于放大器的設計很有用。
1 晶體管BJT的工作原理
讓我們從經典的NPN晶體管開始。 下圖是個雙極結晶體管(BJT),有三個引腳:
基極(B)
集電極(C)
發射極(E)

如果你打開它,電流可以通過它從集電極到發射極。當它關閉時,沒有電流流過。如下示例電路中,晶體管是關著的。這意味著沒有電流可以通過它,所以發光二極管也被關閉了。

要打開晶體管,基極和發射極之間的電壓約為0.7V。 如果你有一個0.7V的電池,你可以把它連接到基極和發射極之間,晶體管就會打開。
既然我們大多數人沒有0.7V的電池,我們怎么打開晶體管?
很簡單!晶體管的基極到發射極部分的工作原理是二極管,二極管有一個正向電壓,它會從可用電壓中“抓取”這部分電壓。如果你在串聯中加入一個電阻器,其余的電壓就會在電阻器上分壓。 因此,增加一個電阻器,你會自動獲得0.7V左右。這和你通過LED限制電流確保它不會爆炸是一樣的原理。 如果還添加了按鍵開關,則可以通過按鍵開關來控制晶體管,進而控制LED:

1.1 選擇元器件的值
要選擇元器件的值,還需要了解晶體管的工作原理:當電流從基極流向發射極時,晶體管打開,使更大的電流可以從集電極流向發射極。

這兩種電流的大小是有聯系的,這叫做晶體管的增益。 對于一般用途的晶體管,如BC547或2N3904,這可能在100左右。 這意味著,如果你有0.1mA從基極流向發射極,你可以有10毫安(100倍以上)從集電極到發射極。
你需要什么電阻值R1才能得到0.1mA的電流?
如果電池是9V,晶體管的基極到發射極達到0.7V,那么電阻器上還有8.3V。 你可以用歐姆定律要找到電阻值:

所以你需要一個83 kΩ的電阻。并不是說一定是這個標準值,82 kΩ也可以,而且它已經足夠了。 R2可以將電流限制在LED上,可以選擇沒有晶體管時連接LED和電阻直接到9V電池時所用的阻值。比如,1kΩ應該可以滿足正常工作。 1.2 如何選擇晶體管 NPN晶體管是最常見的雙極結晶體管(BJT)。但是還有一個叫做PNP晶體管和它的工作方式是一樣的,只是所有的電流都在相反的方向。 在選擇晶體管時,最重要的是要記住晶體管能承受多少電流。這叫做集電極電流(iC).
2 MOSFET的工作原理
MOSFET晶體管是另一種常見的晶體管。 它還有三個引腳:
GateG)
Source(S)
Drain(D)

MOSFET符號(N通道)
MOS的工作原理類似于BJT晶體管,但有一個重要的區別:
對于BJT晶體管,電流從一個基極到另一個發射極,決定了從集電極到發射極能流多少電流。
對于MOSFET晶體管,電壓柵極和源極之間的電流決定了有多少電流能從漏極流向另一個源極。
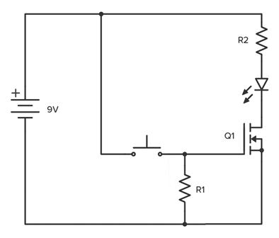
2.1 如何打開MOSFET
下面是一個打開MOSFET的電路示例。

如果要打開MOSFET晶體管,需要在柵極和源極之間的電壓高于晶體管的閾值電壓。例如,BS170有一個柵源閾值電壓2.1V。(Datasheet中有注明) MOSFET的閾值電壓實際上是它關閉的電壓。因此,要正確地打開晶體管,你需要一個稍高一點的電壓。 電壓多高取決于你想要通過多大的電流(在datasheet中會有注明)。如果你比閾值高出幾伏,那通常對低電流的東西來說就足夠了,比如打開一個LED。 請注意,即使你使用足夠高的電壓,可以使1A電流通過,這并不意味著你將得到1A。只是意味著你想讓1A能通過,實際的電路連接特性才決定了實際的電流。 因此,你可以走到你想要的電流大小,只要你確保你不超過最大的柵極源電壓限制(BS170是20V)。 在上面的例子中,當你按下按鈕時,門被連接到9V,這打開了晶體管。
2.2 選擇元器件的值
R1的值并不重要,但大約10kΩ應該可以正常工作,它的目的是關閉MOSFET。 R2用來設置LED的亮度。對于大多數LED來說,1kΩ應該工作得很好。 Q1幾乎可以是任何N溝道MOSFET,例如BS170。
2.3 如何關閉MOSFET
關于MOSFET的一件重要的特性是,它的作用也有點像電容器。即柵極和源極部分,當你在柵極和源極之間施加電壓時,這個電壓會一直保持到放電為止。

如果沒有上面例子中的電阻(R1),晶體管就不會關閉。有了電阻R1,柵極源極電容就有了放電的閉環回路,從而使晶體管再次關閉。
2.4 如何選擇MOSFET晶體管
上面的示例使用N通道MOSFET和P通道MOSFET的工作方式是一樣的,只是電流流向相反的方向,并且柵極到電源電壓必須是負值才能打開它。 有數千種不同的MOSFET可供選擇。但如果你想建立上面的例子電路,并想要一個具體的建議,BS 170和IRF 510是兩個很常用的。
在選擇MOSFET時要記住兩件事:
這個柵-源閾值電壓。你需要更高的電壓才能打開晶體管。
這個連續漏電流。這是流經晶體管的最大電流。
還有其他重要的參數也需要記住,不過這取決于你在做什么。但這不在本文的范圍之內。記住以上兩個參數,您就有了一個很好的開始。
2.5 MOSFET柵電流
如果你想控制一個MOSFET,例如,單片機、Arduino或Raspberry PI,還有一件事你需要記住:當你打開晶體管時,流進柵極的電流。如前所述,MOSFET的柵到源充當電容器,這意味著一旦充電,就不會有更多的電流流過。因此,當MOSFET打開時,沒有電流流過柵極。 但是當MOSFET剛被打開時有一個電流,就像你給電容器充電時一樣。在極短時間內,可能會有大量的電流流動。為了保護單片機不受過多電流的影響,需要添加一個MOSFET柵極電阻:

對于這一點,通常1000Ω是一個很好的值。使用歐姆定律結合你的具體情況。
3 為什么需要晶體管
一個常見的問題是,為什么我們需要晶體管?為什么不把LED和電阻直接連接到電池上呢?晶體管的優點是你可以用較小的電流或電壓來控制更大的電流和電壓。 這是超級有用的,如果你想要控制的東西,如電機,大功率LED,揚聲器,繼電器,和更多來自一個覆盆子PI/Arduino/微控制器。從這些板卡輸出引腳通常只能提供幾毫安在5V。因此,如果你想控制你的110 V室外露臺燈,你不能直接從引腳供電。 相反,你可以通過繼電器。但是,即使是繼電器通常需要更多的電流比引腳所能提供的。所以你需要一個晶體管來控制繼電器:

將電阻器的左側連接到輸出引腳(從Arduino開始)以控制繼電器。 但是晶體管對于更簡單的傳感器電路也很有用,比如這個光傳感器電路,觸摸傳感器電路,或H橋電路。 我們幾乎在所有電路中都使用晶體管。它確實是電子學中最重要的部件。
4 晶體管作為放大器
晶體管也是使放大器工作的原因。它不只是兩個狀態(開/關),它也可以在“完全打開”和“完全關閉”之間的任何位置。 這意味著一個幾乎沒有能量的小信號可以控制晶體管,在晶體管的集電極發射極(或漏源)部分產生更強的信號。因此,晶體管可以放大小信號。 下面是一個簡單的放大器用來驅動揚聲器。輸入電壓越高,從基極到發射極的電流越高,通過揚聲器的電流越高。

不同的輸入電壓使揚聲器中的電流發生變化,從而產生聲音的高低。
免責聲明:本文為轉載文章,轉載此文目的在于傳遞更多信息,版權歸原作者所有。本文所用視頻、圖片、文字如涉及作品版權問題,請聯系小編進行處理。
推薦閱讀:


