【導讀】由于輸入端與輸出端被短接在一起,故非門的輸出電壓與輸入電壓相等(Vi=VO);這樣,非門被強制工作在轉移特性曲線的中心點處,因此輸出電壓被限定為門電路的閾值電平,其大小等于電源電壓的一半,如果我們將非門的輸出端作為直流接地端,就可以把電源電壓 VCC轉換為?VCC/2的雙電源電壓;此時的非門起到了一個存儲電流的穩壓器的作用,電路的輸出阻抗較低、因而輸出電壓也比較穩定。
單電源供電回路中獲得正負電源的特殊方法
圖1所示極性變換電路的重心器件為普通的非門。由于輸入端與輸出端被短接在一起,故非門的輸出電壓與輸入電壓相等(Vi=VO);這樣,非門被強制工作在轉移特性曲線的中心點處,因此輸出電壓被限定為門電路的閾值電平,其大小等于電源電壓的一半,如果我們將非門的輸出端作為直流接地端,就可以把電源電壓 VCC轉換為?VCC/2的雙電源電壓;此時的非門起到了一個存儲電流的穩壓器的作用,電路的輸出阻抗較低、因而輸出電壓也比較穩定。
圖中的非門可以選用74HC00或CD4069等普通門電路,考慮到CMOS非門驅動負載的能力有限,因此很好將幾個非門并聯使用以提高其有效輸出電流,圖中的電容C1、C2起退耦作用,容量可適當地取大一些。

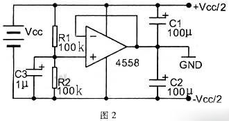
圖2所示電路中的運放同相輸入端接有對稱的串聯電阻分壓器,而運放本身接為電壓跟隨器的形式;根據運放線性工作的特點不難看出:運放輸出端與分壓點間的電位嚴格相等。由于運放的輸出端作接地處理,因此運放的供電電源VCC就被相應地分隔成了兩組對稱的正、負電源VCC/2。

當運放的輸出電流無法滿足實際需求時,不能象門電路那樣簡單地并聯使用;這時可以將通用型小功率運放換為輸出電流較大的功放類運放器件,例如常見的TDA2030A。與圖1類似,C1、C2同為退耦電容、加載運放同相輸出端的電容C3起到了抑制干擾及濾波的作用對于大多數的OTL功放類器件而言,其內部一般都設置了對稱的偏置電路結構,這就使其輸出端的直流電位近似為電源電壓的一半;根據上述原理,我們完全可以利用集成功放將單電源轉換成為大小相等的雙極性正、負電源,具體電路如圖3所示。

事實上,由于內容參數的離散性以及自舉電路結構的影響,集成功放輸出端的電壓并不是jue對的VCC/2,從而造成正、負輸出電壓不平衡的現象。對此我們需要將一只10-100kΩ的電位器串聯在正負電源之間,并把LM386第③腳輸入端接到電位器的中間抽頭,而第②腳保持懸空。對電路進行上述改進后,通過調節功放的直流輸入電平,就可以在芯片的輸出端得到大小非常緊接的正負電壓值了。
免責聲明:本文為轉載文章,轉載此文目的在于傳遞更多信息,版權歸原作者所有。本文所用視頻、圖片、文字如涉及作品版權問題,請電話或者郵箱editor@52solution.com聯系小編進行侵刪。
推薦閱讀:




