【導讀】MOSFET和IGBT等電源開關元器件被廣泛應用于各種電源應用和電源線路中。另外,所使用的電路方式也多種多樣,除單獨使用外,還有串聯連接、并聯連接等多種使用方法。
前言
MOSFET和IGBT等電源開關元器件被廣泛應用于各種電源應用和電源線路中。另外,所使用的電路方式也多種多樣,除單獨使用外,還有串聯連接、并聯連接等多種使用方法。
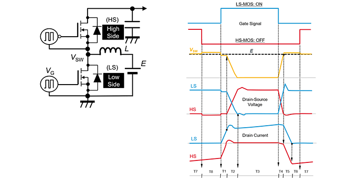
其中,在將開關元件上下串聯連接的橋式結構中,通常交替地導通與關斷各個元器件。下面是常規的橋式結構同步方式boost電路,波形圖是根據柵極信號交替地導通/關斷的低邊(LS)MOSFET和高邊(HS)MOSFET的漏極-源極間電壓(VDS)和漏極電流(ID)示例。

通過開關工作,流過各元件的電流和變化的電壓以復雜的方式相互影響。尤其是在處理高電壓高電流的電路中,受安裝電路板和結線引起的寄生分量等影響,產生電壓和電流的動作,并因此導致工作不穩定、效率下降,從而可能導致損耗增加、產生異常發熱等問題。
近年來,SiC MOSFET等高性能功率元器件的應用,使得通過高速開關轉換大功率成為可能,但在操作過程中,需要對開關工作有深入的了解。在該系列文章中,我們將著眼于MOSFET橋式結構中的各MOSFET的柵極-源極間電壓的動作,以簡單的同步方式boost電路為例,對以下內容進行探討:
?MOSFET的橋式結構與同步方式boost電路
?柵極驅動電路與導通/關斷工作
?因dVDS/dt、dID/dt而產生的電流和電壓
?導通時柵極信號的動作
?關斷時柵極信號的動作
(來源:Rohm)
免責聲明:本文為轉載文章,轉載此文目的在于傳遞更多信息,版權歸原作者所有。本文所用視頻、圖片、文字如涉及作品版權問題,請電話或者郵箱editor@52solution.com聯系小編進行侵刪。
推薦閱讀:




