【導讀】汽車信息娛樂系統中包含各種復雜的電子元件組合,例如消費電子元件:高性能微控制器、存儲器、接口和驅動器IC。電源設計也同樣復雜,因為每個元件都可能需要各種具有寬范圍功率要求的低電壓電源軌。這樣的復雜性不僅局限于信息娛樂系統,汽車性能、燃油效率和駕駛員操控的便捷性都需要更加先進的電子系統來實現。
科技融入我們生活的方方面面,帶來了共通互聯、媒體驅動的生活方式,而新的生活方式也在推動技術的進一步發展,包括當今高度集成的汽車信息娛樂系統。
汽車信息娛樂系統中包含各種復雜的電子元件組合,例如消費電子元件:高性能微控制器、存儲器、接口和驅動器IC。電源設計也同樣復雜,因為每個元件都可能需要各種具有寬范圍功率要求的低電壓電源軌。這樣的復雜性不僅局限于信息娛樂系統,汽車性能、燃油效率和駕駛員操控的便捷性都需要更加先進的電子系統來實現。電源系統還需要同時面對敏感的電子系統和嚴苛的汽車運行條件:即較寬的電壓范圍和可預見的瞬變電池環境。精心設計的電源系統必須既能為電子系統供電又可提供保護,即使制造商采用啟停技術等功能使汽車環境不適合采用電子系統時也不例外。
啟停技術會加劇電子系統必須面對的極端條件,尤其是在反復發動引擎的情況下。采用啟停技術的汽車會反復重啟引擎,每次重啟都會讓電池電源經歷一個冷啟動,即便如此,關鍵系統也必須保持正常運行。而另一種情形如車載音樂聲
突然停止,駕駛員變成無伴奏清唱,這種體驗雖然不是災難性的,但也不會帶來正面評價。
另一方面,超低靜態電流是汽車電源系統的關鍵要求。汽車可能會被閑置一個月或更久,當一些關鍵電子系統始終接通并安靜運行時,必須保證不會耗盡電池。
LTC3372一體化高壓控制器能夠承受汽車電池環境帶來的極端電壓變化,保持穩壓狀態。由于它具有超低靜態電流,可以讓始終接通的元件保持運行而不會耗盡電池。LTC3372 采用4個可配置的單片式穩壓器,可為信息娛樂系統或其他電子系統提供多達五個輸出通道。
汽車多通道電源
LTC3372顯著減少了產生多路電源軌所需的元件數量。它將成熟的高電壓汽車控制器技術與4個可配置的單片降壓型穩壓器相結合,構建了一個節省空間和成本的汽車多通道電源解決方案。
高電壓降壓型控制器輸入可承受高達60V的輸入浪涌(例如在負載突降期間所看到的),并且還可以工作在采用標準降壓型配置時低至4.5V的輸入電壓、采用SEPIC配置時低至3V的輸入電壓。該輸入工作范圍可在面臨顯著瞬變時為敏感型電子系統提供不間斷電源。LTC3372的4個低電壓降壓型穩壓器可以在8個1A功率級中選擇組合功率級進行單獨配置。通過組合功率級來滿足每個穩壓器的功率要求,并提供8種可能的獨特4輸出通道配置,所有這些都直接來自汽車電池電源。
單片式IC多通道電源解決方案的一個優勢是共享內部基準電壓和偏置電源。與獨立的多個IC相比,這種偏置共享使多通道電源的每通道IQ值更低。對于始終導通的單通道電源,VIN基準偏置IQ的典型值為23?A,很大值為46?A(150?C時)。所有5個通道在突發工作模式Burst Mode?下穩壓時,典型偏置電流總共僅為60?A,即每通道12?A。由于LTC3372的5個通道的總偏置IQ 與使用舊技術的單通道相當,因此支持全新的始終接通的汽車應用。
單芯片控制器和穩壓器
LTC3372 包括一個前端 60 V 高電壓 (HV) 降壓控制器和4個低電壓 (LV) 5 V 單片式降壓型穩壓器,支持低IQ 突發工作模式。LTC3372 通過將控制器和單片式穩壓器集成到一起,能夠以低成本和緊湊的尺寸由高輸入電壓提供多達 5 個獨立電源軌。高壓控制器的輸出電壓可選擇為 3.3 V 或 5 V,具體取決于 VOUTPRG 引腳的電平;低壓穩壓器的輸出電壓可通過 FB1 至 FB4 引腳使用外部電阻分別配置。
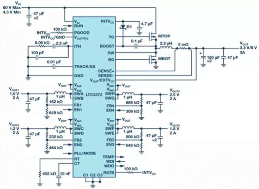
圖 1. LTC3372 60 V 輸入的典型應用。高壓控制器為 4 個2A, 1 V/1.2 V/1.8 V/2.5 V 的 低壓穩壓器提供饋電。3.3 V/5 V 高壓控制器輸出可用作額外的 3 A 電流軌
圖 1 和圖 2 顯示了一個典型應用中高壓控制器的效率。雖然高壓控制器通常用于為低壓穩壓器饋電,且每個穩壓器可通過各個通道的使能和輸入引腳獨立工作。8 個功率級可提供更多靈活性。8個開關可分布在低壓穩壓器之間,通過 C 位 (C1、C2、C3) 進行數字化組合配置,以滿足特定電源軌的很大電流限制。表 1 顯示了每個穩壓器編號的 C 位設置和很高輸出電流限制配置。圖 3 顯示了效率如何隨并聯開關數量變化。
圖 2. 圖 1 中的突發模式工作效率與高壓控制器輸出電流的關系。輸出電流很高可達 10 A,足以為 4 個滿載 低壓穩壓器和一個 3 A、3.3 V/5 V 負載饋電
圖 3. 突發模式工作效率與 低壓穩壓器輸出電流的關系。1 A、2 A、3 A 和 4 A 降壓型穩壓器分別代表 1 個、2 個、3 個和 4 個開關并聯連接時的配置
表 1. 通過 C1、C2 和 C3 代碼設置 低壓穩壓器配置;采用任何少于 4 個 LV 穩壓器的配置時,未被使用的穩壓器的使能引腳和反饋引腳均連接至地
LTC3372 還提供了片上溫度傳感器和看門狗定時器功能。溫度傳感器允許用戶在啟用 LV 穩壓器時密切監測芯片溫度。如果微處理器在發生故障時無法清除定時器,則看門狗定時器會發出復位信號。
功耗優化
通常,我們會根據效率來評價DC/DC轉換器,因此設計要使其效率很大化,但在功耗(而不僅是效率)方面來優化DC/DC轉換器通常會在高功率應用中獲得更高的性能回報。對于多級轉換器系統例如可使用LTC3372進行構建),當部分效率源于高壓控制器和低壓穩壓器的共同作用時,效率測量結果可能會產生誤導。
請記住,功耗優化并不是簡單地將總功耗降至很低,而是在器件之間平衡損耗分布。一種好的途徑是從低壓穩壓器著手,因為 LTC3372 系統的大部分損耗就是所有低壓穩壓器產生的總功耗。通過考慮所有適用的低壓穩壓器配置,設計人員可以比較大量的功耗選項。表2 列出了在 1.2 V、1.8 V、2.5 V 應用中以及 3 A、3 A、0.5 A 很大負載下的所有適用配置和相應功耗。很佳配置和很差配置之間的功耗相差 0.432 W。在正常情況下,將很大可能的開關遞歸分配給很高功率通道會產生很佳結果。
表 2. 1.2 V (3 A)、1.8 V (3 A)、2.5 V (0.5 A) 的 低壓穩壓器在各種配置下的突發模式工作總功耗;VINA–H 為 3.3 V,開關頻率為 2 MHz;很佳配置比很差配置所產生的功耗要低 0.332W
高壓控制器可以采用更通用的效率優化程序。稍有不同的是,高壓控制器的全部/部分負載變成低壓穩壓器的輸入電流。當低壓穩壓器是其僅有負載時,即使每個低壓穩壓器都滿載,對高壓控制器來說也只是一個中等負載。設計人員應該關注工作電流的目標范圍,而不是一味選擇低 RDS 的 FET 或追求很高峰值效率。具有不同 RDS的3個FET的效率與輸出電流曲線如圖4所示。對于表2中的低壓穩壓器,使用RDS很高但 QG 很低的 FET 在低于很大負載 (很佳配置時為 3.759 A) 的范圍內產生的效率很高。
圖 4. 高壓控制器中采用3個不同 FET時突發模式的工作效率與輸出電流的關系。高邊和低邊使用相同的FET。該圖針對 1 A 至 6 A 部分曲線進行了放大,可以清楚看到交叉部分,從而確定適合表 2 中 低壓穩壓器的很佳FET。3.759 A 是低壓穩壓器滿載時的很大負載電流。結果表明,很佳選擇是 RDS 很高但 QG 很低的 FET (BSZ099N06LS5)
SEPIC控制器
在汽車應用中,冷啟動一直是DC/DC轉換器面臨的挑戰。在冷啟動情形下如果輸出電壓高于輸入電壓,就會迫使降壓轉換器在壓差狀態下工作。使用LTC3372的高壓控制器中提供的可用資源,可以實現兩種前端拓撲(即升壓和SEPIC),以避免在壓差狀態下工作。
即使升壓較為簡單一點,它也會將任何高電壓輸入浪涌傳送到下一個降壓級。這妨礙了將高效率的低電壓降壓型穩壓器用作次級降壓級。在圖5中,我們采用非同步SEPIC拓撲配置LTC3372高壓控制器。SEPIC轉換器產生一個5V中間電源軌,為兩個3.3V/4A的低壓穩壓器供電,使高壓控制器連續工作。
圖5、4.5V至50V輸入的非同步高壓SEPIC轉換器為兩個3.3V/4A低壓穩壓器饋電。啟動后,當兩個低壓穩壓器滿載時,SEPIC轉換器可以保持VOUT為5V,VIN很小值為3V。如果降低SEPIC的負載,則VIN很小值可以降至1.5V。當VIN低于5V時,SEPIC的輸出必須設置為5V才能維持連續工作狀態。DIN和1?F的電容需連接到IC VIN,以防止反向電流和瞬態尖峰。建議使用差分電流檢測方案和低電感檢測電阻,以便在電流比較器輸入端提供干凈的信號。低電感(LHV1和LHV2)、很大開關頻率和低帶寬是右半平面零點和電流紋波之間折衷的結果。
當兩個4A低壓穩壓器滿載時,從SEPIC輸出的電流大于5A。由于開關電流是兩個電感繞組電流的總和,通過檢測電阻的峰值電流很容易超過10A。考慮到檢測電阻位于熱回路內,需要費些功夫才能在電流比較器的輸入端產生干凈的波形。一種解決方案是采用SEPIC原理圖中所示的差分濾波方案,并使用一個采取反向封裝制造的低電感電阻。
圖6、圖5中非同步SEPIC控制器的突發模式工作效率與輸出電流的關系。輸出電流很高可達6A,足以為兩個滿載的3.3V/4A的低壓穩壓器饋電
圖6顯示了突發模式工作時的SEPIC效率,圖7則顯示了在輸入端施加一個12V至3V的瞬變電壓時的SEPIC輸出電壓。設計人員也不應忽視PCB設計過程中環流二極管產生的熱量。通過為相對較大的二極管保留額外空間并使用較厚的覆銅,可以滿足熱限制要求。另一個二極管和濾波電容連接到VIN引腳,以避免由于輸入瞬變引起的反向電流和突發電壓尖峰。
圖7、SEPIC對輸入瞬變的輸出響應與冷啟動條件下的情形類似。輸入在2ms內從12V降至3V,并在恢復至12V之前在3V保持1秒鐘。在3V瞬變期間會觀察到更大的紋波,這是由通過環流二極管流向輸出電容的較高峰值電流引起的。這是采用兩個滿載的3.3V/4A低壓穩壓器在500kHz SEPIC開關頻率下的波形。
結論
LTC3372為高電壓多通道降壓轉換器提供單芯片解決方案。它的每通道低IQ工作和低成本特性使其非常適合汽車應用中始終接通的系統。
免責聲明:本文為轉載文章,轉載此文目的在于傳遞更多信息,版權歸原作者所有。本文所用視頻、圖片、文字如涉及作品版權問題,請電話或者郵箱editor@52solution.com聯系小編進行侵刪。
推薦閱讀:






