【導讀】本文主要介紹全新雙向DC-DC轉換器的設計與分析。這項全新的拓撲及其控制策略徹底解決了傳統雙向DC-DC轉換器(電源容量及效率有限)中存在的電壓尖峰問題。該轉換器不僅可用作電池組和DC母線接口,而且還可雙向(電池充電方向和母線支持方向)高效工作。
本文主要介紹全新雙向DC-DC轉換器的設計與分析。這項全新的拓撲及其控制策略徹底解決了傳統雙向DC-DC轉換器(電源容量及效率有限)中存在的電壓尖峰問題。該轉換器不僅可用作電池組和DC母線接口,而且還可雙向(電池充電方向和母線支持方向)高效工作。此外,本文還分析了電路及系統實施中每個區塊的工作原理。實驗結果顯示雙向都能實現高效率。300W輸入(為電池充電)1500W輸出(支持母線)樣機為電池充電的效率高達92.9%(300W),支持母線的效率達93.6%(1500W)。重新配置或并聯可輕松實現更高的功率級別。
介紹
作為電池制造工藝的一部分,電池單元或電池組必須通過測試,才能確保其能適當保持電池容量和正常功能。實施這類測試系統的標準方法包含電源電路和負載兩部分,其中電源電路可以正確的方式為電池充電,而負載則可用于在測試電池放電全過程。在該配置中,系統效率為0%,即用于測試電池的所有能量均已耗散。
使用雙向DC-DC轉換器,可將耗散的能量返回系統,從而實現電池測試充電能量的循環利用。返回的能量隨后可用于測試后續的電池單元,所產生的功耗只來自于充放電電源轉換效率的損失,不會因放電的負載而產生功率損耗。
高效率DC-DC轉換器的另一個應用是作為電池備份系統(BBU)的接口。在發生電力故障時,諸如數據中心之類的信息系統通常需要在斷電幾分鐘后的一段時間內持續運行,然后經由備份電源(如發電機)恢復供電。在此期間,一般采用電池組來維持設備的功能。電池組放電時,該電池組上會出現壓降,因而需要電源轉換接口來維持適當的母線電壓。此外,電池組還需要電源來補充和維持事件后損耗的電量。如果在一個單體雙向DC-DC轉換器中能實現電池充電和母線接口功能,就能獲得極大的成本及尺寸優勢。
圖1:現有的隔離式雙向圖1:現有的隔離式雙向DC-DC轉換器拓撲
圖1是廣泛使用的現有隔離式雙向DC-DC轉換器拓撲。可首先將輸入DC電壓逆變成AC電壓,然后再通過變壓器變壓并整流成輸出DC電壓。該拓撲不適合大功率應用,因為漏感儲能和放電會導致開關MOSFET的高壓尖峰。為解決該問題,這一拓撲派生出大量版本[a – j]。但其中大部分拓撲都是著眼于通過阻尼電路或鉗位電路來降低該電壓尖峰的應用,這有一定的改善作用,但不能從根本上解決問題。
本文主要介紹全新雙向DC-DC轉換器的設計與分析。它是雙向的,因此不需要其它的DC-DC轉換器或AC-DC轉換器來為電池充電。本文使用電池備份系統應用來說明轉換器的工作原理。
全新高效率隔離式雙向DC-DC轉換器
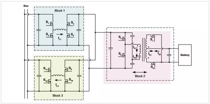
圖2顯示了這種全新隔離式雙向DC-DC轉換器的拓撲結構。它包含3個功能區塊:區塊1、區塊2和區塊3。區塊2不僅對輸入與輸出電壓具有隔離作用,而且還能在它們之間提供固定比率的電壓升降。它是雙向的,電流可雙向流動。區塊1和區塊3提供準確的調壓,除輸入輸出電壓方向相反外,它們是功能相同的區塊。對于區塊1來說,電池位于輸出端。對于區塊3而言,母線位于輸出端。
區塊2
區塊2的功能是提供隔離以及固定比率電壓升降。通過在變壓器上增加一個小電容,這個小電容的自然諧振頻率和變壓器的漏感可提供零電流開關[k – l]。利用YC側電流的固有諧振頻率,MOSFET可在其諧振部分的過零點開關。當諧振電流達到零時,S5、S6、S7和S8就會始終開啟和關閉。當S5和S7開啟(t1至t2期間)時,YC側諧振電流IP以正弦波的形式流動,直至其達到零為止。然后,S6和S8會開啟,并且YC側諧振電流IP仍保持正弦波的形狀,以相反的方向流動,如t2至t3期間所示。如圖3所示,相同的開關序列可在兩個方向的運行,因而該電路自然是雙向的。
這款轉換器中的開關損耗接近于零,因而該轉換器能在極高的開關頻率下工作,頻率高達幾MHz,因而可實現超高的功率密度。此外,在二次側上實現完全零電流開關(ZCS)并在YC側實現部分ZCS(誤差是由磁化電流引起的,而且YC側上的零電壓開關(ZVS)已用于使開關損耗可忽略不計),還可實現極高的效率。
區塊2采用諧振來實現零電流開關,因此能有效解決開關MOSFET上的高壓尖峰問題。[a–j]中的其它拓撲只能在降低電壓尖峰幅度方面提供改進。區塊2的諧振頻率可高達幾MHz。因此,區塊2能在極高效率的情況下,實現極高的功率密度。
區塊1/區塊3
區塊1/區模塊3能提供JQ穩壓的功能。它們具有相同的拓撲方式,在系統層面提供雙向工作,因此方向是相反的。以區塊1為例,如圖4所示,DY階段S1和S4開啟,流經電感IL的電流會以與VIN成正比的速度上升。隨后S3開啟、S4關閉,進入第二階段;IL可能會是平直的,也可能會下降或上升,主要看輸入與輸出間的壓差。隨后,S2開啟、S1關閉,轉向第三階段;IL會以與VOUT成正比的速度下降。ZH,S4開啟、S3關閉,進入第四階段;很小負電流通過電感器。在這一轉換過程中,可將零電壓開關升降壓控制器用于實現零電壓轉換[m – n]。
由于采用ZVS開關,因而也能在區塊1/區塊3中實現高效率和高功率密度。
在本應用中,該轉換器的簡單控制方法是:將區塊3的穩壓VOUT設置為相對較低的母線電壓—低于大多數時候的額定母線電壓,但仍能支持母線負載。在該配置中,母線電壓大多數時間比區塊3的穩壓VOUT高,因此區塊3只消耗無負載功率。同時,大多數時候,母線通過區塊1和區塊2為電池充電。母線電壓突然消失時,區塊3會立即加載工作,而且電流會流過區塊2和區塊3,支持母線。
該配置的優勢在于可在雙向工作獲取高效率和高功率密度時,特別是這種母線電池接口應用。
它需要為電池充放電模式提供不同功率級別。處于電池充電模式時,所需的功率級應該比支持母線模式低很多。實際上,ZH把充電功率限制在某個水平以下,以確保安全。在該配置中,區塊3的n可進行并聯,以實現該母線功率級,而區塊1的1或m(m可能明顯小于n)應能足以提供充電功率。因此,盡管獨立的區塊1或區塊3不是雙向的,但它們一起工作,將涵蓋兩個方向,總體尺寸/功耗與區塊1的n接近。由于支持母線和充電電池的功率比很高,因而該配置的優勢非常顯著。
圖2:全新隔離式雙向圖2:全新隔離式雙向DC-DC轉換器的拓撲(把圖中模塊改為區塊)
圖3:區塊圖3:區塊2:YC及二次諧振電流的雙向流動:(a)充電電池方向;(b)支持母線的方向
圖4:區塊1:電流以ZVS間隔流經電感
實驗結果
將48V用作母線電壓,12V用作電池電壓。因此區塊2的轉換比例需設計為4:1。
當VIN=48V,功率為300W,區塊2的模塊轉換比率為4:1時,負載超過50%后,測試的效率超過96%,峰值效率為96.2%。當負載低于50%時,效率下降,但負載為10%時仍能實現85.5%的效率。所有這些測試都是在室溫條件下進行的。圖5(a)顯示了在不同輸入電壓和負載條件下的效率矩陣測試。可將輸入電壓設計為26-55V,這樣6.5-13.75V的電池電壓就能反向支持母線。這一寬范圍可實現更多的電池配置,更為重要的是,有助于延續電池為母線提供支持的時間。
圖5(b)是區塊2模塊在支持母線方向的實驗效率測試結果,本文將其定義為反向。本實驗采用深循環船用鉛酸12V電池(部件號24DC-1,140分鐘的電池容量,寒冷及海洋情況下啟動電流超過500安培)通過區塊2模塊為母線提供支持。因為電池終端電壓隨著供電電流的上升而下降,因而VIN會從11.7V(IOUT =0.6A ? 4)降至10.9V(I OUT=6.3A ? 4)。峰值效率為96.9%。請注意,支持母線方向的效率甚至比電池充電方向的效率還要高,這對于該應用而言非常有利,因為在反向條件下,電池支持母線所需的功率級要比充電電池方向高很多。支持母線方向的更高效率將簡化高功率應用的熱管理設計。
對于500W的區塊1/區塊3模塊,實驗效率測試結果如圖6所示。峰值效率為97.3%。
這些模塊可通過控制電路使能功能,使得禁用的功耗明顯低于無負載功耗。在25?C溫度下,額定電壓為48V時,與500W區塊1模塊或區塊3模塊搭配使用的4:1轉換比率區塊2模塊,其典型禁用的功耗是0.04W無負載功耗是5.3W。
圖5:區塊2模塊(300W,4:1比例)在以下方向的效率實驗結果:(a)電池充電、(b)支持母線
圖6:區塊1/區塊3模塊(500W,室溫)的效率實驗結果
系統實施
針對該應用構建了這一雙向DC-DC轉換器的7?9英PCB樣機,如圖7所示,三個區塊3模塊(每個模塊500W)并聯,五個區塊2模塊(每個模塊300W)并聯。
圖7:系統實施
如圖2中的拓撲所示,簡單并聯模塊并將其放在一起,該轉換器就可工作了。將區塊3模塊的穩壓VOUT設置為相對較低母線的電壓,該電壓比大多數時候的額定母線電壓低,但仍足以支持母線負載。采用這種方式,無需增加系統控制電路。一旦處在支持母線模式下,所有五個區塊2模塊都可立即處理電源。該配置的不足之處是:所有模塊都時刻保持工作狀態,而且其中一些模塊在其大多數工作時間處于輕負載/空負載功耗狀態。
為節省這種輕負載/空負載功耗,可以在模塊不需要保持工作狀態時,將其禁用。一旦母線電壓消失,一些模塊需要從禁用模式恢復到啟用模式。在此期間,母線電壓由儲能電容提供支持。需確保為母線添加足夠的電容,以在模塊快速重啟的時間區間內提供支持。該電路板中的系統級控制電路可用于禁用/啟用模塊,以消除不必要的功耗。
在電池充電方向,可以禁用區塊2的四個模塊,并可禁用區塊3的三個模塊,這可提供300W的電池充電電源。
在支持母線的方向,區塊1的模塊可以被禁用,這可提供1500W的支持母線電源。在這個配置中,該系統能夠以300W/25A為電池充電,以1500W/31A支持48V母線。憑借140分鐘的電池容量,它從完全放電到完全充滿電,所需時間為2.3小時,隨后它還能為母線(1500W負載)提供28分鐘的供電。重新配置或并聯可輕松實現更高的功率級別。
在正向和反向模式下,區塊1/區塊3模塊都保持97.3%效率,區塊2的模塊的效率可達96.2%。0.78W是區塊1/區塊3模塊的禁用功耗,0.04W是區塊2模塊的禁用功耗。因此在該電池充電模式下,峰值效率為:
而在支持母線模式下,峰值效率為:
結論
本文主要介紹全新雙向DC-DC轉換器的設計與分析。它可用于雙向(電池充電方向和支持母線的方向)連接電池組和DC母線。此外,本文還分析了電路及系統實施中每個區塊的工作原理。實驗結果顯示,該方法在兩個功率流向都實現高效率。我們為該應用構建了一款300W輸入(電池充電)1500W輸出(支持母線)雙向DC-DC轉換器樣機。憑借140分鐘的鉛酸電池容量,它從完全放電到完全充滿電,所需充電時間為2.3小時,隨后它還能為母線(1500W負載)提供28分鐘的供電。利用電路板上的系統控制電路,該樣機能夠以92.9%的效率(300W)為電池充電,以93.6%的效率(1500W)為母線提供支持。重新配置或并聯可輕松實現更高的功率級別。
免責聲明:本文為轉載文章,轉載此文目的在于傳遞更多信息,版權歸原作者所有。本文所用視頻、圖片、文字如涉及作品版權問題,請電話或者郵箱editor@52solution.com聯系小編進行侵刪。
推薦閱讀:





