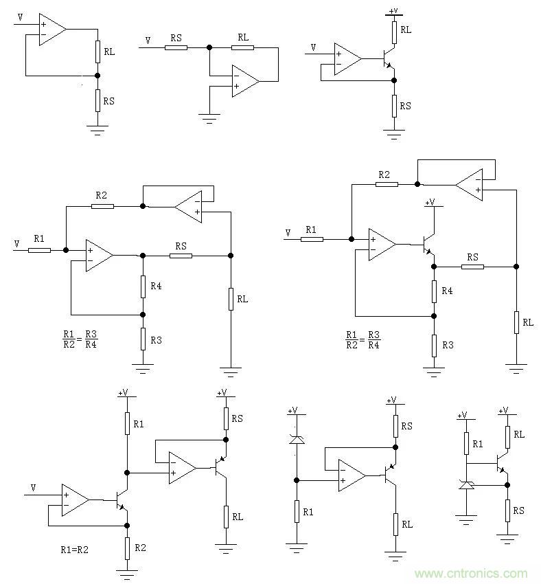
【導讀】對比幾種V/I電路,凡是沒有三極管之類的單向器件,都可以實現交流恒流。加了三極管之后就只能做單向直流恒流了。

這幾種電路都可以在負載電阻RL上獲得恒流輸出。
第一種由于RL浮地,一般很少用。
第二種RL是虛地,也很少使用。
第三種雖然RL浮地,但是RL一端接正電源端,比較常用。
第四種是正反饋平衡式,是由于負載RL接地而受到人們的喜愛。
第五種和第四種原理相同,只是擴大了電流的輸出能力。人們在使用中常常把電阻R2取的比負載RL大的多而省略了跟隨器運放。這種電路也是對地負載。
后邊兩種是恒流源電路。
對比幾種V/I電路,凡是沒有三極管之類的單向器件,都可以實現交流恒流。加了三極管之后就只能做單向直流恒流了。
第四和第五是建立在正負反饋平衡的基礎上的。如果由于電阻的誤差而失去平衡,會影響恒流輸出特性,也就是說輸出電流會隨負載變化。
而其他幾種電阻的誤差只會影響輸出電流的值,而不會影響輸出特性。
如果輸出電流大或者嫌三極管的集電極電流和發射極電流不相等,可以把三極管換成MOSFET。
推薦閱讀:






